題庫網logo
  • 最新消息
  • 線上論壇
  • 考古題
  • 常見問題
  • 帳號申請
  • 忘記密碼
  • 題庫分類
  • 公職考試
    • 鐵路特考
    • 高普考
    • 初等五等
    • 地方特考(三、四等)
    • 一般/警察特考
    • 司法特考
    • 移民特考
    • 關務特考
    • 民航特考
    • 調查局
    • 海巡特考
    • 稅務特考/國稅局約僱人員
    • 身障特考
    • 外交特考
  • 機關就業
    • 經濟部國營事業聯合招考
    • 國營臺鐵公司
    • 捷運公司
    • 台電新進雇員
    • 自來水公司評價人員
    • 中油公司
    • 中鋼公司
    • 中華郵政
    • 中華電信
    • 臺灣菸酒
    • 臺灣港務
    • 臺鐵營運人員
    • 農會
    • 漁會
    • 農田水利
    • 環保局清潔隊員、稽查員
    • 公路監理
    • 台糖
    • 臺北自來水
    • 經濟部工業局
    • 公幼教保人員
  • 證券類
    • 證券商業務員
    • 證券商高級業務員
    • 期貨商業務員
    • 投信投顧業務員
    • 企業內部控制
    • 股務人員
    • 票券商業務員
    • 證券分析師
    • 金融市場常識與職業道德
    • 債券人員
  • 銀行類
    • NEW!!! 高齡金融規劃顧問師資格測驗
    • 金融人員基礎學科測驗(FIT)
    • 金融科技力知識證照
    • 理財規劃人員證照
    • 信託業務人員證照
    • 銀行內部控制與內部稽核證照(一般金融)
    • 初階授信人員證照
    • 初階外匯人員證照
    • 銀行內部控制與內部稽核證照(消費金融)
    • 公民銀行招考(一般金融組)
    • 公民銀行招考(共同科目)
    • 公民銀行招考(儲備人員)
    • 公民銀行招考(工員)
  • 證照類
    • 導遊領隊人員
    • 不動產經紀人
    • 地政士
    • 消防設備人員
    • 門市服務丙級技術士
  • 保險類
    • 投資型保險業務員
    • 人身保險代理人
    • 財產保險經紀人
  • 財會類
    • 記帳士
    • 會計事務技術士乙級
    • 中小企財務人員
    • 會計事務技術士丙級
  • 國貿類
    • 國貿業務技術士乙級
    • 國貿大會考
    • 國貿業務技術士丙級
    • 專責報關人員
    • 兩岸暨東協經貿商務人才
  • 升學考試
    • 警專正期班
    • 四技二專
    • 升大分科測驗
  • 模擬考試
    • 警專正期班第36期線上模擬考試(完整版)
    • 警專考試能力測驗分析
  • 軍事考試
    • 軍事考試

高普考 » ☆考前最後衝刺☆ 歷屆試題隨機成卷,打破備考慣性 » 試題 » 普考電子儀表概要 » (收錄82~88,98~101,106~111年歷屆試題,每次隨機抽取4題)

1. 如圖所示之電橋電路,當開關S投於位置1時,若RM=4kΩ、R2=1.5kΩ、R3=100kΩ、CM=0.1μF,正弦波電源E的頻率為1kHz。
(一)當電橋平衡時,求待測線圈之Rx和Lx值各為多少?
(二)若有另一待測線圈的品質因數為第(一)小題線圈的10倍,為減少測量誤差而將S投到位置2,若R2、R3的值未改變、而CH=1nF,當電橋平衡時,求RH為多少?
 (111年考題)


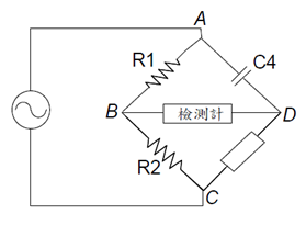
2. 如圖所示,有一平衡交流電橋,其各數據如下:A、B之間為電阻R1=500Ω;B、C之間為電阻R2=1000Ω;C、D之間元件未知;D、A之間為電容C4=0.2μF。且一大小10V頻率1000Hz之電壓加於電橋的A、C之間。
(一)求未知之元件值。
(二)若R2電阻值改為1002Ω,求跨於高阻抗檢測計之電壓。
 (110年考題)


3. 若定義600Ω阻抗消耗1Mv功率為0dBm,現有1AF信號產生器其輸出阻抗為600Ω,正弦波輸出電壓為7.75Vrms時,其輸出信號為多少分貝? (84年考題)


4. 某雛型電路由運算放大器(OPA),及其相關元件設計完成電路製作,OPA使用正負15V電源,負載電流初估約1A,請詳述(相關操作程序與連接)如何使用雙輸出直流電源供應器(具定電壓、定電流功能),來完成該電路的測試。 (107年考題)


鼎文公職資訊網 鼎文公職網路書店 面授課程 數位學院 公職學習網 愛舉手問答平台 博客來書城 Yahoo商城

Copyrights 2016© 鼎文公職版權所有
http://www.11exam.com