Toggle navigation
最新消息
線上論壇
考古題
常見問題
帳號申請
忘記密碼
題庫分類
公職考試
鐵路特考
高普考
初等五等
地方特考(三、四等)
一般/警察特考
司法特考
移民特考
關務特考
民航特考
調查局
海巡特考
稅務特考/國稅局約僱人員
身障特考
外交特考
機關就業
經濟部國營事業聯合招考
國營臺鐵公司
捷運公司
台電新進雇員
自來水公司評價人員
中油公司
中鋼公司
中華郵政
中華電信
臺灣菸酒
臺灣港務
臺鐵營運人員
農會
漁會
農田水利
環保局清潔隊員、稽查員
公路監理
台糖
臺北自來水
經濟部工業局
公幼教保人員
證券類
證券商業務員
證券商高級業務員
期貨商業務員
投信投顧業務員
企業內部控制
股務人員
票券商業務員
證券分析師
金融市場常識與職業道德
債券人員
銀行類
NEW!!! 高齡金融規劃顧問師資格測驗
金融人員基礎學科測驗(FIT)
金融科技力知識證照
理財規劃人員證照
信託業務人員證照
銀行內部控制與內部稽核證照(一般金融)
初階授信人員證照
初階外匯人員證照
銀行內部控制與內部稽核證照(消費金融)
公民銀行招考(一般金融組)
公民銀行招考(共同科目)
公民銀行招考(儲備人員)
公民銀行招考(工員)
證照類
導遊領隊人員
不動產經紀人
地政士
消防設備人員
門市服務丙級技術士
保險類
投資型保險業務員
人身保險代理人
財產保險經紀人
財會類
記帳士
會計事務技術士乙級
中小企財務人員
會計事務技術士丙級
國貿類
國貿業務技術士乙級
國貿大會考
國貿業務技術士丙級
專責報關人員
兩岸暨東協經貿商務人才
升學考試
警專正期班
四技二專
升大分科測驗
模擬考試
警專正期班第36期線上模擬考試(完整版)
警專考試能力測驗分析
軍事考試
軍事考試
中油公司 » 專業科目 » 歷屆題庫 » 111年 » 電工原理、電機機械
單選題
每題2分
1. 100V/100W之電燈泡的電阻為多少Ω?
(A)1000Ω
(B)100Ω
(C)10Ω
(D)1Ω。
2. 視在功率
=100∠45°VA,則有效功率P為多少瓦特?
(A)0 W
(B)100 W
(C)100
W
(D)
W。
3. 並聯電路中有三個電阻比為3:4:5,請問其電壓比為?
(A)1:1:1
(B)3:4:5
(C)20:15:12
(D)12:15:20。
4. 使用節點電壓法分析直流迴路,應用到那些電學理論?
(A)焦耳定律、克希荷夫電壓定律
(B)歐姆定律、克希荷夫電壓定律
(C)焦耳定律、克希荷夫電流定律
(D)歐姆定律、克希荷夫電流定律。
5. 將三個相同的15μF電容器串聯,則其串聯的總電容量為多少?
(A)5μF
(B)10μF
(C)15μF
(D)45μF。
6. 兩平行導線,若彼此的電流方向相反,則兩導線間會產生何種方向之力?
(A)相斥力
(B)相吸力
(C)無作用力產生
(D)視電流大小而定。
7. 直流RC串聯充電暫態電路,當C=5μF,R=100KΩ時,則其充電時間常數為?
(A)5秒
(B)5毫秒
(C)50毫秒
(D)500毫秒。
8. 目前台灣電力公司所提供給家庭用戶的電源系統為何?
(A)交流三角波、50Hz
(B)交流正弦波、50Hz
(C)交流正弦波、60Hz
(D)交流方波、60Hz。
9. 一20mH電感器,兩端的電壓為10
sin100t(V),則流過此電感器之電流的有效值為何?
(A)5 A
(B)10 A
(C)5
A
(D)10
A。
10. RLC串聯諧振電路的特性中,下列何者正確?
(A)電流最小
(B)阻抗最大
(C)阻抗等於電阻值
(D)總電流落後總電壓90°。
11. 平衡三相電源系統中,各相電壓間之相位差為何?
(A)180°
(B)120°
(C)90°
(D)0°。
12. 重疊定理分析直流迴路,每次單獨保留一個電源,其它電源要如何處理?
(A)電壓源及電流源皆為開路
(B)電壓源及電流源皆為短路
(C)電壓源開路、電流源短路
(D)電壓源短路、電流源開路。
13. RL串聯電路,接於一頻率可以變動的交流電源,當頻率上升時,則下列何者錯誤?
(A)電阻值不變
(B)電感抗值變大
(C)電路電流變大
(D)阻抗值變大。
14. 某系統的功率轉換效率為80%,若損失功率為100瓦特,則該系統的輸入功率是多少瓦特?
(A)300
(B)500
(C)800
(D)1000。
15. 有一額定100V/1000W的電熱器,如果外接50V的電源,則其消耗功率為?
(A)100 W
(B)150 W
(C)250 W
(D)500 W。
16. 將10Ω的電阻器兩端接至v(t)=100
sin377t(V)之交流電源,則該電路的電流
=?
(A)10∠0°A
(B)20∠0°A
(C)10
∠0°A
(D)20
∠0°A。
17. RLC交流串聯電路中,已知R=8Ω,X
L
=2Ω,X
C
=8Ω,求此電路總阻抗大小為?
(A)6Ω
(B)8Ω
(C)10Ω
(D)18Ω。
18. 如圖所示電路,R=6kΩ,C=1μF,則時間常數為多少?
(A)1m sec
(B)4m sec
(C)9m sec
(D)36m sec。
19. 有一個5H的電感器,若通過該電感器的電流在2秒由1A增至5A,求電感器兩端的感應電壓大小?
(A)4 V
(B)6 V
(C)8 V
(D)10 V。
20. 在固定的電壓下,將一電熱器之電熱線長度剪去20%時,則功率為原來功率的幾倍?
(A)1.11倍
(B)1.25倍
(C)1倍
(D)2倍。
21. 有關交流RLC並聯電路之敘述,下列何者正確?
(A)電路發生諧振時,若品質因數為Q,則流經電阻的電流將被放大Q倍
(B)當電源頻率小於諧振頻率時,電路呈現電容性
(C)當電源頻率大於諧振頻率時,電源電流隨頻率增加而減少
(D)當電路發生諧振時,電路總阻抗為最大。
22. 有一個電感器自感量為40mH,若其線圈匝數減少一半,則其自感量變為?
(A)5 mH
(B)10 mH
(C)20 mH
(D)50 mH。
23. 加直流220V之電壓於一線圈,測得電流為27.5A,若改為交流220V之電壓,則得電流為22A,則此線圈之R和X
L
分別為多少?
(A)R=8Ω,X
L
=10Ω
(B)R=8Ω,X
L
=2Ω
(C)R=8Ω,X
L
=6Ω
(D)R=6Ω,X
L
=8Ω。
24. 有一線圈匝數1000匝,電感量為20H,若希望電感量降為5H時,則匝數應減為多少匝?
(A)250匝
(B)500匝
(C)750匝
(D)1000匝。
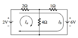
25. 如圖所示電路,迴路電流I
a
為何?
(A)1 A
(B)2 A
(C)-1 A
(D)-2 A。
26. 一般家庭用於計算電費的電表,所謂「一度電」是指:
(A)1kWh
(B)1Wh
(C)1kh
(D)1kW。
27. 機器人或CNC機台都需要高精度的電動機,能夠接受控制器的指令,通過反饋控制系統來控制位置、速度和加速度等運動參數,從而實現精確的定位和運動控制,試問其所採用的電工機械為何?
(A)同步電動機
(B)伺服電動機
(C)直流電動機
(D)線性電動機。
28. 在台灣依照電工法規規定,接地線之絕緣皮應使用何種顏色,以資識別?
(A)黑色
(B)綠色
(C)藍色
(D)灰色。
29. 接地有兩種意義,在電路設計中所謂接地是電路內的一個「電位參考點」,在供電系統中一般電氣設備接地的目的為何?
(A)防止短路產生
(B)防止電弧發生
(C)防止人員感電
(D)防止電阻增加。
30. 一般電子元件的組裝銲接,應使用:
(A)電銲
(B)錫銲
(C)氣銲
(D)點銲。
31. 磁感應強度被稱為磁通量密度或磁通密度,是一個表示貫穿一個標準面積的磁通量的物理量。則下列何者是磁通密度單位?
(A)韋伯(Wb)
(B)韋伯/公尺
(C)韋伯/平方公尺
(D)安培-公尺。
32. 火力發電場的發電機組,主要是採用下列何種電機?
(A)感應機
(B)同步機
(C)直流機
(D)步進電機。
33. 交流同步發電機裝設阻尼繞組的目的為何?
(A)防止轉軸之追逐現象
(B)防止過大的衝擊電流
(C)防止過大起動電流
(D)預防雷電之衝擊。
34. 下列何者能將直流電轉換成可變頻率之交流電:
(A)截波器
(B)變壓器
(C)整流器
(D)變頻器。
35. 三相感應電動機之輸出功率為2馬力,換算約為多少kW?
(A)2kW
(B)1.5kW
(C)1.0kW
(D)0.5 kW。
36. 試問三相繞線式感應電動機,起動時轉子繞組外接電阻之目的為何?
(A)提高起動電流,增加起動轉矩
(B)降低起動電流,減少起動轉矩
(C)提高起動電流,減少起動轉矩
(D)降低起動電流,增加起動轉矩。
37. 直流發電機中N、S表示主磁極之極性,而磁性n、s表示換向磁極之極性,則循著電機之旋轉方向,各極極性次序應為:
(A)NsSn
(B)NnSs
(C)NSns
(D)NSsn。
38. 有一單相變壓器,若二次側的滿載電壓為200V,且電壓調整率為5%,則二次側的無載電壓為何?
(A)110V
(B)200V
(C)210V
(D)220V。
39. 有一台直流發電機感應電勢100V,現將轉速增大為3倍,磁通密度減少為原來的0.8倍,則新的感應電勢應為多少伏特?
(A)80V
(B)100V
(C)200V
(D)240V。
40. 有一交流同步機,為使其產生較完整的正弦波,其電樞繞組採用150度電機角之短節距繞法,則其節距因數應為何?
(A)sin75°
(B)sin150°
(C)cos75°
(D)cos150°。
41. 有部三相8極、72個電樞槽的同步交流發電機,其槽距之電機角為何?
(A)90°
(B)60°
(C)40°
(D)20°。
42. 有一台8極直流發電機,當轉速為600rpm,則該發電機的導線通過一個磁極所需之時間為何?
(A)1/20秒
(B)1/40秒
(C)1/80秒
(D)1/120秒。
43. 有一台5kW、200V串激式電動機,其電樞電阻0.1Ω,激磁場電阻0.2Ω,起動電阻1.7Ω,則額定電壓起動時的啟動電流為何?
(A)87A
(B)100A
(C)113A
(D)74A。
44. 有一台分激直流電動機,自220伏特電源取用60安培電流,若其總損失為1320W,則其效率為何?
(A)90%
(B)85%
(C)80%
(D)75%。
45. 同步發電機的開路試驗(即無載特性試驗),其目的為何?
(A)量測磁場電流與發電機短路電流的關係
(B)量測磁場電流與發電機輸出電壓的關係
(C)量測磁場電流與發電機輸出電流的關係
(D)量測發電機的負載特性。
46. 工廠有一台220V,6極的三相感應電動機,接上220V額定頻率50Hz交流電,若測得轉速為760 rpm,其轉子繞組感應電勢的頻率為何?
(A)12Hz
(B)14Hz
(C)18Hz
(D)16Hz。
47. 有一台8極三相感應電動機,銘牌標示同步轉速(NS)為900rpm,滿載轉差率(S)為8%,當電動機滿載運轉時,轉子繞組感應的頻率為何?
(A)1.2Hz
(B)2.4Hz
(C)4.8Hz
(D)4Hz。
48. 有一部單相變壓器,其高壓側線圈有800匝,低壓側線圈有40匝,若高壓側額定電壓為220伏特,低壓側額定電流為5安培,則此變壓器的額定容量為何?
(A)200VA
(B)110VA
(C)100VA
(D)55VA。
49. 變壓器A容量為200kVA、阻抗為0.3Ω,變壓器B容量為100kVA、阻抗為0.6Ω,將兩變壓器並聯運轉,共同負擔240kVA負載,則兩變壓器各自須分擔的負載為何?
(A)A=160kVA,B=80kVA
(B)A=200kVA,B=100kVA
(C)A=80kVA,B=160kVA
(D)A=180kVA,B=60kVA。
50. 有一台2Hp、4極、220V、60Hz的三相感應電動機,轉子滿載時有銅損及旋轉損等,並測得轉速為1620 rpm,則滿載時轉子的效率為何?
(A)80%
(B)85%
(C)90%
(D)95%。
申論題
1. 20Ω、30Ω、50Ω等三個電阻串聯後,接於100V之直流電源,則50Ω電阻所消耗之功率為_____W。
2. 將2庫侖之電荷通過一元件作功6焦耳,則該元件兩端電位差為_____V。
3. 有一色碼電阻,顏色依次為「棕黑紅金」,請問其電阻最大值為_____Ω。
4. 如圖所示,求I
S
=_____A。
5. 在RLC交流串聯電路中,已知Q=20,f
r
=100HZ,則頻帶寬度BW=_____HZ。
6. 有一電阻器,經測得電阻為6KΩ,而流過的電流為15mA,則該電阻器兩端之電壓為_____V。
7. 電阻器R1與R2並聯,已知流過兩電阻器之電流分別為I
R1
=2A,I
R2
=1A,若R1=2Ω,則R2的電阻值為_____Ω。
8. 有部三相同步發電機,電壓之頻率為60Hz、轉速為600rpm,則此同步發電機之極數應為_____極。
9. 有一台三相50Hp、440V鼠籠式感應電動機,將定子三相繞組接成Δ連接,有六條引出線可供起動之用,直接全壓起動之電流為360A,試問以Y-Δ起動時,線電流為_____A。
10. 有一台直流分激電動機,產生40牛頓.公尺之轉矩,若將其場磁通減少至原來的50%,且電樞電流由原來的50A提高至100A,則其產生的新轉矩為_____牛頓.公尺。