Toggle navigation
最新消息
線上論壇
考古題
常見問題
帳號申請
忘記密碼
題庫分類
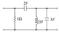
公職考試
鐵路特考
高普考
初等五等
地方特考(三、四等)
一般/警察特考
司法特考
移民特考
關務特考
民航特考
調查局
海巡特考
稅務特考/國稅局約僱人員
身障特考
外交特考
機關就業
經濟部國營事業聯合招考
國營臺鐵公司
捷運公司
台電新進雇員
自來水公司評價人員
中油公司
中鋼公司
中華郵政
中華電信
臺灣菸酒
臺灣港務
臺鐵營運人員
農會
漁會
農田水利
環保局清潔隊員、稽查員
公路監理
台糖
臺北自來水
經濟部工業局
公幼教保人員
證券類
證券商業務員
證券商高級業務員
期貨商業務員
投信投顧業務員
企業內部控制
股務人員
票券商業務員
證券分析師
金融市場常識與職業道德
債券人員
銀行類
NEW!!! 高齡金融規劃顧問師資格測驗
金融人員基礎學科測驗(FIT)
金融科技力知識證照
理財規劃人員證照
信託業務人員證照
銀行內部控制與內部稽核證照(一般金融)
初階授信人員證照
初階外匯人員證照
銀行內部控制與內部稽核證照(消費金融)
公民銀行招考(一般金融組)
公民銀行招考(共同科目)
公民銀行招考(儲備人員)
公民銀行招考(工員)
證照類
導遊領隊人員
不動產經紀人
地政士
消防設備人員
門市服務丙級技術士
保險類
投資型保險業務員
人身保險代理人
財產保險經紀人
財會類
記帳士
會計事務技術士乙級
中小企財務人員
會計事務技術士丙級
國貿類
國貿業務技術士乙級
國貿大會考
國貿業務技術士丙級
專責報關人員
兩岸暨東協經貿商務人才
升學考試
警專正期班
四技二專
升大分科測驗
模擬考試
警專正期班第36期線上模擬考試(完整版)
警專考試能力測驗分析
軍事考試
軍事考試
經濟部國營事業聯合招考 » ☆考前最後衝刺☆ 歷屆試題隨機成卷,打破備考慣性 » 試題 » 1.電路學2.電子學 » (收錄102~111年歷屆試題,每次隨機抽取50題)
單選題
每題2分
1. 二極體截波電路(diode clipping circuit)如【圖14】所示,二極體為理想二極體,當輸入電壓Vi為正弦波時,則輸出電壓Vo波形為下列何者(實線)?
(102年度考題)
(A)
(B)
(C)
(D)
。
2. 一個齊納二極體(Zener Diode)於25°C時,V
Z
=6.8V,其正溫度係數為0.05%/°C,求80°C時V
Z
? (104年度考題)
(A)6.855V
(B)6.987V
(C)6.834V
(D)7.252V。
3. 如【圖20】所示為一主動式共振帶通濾波器,假設其電壓增益-Ao=50,中心頻率為160Hz,3dB頻寬為16Hz,C
1
=C
2
=0.1μF,則R
1
為下列何者?
(102年度考題)
(A)2KΩ
(B)2πKΩ
(C)3KΩ
(D)3πKΩ。
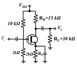
4. 如右圖所示之穩壓電路,假設Q
1
、Q
2
的I
C
=I
E
(I
B
忽略),V
BE
=0.7V,V
L
=12V,則R
1
:R
2
為下列何者?
(109年度考題)
(A)1:2
(B)3:4
(C)5:7
(D)7:9。
5. 假設下圖之二極體為一理想元件,試求二極體電流I
D
之值約為何?
(107年度考題)
(A)0.83mA
(B)1.0mA
(C)1.87mA
(D)2.5mA。
6. 如下圖所示電路中,開關已打開一段很長的時間,在t=0開關閉合前已達到穩態狀況,求開關閉合後的電感器電流i(t)為何?
(104年度考題)
(A)1-0.5e
-
4t
A
(B)1-0.5e
-
2t
A
(C)2-e
-
4t
A
(D)2-e
-
2t
A。
7. 對基本放大器增加負回授後,下列特性敘述何者有誤? (110年度考題)
(A)雜訊對電路的影響降低
(B)頻寬增加
(C)放大器的增益會衰減
(D)增益與頻寬的乘積提高。
8. 有一RLC並聯電路,電感值與電容值分別為4H與0.25μF,試求臨界阻尼時之電阻值為何? (108年度考題)
(A)4000Ω
(B)2000Ω
(C)1000Ω
(D)500Ω。
9. 求下圖電路中之i
a
=?
(103年度考題)
(A)0.1A
(B)0.2A
(C)0.3A
(D)0.4A。
10. 有一電路如【圖18】,將兩端點內改為戴維寧等效電路,則等效電壓源為何?
(102年度考題)
(A)5V
(B)6V
(C)7V
(D)8V。
11. 如圖所示,求A和B間產生的有效功率為何?
(109年度考題)
(A)310.2W
(B)339.5W
(C)355.8W
(D)378.3W。
12. 如下圖之電路,在下列哪種條件下,其電壓增益值V
O
/V
I
與頻率無關?(OP:理想運算放大器)
(105年度考題)
(A)R
1
C
2
=R
2
C
1
(B)R
1
R
2
=C
1
C
2
(C)C
1
=C
2
(D)R
1
C
1
=R
2
C
2
。
13. 試求圖中雙埠網路的Z參數,Z
12
和Z
22
之值為何?
(110年度考題)
(A)-1/3、-5/3
(B)-5/3、1/3
(C)5/3、-1/3
(D)1/3、5/3。
14. 非反向運算放大器電路具有增益40dB,其3dB頻率為25kHz,將其應用在某特殊系統中,若此系統需要50kHz的頻寬,在此情況下能夠達到的最大增益為何? (107年度考題)
(A)10V/V
(B)20V/V
(C)50V/V
(D)100V/V。
15. 三相交流馬達的輸入功率測得為5kW。如果馬達的電壓和電流分別為400V和8.6A,則系統的功率因數為何? (109年度考題)
(A)0.839
(B)0.856
(C)0.878
(D)0.894。
16. 下圖中有兩個理想運算放大器串級,其輸入補償電壓V
os1
=V
os2
=8mV,若輸入V
in
=0.01V時,試求V
o
之值約為何?
(107年度考題)
(A)7.63V
(B)5.79V
(C)4.15V
(D)3.48V。
17. 如圖所示電路,已知FET參數g
m
=1mS,r
d
=20kΩ,若此電路具回授(Feedback)的狀態,下列敘述何者有誤?
(110年度考題)
(A)此為串串(series-series)回授型態
(B)回授因子(Feedback factor)β為0.47kΩ
(C)開迴路增益(Open loop gain)A為0.66mA/V
(D)
為-10。
18. 如何有效降低增強型NMOS電晶體的Threshold Voltage電壓值V
T
,下列敘述何者正確? (105年度考題)
(A)降低基體(Substrate)的濃度(N
A
)
(B)降低源極(Source)區域的濃度(N
D
)
(C)降低汲極(Drain)區域的濃度(N
D
)
(D)降低閘極(Gate)區域的
/t
Ox
(
:矽氧化層的permittivity;t
Ox
:矽氧化層厚度)。
19. 利用一20nF電容器與電阻器R,設計一個截止頻率為800Hz的高通無源濾波器,求R值為何? (109年度考題)
(A)9.95kΩ
(B)10.88kΩ
(C)11.24kΩ
(D)12.65kΩ。
20. 關於振盪器之敘述,下列敘述何者有誤? (106年度考題)
(A)回授信號相位移必須為180˚
(B)柯畢子振盪器(Colpitts Oscillator)使用LC回授電路
(C)迴路增益必須為1
(D)相移振盪器至少需使用三級RC相移電路。
21. 如圖之電路,假設I
o
=10μA,BJT Q
1
、Q
2
、Q
3
的電流增益β均為100,V
T
=25mV,且厄利電壓(Early Voltage)| V
A
|=25V,求R
o
的電阻值為多少?
(110年度考題)
(A)13.51MΩ
(B)23.51MΩ
(C)33.51MΩ
(D)43.51MΩ。
22. 有一電路如【圖16】,求電容所儲存之能量Wc(t)為何?
(102年度考題)
(A)10
-
3
sin
2
πtJ
(B)10
-
2
sin
2
πtJ
(C)10
-
3
cos
2
πtJ
(D)10
-
2
cos
2
πtJ。
23. 有一電路圖如【圖5】,求i(0
-
)=?
(102年度考題)
(A)0A
(B)1A
(C)2A
(D)5A。
24. 假設一電晶體β=50、I
C
=5mA、V
T
=25mV,則基極對地交流電阻r
π
為何? (108年度考題)
(A)250Ω
(B)500Ω
(C)750Ω
(D)1000Ω。
25. 如圖所示電路,其中的電流I為何?
(110年度考題)
(A)10A
(B)5A
(C)2A
(D)1A。
26. 在電源電壓為(120+j200)V的電路中流過(7+j16)A的電流,求此電路的等效阻抗值為何? (109年度考題)
(A)13.25-j1.705Ω
(B)13.25+j1.705Ω
(C)13.25-j0.705Ω
(D)13.25+j0.705Ω。
27. 設計一個低通濾波器如下圖,頻寬為10kHz,R
1
=10kΩ、C
1
=C
2
=1nF,A為理想運算放大器,R
2
應為多少?
(104年度考題)
(A)1MΩ
(B)50.66kΩ
(C)25.33kΩ
(D)20.64kΩ。
28. 如下圖之電路,t<0時已達穩態。當t=0s時,瞬間將開關斷路,則t>0時,V
C
(t)=?
(105年度考題)
(A)10-
(B)15-
(C)25-
(D)25-
。
29. 有一個1φ3W供電系統如圖所示,請問若中性線斷裂造成開路時,下列何者負載會燒損?
(111年度考題)
(A)負載A燒損
(B)負載B燒損
(C)負載A及負載B皆燒損
(D)負載A及負載B皆不會燒損。
30. 已知一個矽二極體之逆向飽和電流每升高10˚C約成為原來之兩倍,在溫度25?C時的逆向飽和電流為3nA,當逆向飽和電流增加到24nA,溫度約升到幾度? (107年度考題)
(A)35˚C
(B)45˚C
(C)55˚C
(D)65˚C。
31. 下圖電路之電壓響應呈現臨界阻尼情況,則R值為?
(103年度考題)
(A)25Ω
(B)50Ω
(C)75Ω
(D)100Ω。
32. 有一0.5W、2.5V的齊納二極體(Zener Diode),其最大電流為下列何者? (102年度考題)
(A)75mA
(B)100mA
(C)150mA
(D)200mA。
33. 有一電感為0.2H,電阻為60Ω的線圈與20μF電容器並聯連接在20V可變頻率電源上。其發生並聯共振之頻率為何? (109年度考題)
(A)57.34Hz
(B)59.42Hz
(C)61.18Hz
(D)63.66Hz。
34. 有關圖雙埠網路之Z參數,下列何者正確?
(111年度考題)
(A)Z
11
=4s+4
(B)Z
21
=-4s
(C)Z
12
=4s
(D)Z
22
=4s+
。
35. 有一電路如【圖17】,i(t)=?
(102年度考題)
(A)12sin(40t-53°)A
(B)12cos(40t-53°)A
(C)20sin(40t+37°)A
(D)20cos(40t+37°)A。
36. 交流電壓v的周期時間為0.01s,峰值為40V。當時間t為零時,v=-20V。其瞬時電壓的表示式為何? (109年度考題)
(A)40sin(100πt-π/2)
(B)40sin(100πt-π/6)
(C)40sin(200πt-π/2)
(D)40sin(200πt-π/6)。
37. 有一落後功率因數0.7的負載,並從100V的有效值電壓源吸收350W的平均功率。如果改善電路的功率因數為1時,試求改善後可節省多少安培之有效值的電流? (107年度考題)
(A)5A
(B)3.5A
(C)2A
(D)1.5A。
38. 如下圖所示之電路,求V
o
電壓為何?
(104年度考題)
(A)113V
(B)133V
(C)153V
(D)173V。
39. 對一PN二極體施加逆向偏壓,有關逆向飽和電流I
S
的敘述何者有誤? (105年度考題)
(A)逆向偏壓時會產生極小的逆向飽和電流I
S
(約10
-
15
A)
(B)I
S
由少數載子數量控制
(C)溫度越高,I
S
會上升
(D)Junction面積增加會使I
S
下降。
40. 有一元件之電壓及電流分別為v(t)=3cos(3t+20°)V,i(t)=-2sin(3t+30°)A,則電壓和電流之相位關係為何? (105年度考題)
(A)電壓領先電流10°
(B)電流領先電壓10°
(C)電壓領先電流100°
(D)電流領先電壓100°。
41. 已知一弦波電壓為V=10cos(1256t-53.13˚),求其週期為? (106年度考題)
(A)4ms
(B)5ms
(C)6ms
(D)7ms。
42. 如下圖電路,t<0開關已長時間閉合,試求t>0開關打開後,其電壓響應屬於何種性質?
(108年度考題)
(A)臨界阻尼
(B)無阻尼
(C)欠阻尼
(D)過阻尼。
43. 設計一B類放大器,輸入為正弦波信號,提供10W平均功率給10Ω負載,則電源±V
CC
應選用何者較佳? (104年度考題)
(A)±5V
(B)±12V
(C)±20V
(D)±10V。
44. 如下圖,A、B、C為邏輯輸入,Y輸出為何?
(104年度考題)
(A)
(B)
(C)
(D)
。
45. 對於一個放大器,其電壓增益A=-100,輸入阻抗為20kΩ,使用一電阻R=100kΩ,跨接在輸入和輸出端,其輸入阻抗變為多少? (109年度考題)
(A)3.7kΩ
(B)2.1kΩ
(C)943Ω
(D)900Ω。
46. 某負載兩端之電壓為V(t)=60sin(t+30°)+80sin(3t+60°)V,流經之電流i(T)=3sin(t-30°)+4sin(3t+30°)A。此負載之功率因數(PF)為何? (102年度考題)
(A)0.73
(B)0.83
(C)0.85
(D)0.92。
47. 經過全波整流器(Full-Wave Rectifier)之正弦波信號,輸出電壓平均值V
avg
與輸入電壓峰值V
p
的關係為? (106年度考題)
(A)V
avg
=
(B)V
avg
=
(C)V
avg
=
(D)V
avg
=
。
48. 如下圖三級串級回授放大器圖,各電晶體Q
1
、Q
2
、Q
3
,β=120,V
BE(on)
=0.7V,V
T
=26mV,求得Q
3
,g
m
≒?
(103年度考題)
(A)19mA/V
(B)33mA/V
(C)50mA/V
(D)78mA/V。
49. 比較晶體基本偏壓組態之敘述,下列何者正確? (109年度考題)
(A)共閘極:輸入阻抗大,輸出阻抗小,輸入與輸出信號同相
(B)共射極:電壓增益大,輸入與輸出信號反相
(C)共汲極或源極隨耦器:輸入阻抗小,輸出阻抗大,輸入與輸出信號反相
(D)達靈頓晶體:輸入阻抗大,輸出阻抗小,輸入與輸出信號反相。
50. 下列何者非屬運算放大器使用負回授之特點? (108年度考題)
(A)提高增益
(B)控制電路的輸入/輸出阻抗
(C)減少非線性失真
(D)增加頻寬。