Toggle navigation
最新消息
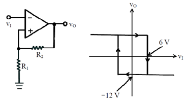
線上論壇
考古題
常見問題
帳號申請
忘記密碼
題庫分類
公職考試
鐵路特考
高普考
初等五等
地方特考(三、四等)
一般/警察特考
司法特考
移民特考
關務特考
民航特考
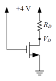
調查局
海巡特考
稅務特考/國稅局約僱人員
身障特考
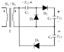
外交特考
機關就業
經濟部國營事業聯合招考
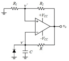
臺鐵公司
捷運公司
台電新進雇員
自來水公司評價人員
中油公司
中鋼公司
中華郵政
中華電信
臺灣菸酒
臺灣港務
臺鐵營運人員
農會
漁會
農田水利
環保局清潔隊員、稽查員
公路監理
台糖
臺北自來水
經濟部工業局
公幼教保人員
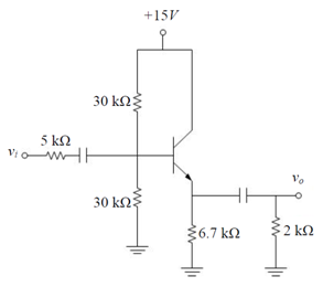
證券類
證券商業務員
證券商高級業務員
期貨商業務員
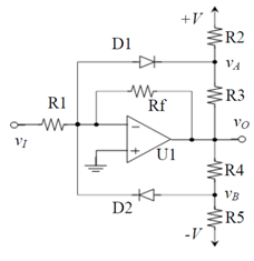
投信投顧業務員
企業內部控制
股務人員
票券商業務員
證券分析師
金融市場常識與職業道德
債券人員
銀行類
NEW!!! 高齡金融規劃顧問師資格測驗
金融人員基礎學科測驗(FIT)
金融科技力知識證照
理財規劃人員證照
信託業務人員證照
銀行內部控制與內部稽核證照(一般金融)
初階授信人員證照
初階外匯人員證照
銀行內部控制與內部稽核證照(消費金融)
公民銀行招考(一般金融組)
公民銀行招考(共同科目)
公民銀行招考(儲備人員)
公民銀行招考(工員)
證照類
導遊領隊人員
不動產經紀人
地政士
消防設備人員
門市服務丙級技術士
保險類
投資型保險業務員
人身保險代理人
財產保險經紀人
財會類
記帳士
會計事務技術士乙級
中小企財務人員
會計事務技術士丙級
國貿類
國貿業務技術士乙級
國貿大會考
國貿業務技術士丙級
專責報關人員
兩岸暨東協經貿商務人才
升學考試
警專正期班
四技二專
升大分科測驗
模擬考試
警專正期班第36期線上模擬考試(完整版)
警專考試能力測驗分析
軍事考試
軍事考試
初等五等 » ☆考前最後衝刺☆ 歷屆試題隨機成卷,打破備考慣性 » 試題 » 電子學大意 » (收錄107年~111年歷屆試題,每次隨機抽取50題)
單選題
每題2分
1. 如圖所示之共射極放大器,I
C
=1mA且V
BE
=0.8V。假設電晶體於飽和時之V
CE(sat)
=0.3V,請問在保持放大器的正常操作下,R
L
最大的可允許值為何?
(107年度初等考題)
(A)2.5kΩ
(B)4.2kΩ
(C)4.7kΩ
(D)6kΩ。
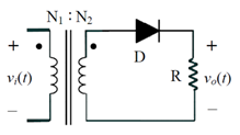
2. 圖示截波電路中,齊納(Zener)二極體D
1
與D
2
於順偏時視為理想而反偏時之崩潰電壓分別為V
Z1
=5V與V
Z2
=7V,當輸入信號v
i
(t)=10sin (ωt)伏特時,求輸出信號v
o
(t)的峰對峰電壓值為多少伏特?
(109年度初等考題)
(A)2V
(B)5V
(C)7V
(D)12V。
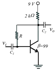
3. 直接耦合串級放大電路於未耦合前第1級放大電路的集極偏壓電流為1毫安培(1mA),如圖決定耦合後第2級放大電路的電壓增益大小(v
o
/v
i2
的大小)?其中Q
2
之β
2
=99及V
BE,on
=0.8V,熱電壓V
T
=25mV。
(110年度初等考題)
(A)50
(B)100
(C)150
(D)250。
4. 共源極放大器的頻寬主要由下列那個寄生電容決定? (110年度初等考題)
(A)閘極-源極
(B)源極-基板
(C)閘極-汲極
(D)汲極-源極。
5. 圖示為理想運算放大器電路,若運算放大器的正負輸出飽和電壓為±10V,二極體導通時兩端電壓為0.7V,輸入電壓v
I
為+1V,則v
O
為若干V?
(109年度初等考題)
(A)-10
(B)0
(C)+1
(D)+10。
6. 若矽二極體在逆向偏壓且在室溫時,飽和電流(saturation current)為I
o
,已知溫度每變化1°C,飽和電流變化約7%,試問溫度增加10°C,飽和電流如何變化? (108年度初等考題)
(A)飽和電流約為10 I
o
(B)飽和電流約為2 I
o
(C)飽和電流約為0.5 I
o
(D)飽和電流約為0.1 I
o
。
7. 如圖所示為理想運算放大器之電路,R
1
=2kΩ、R
2
=10kΩ、R
3
=2kΩ,試求其輸入阻抗R
i
為多少?
(107年度初等考題)
(A)1kΩ
(B)2kΩ
(C)4kΩ
(D)10kΩ。
8. 如圖電路,已知R=10kΩ和C=0.01μF,輸入為±5V對稱方波,試求輸出三角波電壓在t=0到t=t
1
的斜率為多少V/sec?
(109年度初等考題)
(A)+5×10
4
(B)-5×10
4
(C)-10×10
4
(D)+10×10
4
。
9. 二極體順向導通時,下列何者正確? (107年度初等考題)
(A)在N端加相對正電壓,在二極體內部中電子從N端流向P端
(B)在N端加相對負電壓,在二極體內部中電子從N端流向P端
(C)在N端加相對正電壓,在二極體內部中電流從N端流向P端
(D)在N端加相對負電壓,在二極體內部中電流從N端流向P端。
10. 如圖所示,射極電阻R
E
常被用於共射極放大器的設計,其主要目的為何?
(110年度初等考題)
(A)提高增益
(B)降低雜訊
(C)改變相位
(D)穩定偏壓。
11. 如果將電容濾波全波整流器的負載阻抗降低,則漣波電壓會如何變化? (110年度初等考題)
(A)增加
(B)減少
(C)不受影響
(D)頻率會變化。
12. 如圖所示的方波產生電路在正常工作下並於某個時間點測知V
f
的電壓值為8伏特,此電路中流過電阻器R的電流絕對值取其最大與最小值分別以I
1
和I
2
(單位mA)表示之,則下列那一敘述為正確?其中施加於理想OPA之電壓為±16V。
(111年度初等考題)
(A)I
1
=8mA
(B)I
2
=4mA
(C)I
1
+I
2
=8mA
(D)I
1
-I
2
=2mA。
13. 下圖中二極體D1與D2之導通電壓為0.7V,導通電阻為0Ω,輸入信號為弦波,v
i
(t)=4sin10t伏特,R1、R2、R3皆為10Ω,則電流| i |之最大值為何?
(111年度初等考題)
(A)530mA
(B)265mA
(C)65mA
(D)20mA。
14. 如圖示截波電路,其中輸入信號v
i
(t)為振幅12伏特的弦波且D為理想二極體,如果要得到峰對峰電壓值為16伏特的輸出信號,則偏壓電源V
R
應為多少?
(110年度初等考題)
(A)-4V
(B)0V
(C)4V
(D)8V。
15. 已知一運算放大器(OPA)的開路直流增益A
o
為100dB和單一增益頻率f
T
為10MHz,若此OPA接成非反相輸入(non-inverting input)放大器,其增益A
v
為60dB;試問該非反相輸入放大器的頻寬f
H
約為多少? (109年度初等考題)
(A)100kHz
(B)10kHz
(C)1kHz
(D)100Hz。
16. 如圖電路,已知輸出v
o
的飽和電壓在±10V,其R
1
=100kΩ,R
2
=1MΩ;若在電容器C旁邊並接一顆二極體,其順向電壓為0.7V,則輸出電壓v
o
會在什麼狀態?
(111年度初等考題)
(A)保持在-0.7V
(B)保持在-10V
(C)保持在+10V
(D)保持在±10V之間變化。
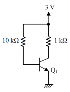
17. 圖示電路,若V
CC
=10V,V
CE
=3V,則此電晶體的工作區應為何?
(109年度初等考題)
(A)主動區(Active Region)
(B)飽和區(Saturation Region)
(C)三極管區(Triode Region)
(D)截止區(Cutoff)。
18. 如圖所示符號為下列何種元件? (107年度初等考題)
(A)增強型NMOS
(B)增強型PMOS
(C)空乏型NMOS
(D)空乏型PMOS。
19. 有一矽雙極性接面電晶體(Si-BJT)電路及輸入接腳V
I1
、V
I2
的電壓波形如下所示,V
CC
=5V,R
1
=R
2
=1kΩ,R
3
=R
4
=100Ω,C
L
=5μF,電晶體電流增益β
Q1
=β
Q2
=100。試研判電晶體Q
2
在時間點T最可能的工作模式:
(109年度初等考題)
(A)飽和模式(Saturation mode)
(B)線性模式(Linear mode)
(C)主動模式(Active mode)
(D)截止模式(Cut-off mode)。
20. 下列有關理想運算放大器的特性,何者正確? (109年度初等考題)
(A)輸入阻抗:0
(B)開迴路電壓增益:0
(C)共模電壓增益:0
(D)共模拒斥比CMRR:0。
21. 用於中間抽頭變壓器型及橋式全波整流電路的變壓器,初級/次級線圈匝數比均為N
1
:N
2
且輸入信號同為v
i
(t)=100sin(377t)伏特,變壓器與二極體均為理想,中間抽頭型及橋式全波整流電路中二極體之峰值逆向電壓為PIV1與PIV2、輸出信號有效值電壓為V
o1(rms)
及V
o2(rms)
間關聯性何者正確? (109年度初等考題)
(A)PIV1=2PIV2
(B)V
o1(rms)
=V
o2(rms)
(C)2V
o1(rms)
=V
o2(rms)
(D)2PIV1=PIV2。
22. 電容器C
1
~C
3
配合變壓器T及二極體D
1
~D
3
所構成之倍壓電路如圖,輸入信號v
i
(t)=100sin(377t)伏特、N
1
:N
2
=10:1且變壓器與所有二極體均視為理想時,在電路穩態條件下電容器C
1
~C
3
所跨電壓V
C1
~V
C3
之敘述何者正確?
(109年度初等考題)
(A)V
C1
+V
C2
=20V
(B)V
C1
+V
C3
=30V
(C)V
C2
+V
C3
=10V
(D)V
C1
+V
C2
+V
C3
=40V。
23. 60Hz的交流小訊號經全波整流後,輸出訊號之頻率應為: (109年度初等考題)
(A)20Hz
(B)30Hz
(C)60Hz
(D)120Hz。
24. 於積體電路設計中使用主動負載的放大器,相對於使用被動負載,其好處不包含下列何者? (111年度初等考題)
(A)面積較小
(B)可同時當成電流源偏壓
(C)負載上的壓降較小
(D)頻寬增加。
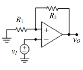
25. 圖示為理想運算放大器電路,若R
1
=1kΩ、R
2
=3kΩ、R
a
=1kΩ、R
b
=3kΩ,v
1
=4V,v
2
=-2V,則輸出電壓v
O
為若干V?
(109年度初等考題)
(A)0
(B)5
(C)10
(D)12。
26. 如圖所示之電路,假如A
o
=∞,求此電路之閉迴路增益為何?
(110年度初等考題)
(A)12
(B)15
(C)19
(D)21。
27. 雙極性電晶體接成共集極組態時,其輸出阻抗相較於共射極和共基極組態的輸出阻抗為何? (111年度初等考題)
(A)最低
(B)最高
(C)次高
(D)一樣。
28. 如圖所示之電路,假如二極體之壓降V
D
為0.7V,求其輸出電壓v
o
之平均值為何?
(109年度初等考題)
(A)5.37V
(B)10.58V
(C)23.3V
(D)109.3V。
29. 如圖所示為由齊納(Zener)二極體D
1
與D
2
所構成截波電路及其輸入信號v
i
(t),D
1
與D
2
於順偏時可視為理想,而其在反偏之崩潰電壓分別為V
Z1
=6V與V
Z2
=4V,輸出信號v
o
(t)的平均值電壓應為多少?
(107年度初等考題)
(A)-0.375V
(B)-0.125V
(C)0V
(D)0.25V。
30. 有一矽雙極性接面電晶體(Si-BJT)電路及輸入接腳V
I1
、V
I2
的電壓波形如下所示,V
CC
=5V,R
1
=R
2
=1kΩ,R
3
=R
4
=100Ω,C
L
=5μF,電晶體電流增益β
Q1
=β
Q2
=100。試研判輸出接腳V
O
在低準位輸出(V
O
@LO)時最可能的工作電壓:
(111年度初等考題)
(A)V
O
@LO<0V
(B)V
O
@LO=0V
(C)0.4V>V
O
@LO>0V
(D)V
O
@LO>0.4V。
31. 如圖所示之非穩態電路,輸出v
o
的飽和電壓在±10V,其R
1
=100kΩ,R
2
=R=1MΩ且C=0.01μF,試問振盪頻率f
o
為多少?
(107年度初等考題)
(A)137Hz
(B)274Hz
(C)548Hz
(D)1096Hz。
32. 在雙極接面電晶體的共射(CE)、共基(CB)、共集(CC)三種組態中,何者之電流增益小於1? (110年度初等考題)
(A)CE
(B)CB
(C)CC
(D)CE及CC。
33. 某β=100之npn雙極性接面電晶體,若I
B
=10μA,下列何者顯示電晶體工作在飽和區(Saturation Region)? (111年度初等考題)
(A)I
C
=1mA、I
E
=1.01mA
(B)I
C
=0.5mA、I
E
=0.51mA
(C)I
C
=1.01mA、I
E
=1mA
(D)I
C
=0.8mA、I
E
=0.79mA。
34. 如圖所示韋恩電橋振盪器(Wien-bridge oscillator),其所產生的波形為下列何者?
(107年度初等考題)
(A)方波
(B)弦波
(C)鋸齒波
(D)三角波。
35. 如圖所示為以電阻R=5kΩ、R
f
=7.5kΩ及電感L
1
=2mH、L
2
所構成的韋恩電橋(Wien-bridge)振盪電路,當等幅振盪啟動時,決定其振盪頻率ω約為多少rad/s?
(110年度初等考題)
(A)3.5M rad/s
(B)1M rad/s
(C)700k rad/s
(D)500k rad/s。
36. 藉由分壓偏壓的電晶體放大電路中(β=49),流進基極端的電流為I=0.025mA時測得輸出交流弦波信號振幅為0.5V,則輸入信號的振幅約為多少?其中熱電壓近似為25mV。
(110年度初等考題)
(A)2mV
(B)2.5mV
(C)4mV
(D)5mV。
37. 圖示MOS場效電晶體電路,電晶體之V
t
=1V、μ
n
C
ox
(W/L)=1mA/V
2
,若要使電晶體在飽和區工作,電壓V
D
最小值應為多少?
(108年度初等考題)
(A)4V
(B)3V
(C)2V
(D)1V。
38. 某一增強型MOSFET其臨界電壓V
t
=2V,若源極接地而直流電源3V接到閘極,當V
DS
=0.5V時,試問該MOSFET操作在什麼區域? (108年度初等考題)
(A)崩潰區(breakdown region)
(B)飽和區(saturation region)
(C)三極管區(triode region)
(D)主動區(active region)。
39. 如圖所示之電路,其中電晶體之爾利(Early)電壓V
A
皆為∞,求此電路之小信號輸出阻抗值為何?
(107年度初等考題)
(A)(1/g
m1
)//(1/g
m2
)
(B)r
π
1
//r
π
2
(C)r
π
1
+r
π
2
(D)(1/g
m1
)//r
π
1
。
40. 分析運算放大器電路時,兩輸入端常視為虛擬短路,其意為何? (108年度初等考題)
(A)需將兩輸入端連在一起
(B)兩輸入端需各自接地
(C)兩輸入端的電壓相等
(D)兩輸入端的輸入阻抗為零。
41. 有N級放大器,其中每一級的增益A
oN
和頻寬ω
HN
都完全相同,若該N級放大器串接在一起且N為有限值;試問其總頻寬ω
H
相較於單一級放大器的頻寬ω
HN
,下列敘述何者正確? (110年度初等考題)
(A)ω
H
=ω
HN
(B)ω
H
>ω
HN
(C)ω
H
<ω
HN
(D)ω
H
=(ω
HN
)
N
。
42. 關於雙載子電晶體(BJT)的小信號模型,下列敘述何者錯誤?
(111年度初等考題)
(A)在特定β的條件下,r
π
與偏壓電流成正比
(B)在特定β的條件下,g
m
與偏壓電流成正比
(C)在特定元件大小的條件下,r
o
與偏壓電流成反比
(D)對共射級放大器而言,r
π
越大則輸入阻抗越大。
43. 雙極性接面電晶體工作於主動區(active region)的輸出阻抗r
o
,是下列何種效應所造成? (110年度初等考題)
(A)爾利效應(Early effect)
(B)米勒效應(Miller effect)
(C)溫度效應(temperature effect)
(D)通道長度調變效應(channel length modulation effect)。
44. 如圖運算放大器電路,若電壓增益A為無限大,試求輸出電壓v
o
=?
(109年度初等考題)
(A)-4V
(B)4V
(C)-6V
(D)6V。
45. 如圖所示直流偏壓電路的電晶體放大器中,電晶體的輸出直流電壓工作點為4V,電晶體β值變為原來的2倍而其他特性參數不變,則R
B
必須變為原來的多少倍才能使輸出直流電壓工作點變為6V?
(108年度初等考題)
(A)0.75倍
(B)1.5倍
(C)2倍
(D)3倍。
46. 如圖所示的電晶體共射極放大器,輸出交流信號的振幅為0.6V,β及R
1
、R
2
均變成原來的1.5倍,電晶體其他特性維持不變,輸出交流信號的振幅變為多少?以上改變仍使放大器工作在不失真放大範圍。
(110年度初等考題)
(A)0.4V
(B)0.6V
(C)0.9V
(D)1.35V。
47. 令流入運算放大器輸入端之電流為I
i
,兩輸入端間電壓差為V
i
,則一個理想反相運算放大器之虛接地(virtual ground)特性為: (110年度初等考題)
(A)I
i
=∞,V
i
=∞
(B)I
i
=0,V
i
=∞
(C)I
i
=∞,V
i
=0
(D)I
i
=0,V
i
=0。
48. 如圖所示為一文氏電橋振盪器。R
2
=100kΩ,R
1
=20kΩ,R=10kΩ,C=0.1μF。求振盪器的振盪頻率?
(109年度初等考題)
(A)15.9Hz
(B)79.6Hz
(C)159Hz
(D)1000Hz。
49. 下列為一主動式濾波器(Active filter)。設U1為理想運算放大器,試問此電路轉移函數(Transfer function)T(s)≡V
o
/V
i
的數學形式為何?
(108年度初等考題)
(A)
(B)
(C)
(D)
。
50. 振幅為8伏特的三角形週期波信號輸入如圖所示之截波電路(D為理想二極體),決定輸出信號v
o
(t)的平均值電壓為多少伏特?
(109年度初等考題)
(A)0.5V
(B)1V
(C)-0.5V
(D)-1V。