Toggle navigation
最新消息
線上論壇
考古題
常見問題
帳號申請
忘記密碼
題庫分類
公職考試
鐵路特考
高普考
初等五等
地方特考(三、四等)
一般/警察特考
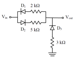
司法特考
移民特考
關務特考
民航特考
調查局
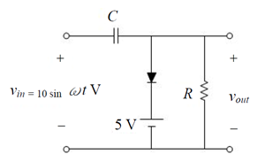
海巡特考
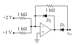
稅務特考/國稅局約僱人員
身障特考
外交特考
機關就業
經濟部國營事業聯合招考
臺鐵公司
捷運公司
台電新進雇員
自來水公司評價人員
中油公司
中鋼公司
中華郵政
中華電信
臺灣菸酒
臺灣港務
臺鐵營運人員
農會
漁會
農田水利
環保局清潔隊員、稽查員
公路監理
台糖
臺北自來水
經濟部工業局
公幼教保人員
證券類
證券商業務員
證券商高級業務員
期貨商業務員
投信投顧業務員
企業內部控制
股務人員
票券商業務員
證券分析師
金融市場常識與職業道德
債券人員
銀行類
NEW!!! 高齡金融規劃顧問師資格測驗
金融人員基礎學科測驗(FIT)
金融科技力知識證照
理財規劃人員證照
信託業務人員證照
銀行內部控制與內部稽核證照(一般金融)
初階授信人員證照
初階外匯人員證照
銀行內部控制與內部稽核證照(消費金融)
公民銀行招考(一般金融組)
公民銀行招考(共同科目)
公民銀行招考(儲備人員)
公民銀行招考(工員)
證照類
導遊領隊人員
不動產經紀人
地政士
消防設備人員
門市服務丙級技術士
保險類
投資型保險業務員
人身保險代理人
財產保險經紀人
財會類
記帳士
會計事務技術士乙級
中小企財務人員
會計事務技術士丙級
國貿類
國貿業務技術士乙級
國貿大會考
國貿業務技術士丙級
專責報關人員
兩岸暨東協經貿商務人才
升學考試
警專正期班
四技二專
升大分科測驗
模擬考試
警專正期班第36期線上模擬考試(完整版)
警專考試能力測驗分析
軍事考試
軍事考試
鐵路特考 » 佐級(電子工程) » 歷屆題庫 » 106年 » 電子學大意
單選題
每題2.5分
1. 下圖是一矽場效電晶體(Si FET)元件的剖面結構,各層使用不同材料,圖中僅標示某假想製程厚度,此電晶體的臨界電壓(threshold voltage)的絕對值為| V
th
|=0.5V。V
D1
=2V,V
D2
=-2V,V
D
=2V,V
E
=-2V。試由此結構剖面判斷此電晶體的類型為下列何者?
(A)N-channel MOSFET(N通道金氧半場效電晶體)
(B)P-channel MOSFET(P通道金氧半場效電晶體)
(C)CMOSFET(互補式金氧半場效電晶體)
(D)FIN FET(鰭式場效電晶體)。
2. 如圖所示之電路,OP AMP為理想。求v
o
/v
i
:
(A)-1/4
(B)-1/3
(C)-1
(D)-3。
3. CMOS場效電晶體是採用何種場效電晶體製作成的?
(A)PN接合型場效電晶體
(B)MOS空乏型場效電晶體
(C)MOS增強型場效電晶體
(D)各型場效電晶體都可以。
4. 在高頻電路上若需要獲得最大的頻寬與電壓增益,應選擇下列那一種放大器組態?
(A)共閘極組態
(B)共源極組態
(C)共汲極組態
(D)都可以。
5. 一個正脈波(窄幅波)中,高、低電位各為6伏特與1伏特,對應之工作週期分別為20%與80%。問此正脈波的平均電壓為多少?
(A)1伏特
(B)2伏特
(C)5伏特
(D)6伏特。
6. 有一JFET,其I
DSS
=12mA,V
GS(off)
=-4V,則在偏壓點V
GS
=-1.5V時,此JFET的g
m
值為何?
(A)7.5毫姆歐
(B)7.5毫歐姆
(C)3.75毫姆歐
(D)3.75毫歐姆。
7. 如圖所示為雙極性電晶體Q接成共射極組態,若逆向飽和電流為I
CBO
且電流增益為β,試問電晶體Q的截止條件為何?
(A)i
B
=0,i
C
=0,i
E
=-I
CBO
(B)i
E
=0,i
C
=I
CBO
,i
B
=-I
CBO
(C)i
B
=0,i
C
=βI
CBO
,i
E
=-(1+β)I
CBO
(D)i
B
=-I
CBO
,i
C
=I
CBO
,i
E
=(1+β)I
CBO
。
8. 有一共汲極放大器(common-drain amplifier),其增益為A=0.9,且C
gs
=50fF,C
gd
=10fF,則其輸入電容(input capacitance)應為多少fF?
(A)510
(B)90
(C)45
(D)15。
9. 下列有關FET與BJT特性比較的敘述,何者最為正確?
(A)BJT雜訊較低
(B)FET輸入阻抗較高
(C)BJT高頻響應較差
(D)FET增益頻寬的乘積較BJT為大。
10. 當理想運算放大器接成電壓隨耦器(voltage follower)應用時,下列敘述何者錯誤?
(A)電壓增益為1
(B)輸入阻抗為無窮大
(C)輸出端接至運算放大器的同相輸入端
(D)輸出阻抗為零。
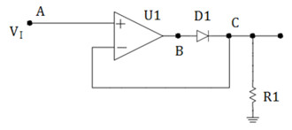
11. 有一放大器電路如圖所示,放大器U1為理想運算放大器,其輸出電壓範圍侷限在+10V與-10V之間,二極體D1順向電壓V
D0
=0.7V。若電阻R1=1kΩ,電源V
I
=-5V,試問節點B的電壓V
B
應落在下列何範圍內?
(A)V
B
≧-4.0V
(B)-4.0V>V
B
≧-4.5V
(C)-4.5V>V
B
≧-5.0V
(D)-5.0V>V
B
。
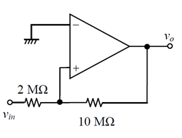
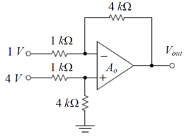
12. 如圖所示之電路,運算放大器為理想,求此電路之輸出電壓值為何?
(A)8V
(B)10V
(C)12V
(D)14V。
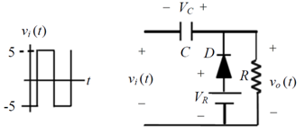
13. 如圖之箝位電路(D為理想二極體,RC時間常數為無限大),輸入矩形週期波v
i
(t)後,得到直流準位為2伏特之輸出信號,則偏壓電源V
R
應為多少?
(A)-3V
(B)-2V
(C)2V
(D)3V。
14. 如圖所示之電路,假設輸入電壓V
in
為-5V,且所有的二極體皆為理想,輸出電壓V
out
為何?
(A)0V
(B)-5V
(C)-3V
(D)-2V。
15. 如圖所示為一箝位電路,若P
D(max)
為稽納二極體可承受的最大消耗功率值,則稽納二極體最大容許電流I
Z(max)
為何?
(A)10mA
(B)25mA
(C)50mA
(D)500mA。
16. 如圖所示之電路,若D為理想二極體,其輸出波形V
o
為何?
(A)
(B)
(C)
(D)
17. 圖中二極體D1之導通電壓為0.7V,導通電阻為0Ω,若輸入電壓v
s
(t)=3sin 5t伏特,R
s
=100Ω,則t=(3π/10)時,i=?
(A)37mA
(B)23mA
(C)-23mA
(D)-37mA。
18. 如圖所示之電路,假設二極體之壓降為0.7V,則此電路之輸入電壓v
in
-輸出電壓v
out
之特性曲線最有可能為下列何者?
(A)
(B)
(C)
(D)
19. 如圖所示之電路,若二極體之壓降為0.7V且RC時間常數很大,則其穩態輸出電壓之最低電壓值為何?
(A)4.3V
(B)5.7V
(C)-14.3V
(D)-15.7V。
20. 圖示理想運算放大器電路中,二極體導通的電壓降為0.7V,電壓v
O
為若干?
(A)-3V
(B)-1.5V
(C)0V
(D)3V。
21. 下列何種電子電路常使用齊納(Zener)二極體?
(A)濾波
(B)發光
(C)放大
(D)穩壓。
22. 如圖所示電路,U1為理想運算放大器。假設二極體導通電壓V
D0
=0.7V。已知電阻R1=1kΩ、R2=2kΩ。對於輸出與輸入電壓之間的轉移特性,下列何者正確?
(A)
(B)
(C)
(D)
23. 如圖所示之電路,其中電晶體之參數為β=100,V
T
=26mV且V
BE(on)
=0.7V,求其小信號輸入電阻R
i
之值為何?
(A)0.069kΩ
(B)1.369kΩ
(C)1.769kΩ
(D)2.169kΩ。
24. 關於共閘極(CG)與共源極放大器(CS)的特性比較,下列敘述何者正確?
(A)共閘極放大器有較大的電壓增益
(B)共源極放大器有較大的頻寬
(C)共閘極放大器有較低的輸出阻抗
(D)共源極放大器有較大的輸入阻抗。
25. CMOS場效電晶體的輸出端通常會連接由MOSFET所組成的邏輯電路,其中可能造成CMOS輸出響應的傳輸延遲(propagation delay)主要受到MOSFET內部那個因素影響?
(A)輸出電阻
(B)輸入電阻
(C)輸出電容
(D)輸入電容。
26. 圖中電晶體M1操作在飽和區(saturation region),輸出阻抗r
o
=10kΩ,轉導值g
m
=10mA/V。電流源I的內阻為10kΩ,且負載電阻R
L
亦為10kΩ。則| v
o
/v
s
|=?
(A)100/103
(B)1
(C)9/10
(D)100/3。
27. 圖中電晶體操作在主動區(forward active region),β=99。直流偏壓為V
B
,交流輸入信號為v
s
,輸出信號為v
o1
及v
o2
。下列敘述何者正確?
(A)v
o1
及v
o2
為同相(in phase)輸出
(B)| v
o1
/v
o2
|=100/99
(C)| v
o1
/v
o2
|=99/100
(D)| v
o1
/v
o2
|=1。
28. 如圖所示之電晶體放大器電路中增強型MOSFET的相關參數為μ
n
C
ox
(W/L)=2mA/V
2
和臨界電壓V
th
=1V,測得輸出直流偏壓電壓V
o
=V
DSQ
=6V,該偏壓下電晶體的小信號互導g
m
約為多少?
(A)0.4mA/V
(B)2mA/V
(C)4mA/V
(D)10mA/V。
29. 固定偏壓電路中電晶體基-射極導通時所跨定壓降為V
BEQ
=0.7V,求該電晶體的輸出直流電壓V
CEQ
約為多少?
(A)8V
(B)6V
(C)5V
(D)4V。
30. 下列差動放大器的共模拒斥比(CMRR)的敘述,何者正確?
(A)與共模放大增益成正比
(B)與差模放大增益成反比
(C)越小越好
(D)越大越好。
31. 設場效電晶體之動態電阻定義為r
d
=△v
DS
/△i
D
(at △v
GS
=0),今有兩個完全相同的場效電晶體,其動態電阻原皆為r
d
,今將其並聯連接後之動態電阻變成:
(A)∞
(B)2r
d
(C)r
d
(D)0.5r
d
。
32. 如圖之差動對電路,電晶體之β=100,r
o
→∞,R
C
=4kΩ,I=2mA,V
CC
=-V
EE
=10V,取V
BE(on)
=0.7V,V
CE(sat)
=0.3V,V
T
=25mV,此差動對的差動電壓增益| Ad |約為多大?
(A)0
(B)80V/V
(C)160V/V
(D)200V/V。
33. 雙極性電晶體內部電容因米勒效應(Miller Effect)會影響放大器的何種特性?
(A)高頻響應
(B)中頻增益
(C)溫度係數
(D)低頻響應。
34. 如圖所示由兩個理想OPA構成的波形產生電路,測得v
O1
的頻率與振幅分別為f
1
與V
m1
,而v
O2
的頻率與振幅則分別為f
2
與V
m2
,如果只有R
2
的阻值變為原來的2倍,則下列敘述何者正確?
(A)v
O1
的頻率仍為f
1
(B)v
O1
的振幅為2V
m1
(C)v
O2
的頻率仍為f
2
(D)v
O2
的振幅為2V
m2
。
35. CB-CE串級放大電路中電晶體之β
1
=β
2
=100,各級放大電路中的射極直流偏壓電流均為2.5mA,且第2級放大電路的輸入電阻R
i2
=20kΩ,決定該串級放大電路的總電壓增益大小約為多少?熱電壓V
T
=25mV。
(A)80
(B)200
(C)240
(D)360。
36. 如圖變壓器交連電晶體放大器,若電晶體Q的電流增益為β=100,Is=10mA,熱電壓(thermal voltage)V
T
=25mV,圈數比n=10;試求由負載端R
L
側看入的輸出阻抗R
o
約為多少?
(A)250mΩ
(B)25mΩ
(C)2.5mΩ
(D)0.25mΩ。
37. 如圖直接耦合串級放大器電路中,已知電晶體Q
1
和Q
2
的電流增益分別為β
1
=50和β
2
=100,若Q
1
和Q
2
的V
BE
都是0.7V且輸出阻抗r
o
不計,試求電晶體Q
1
的射極電流I
E1
約為多少?
(A)50μA
(B)100μA
(C)5mA
(D)10mA。
38. 如圖所示為一施密特(Schmitt)觸發器。OP AMP輸出的上下限為±12V。若要使輸出由正轉負時,v
in
應到達何值?
(A)-2.4V
(B)0V
(C)1.2V
(D)2.4V。
39. 某二階帶通濾波器的中心頻率為10
6
rad/s,中心頻率的增益為10,3dB的頻寬為10
3
rad/s,求其品質因素值(Q-factor)為何?
(A)10
2
(B)10
3
(C)10
4
(D)10
5
。
40. 圖示放大器電路中的電容C
S
主要功用為何?
(A)提升輸入阻抗
(B)提升電壓增益
(C)提升高頻3dB截止頻率
(D)頻率補償。