Toggle navigation
最新消息
線上論壇
考古題
常見問題
帳號申請
忘記密碼
題庫分類
公職考試
鐵路特考
高普考
初等五等
地方特考(三、四等)
一般/警察特考
司法特考
移民特考
關務特考
民航特考
調查局
海巡特考
稅務特考/國稅局約僱人員
身障特考
外交特考
機關就業
經濟部國營事業聯合招考
國營臺鐵公司
捷運公司
台電新進雇員
自來水公司評價人員
中油公司
中鋼公司
中華郵政
中華電信
臺灣菸酒
臺灣港務
臺鐵營運人員
農會
漁會
農田水利
環保局清潔隊員、稽查員
公路監理
台糖
臺北自來水
經濟部工業局
公幼教保人員
證券類
證券商業務員
證券商高級業務員
期貨商業務員
投信投顧業務員
企業內部控制
股務人員
票券商業務員
證券分析師
金融市場常識與職業道德
債券人員
銀行類
NEW!!! 高齡金融規劃顧問師資格測驗
金融人員基礎學科測驗(FIT)
金融科技力知識證照
理財規劃人員證照
信託業務人員證照
銀行內部控制與內部稽核證照(一般金融)
初階授信人員證照
初階外匯人員證照
銀行內部控制與內部稽核證照(消費金融)
公民銀行招考(一般金融組)
公民銀行招考(共同科目)
公民銀行招考(儲備人員)
公民銀行招考(工員)
證照類
導遊領隊人員
不動產經紀人
地政士
消防設備人員
門市服務丙級技術士
保險類
投資型保險業務員
人身保險代理人
財產保險經紀人
財會類
記帳士
會計事務技術士乙級
中小企財務人員
會計事務技術士丙級
國貿類
國貿業務技術士乙級
國貿大會考
國貿業務技術士丙級
專責報關人員
兩岸暨東協經貿商務人才
升學考試
警專正期班
四技二專
升大分科測驗
模擬考試
警專正期班第36期線上模擬考試(完整版)
警專考試能力測驗分析
軍事考試
軍事考試
鐵路特考 » 佐級(電力工程) » 歷屆題庫 » 106年 » 電工機械大意
單選題
每題2.5分
1. 單相變壓器一次側的繞組匝數為2100匝,一次側的額定電壓為3300V,若二次側的額定電壓為110V,則此二次側的繞組匝數為:
(A)220匝
(B)110匝
(C)90匝
(D)70匝。
2. 單相變壓器的額定容量為50kVA,額定電壓及頻率的鐵心損失為540W,額定電流的銅損為700W,若在額定條件操作且功率因數為0.8,則此變壓器的效率約為:
(A)0.99
(B)0.97
(C)0.95
(D)0.93。
3. 有關變壓器的短路實驗的敘述,下列何者正確?
(A)一次側繞組短路,二次側繞組加入額定電壓
(B)一次側繞組開路,二次側繞組加入額定電流
(C)一次側繞組短路,二次側繞組加入額定電流
(D)一次側繞組開路,二次側繞組加入額定電壓。
4. 某單相變壓器額定為1000kVA,2400V/240V,若以額定容量及電壓為基值的變壓器等效串聯阻抗為(0.05+j0.08)標么,則等效至高壓側的實際值為:
(A)(0.576+j57.6)Ω
(B)(2.88+j4.61)Ω
(C)(0.0288+j0.046)Ω
(D)(0.288+j0.461)Ω。
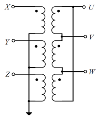
5. 某單相變壓器額定為100kVA,3300V/220V。用三個單相變壓器接成三相變壓器,若高壓側為Y接,低壓側為Δ接,欲使低壓側輸出的線電壓為220V,則高壓側電源的線電壓為:
(A)3300V
(B)
(C)3300/3V
(D)
。
6. 某變壓器的無載電壓為240V,滿載時電壓為220V,則此變壓器的電壓調整率為:
(A)0.10
(B)0.09
(C)0.08
(D)0.07。
7. 一部額定100VA、110V/10V的雙繞組變壓器,連接成自耦變壓器如下圖所示,如果輸入電壓V
in
為110V,則輸出電壓V
out
為:
(A)100V
(B)120V
(C)
(D)
。
8. 額定3kVA、300V/200V之雙繞組變壓器,如果連接成500V/200V之自耦變壓器,自500V電源供應200V之負載,該自耦變壓器的容量為:
(A)3kVA
(B)5kVA
(C)7.5kVA
(D)10kVA。
9. 比流器(current transformer)二次側電流的標準額定值為:
(A)1A
(B)3A
(C)5A
(D)7A。
10. 變壓器之開路試驗,可測定下列何項損失?
(A)銅損
(B)鐵損
(C)旋轉損
(D)風損。
11. 原額定750kVA、380V/220V、50Hz的單相電力變壓器,如果要使用在60Hz的配電系統,若變壓器繞組的電流上限值及鐵心的最大磁通量保持不變,則該變壓器在60Hz時之容量為:
(A)750kVA
(B)800kVA
(C)850kVA
(D)900kVA。
12. 電感的磁路總磁阻為5×10
6?
(1/H),電感的繞組匝數為100匝,電感的電流為20A,則此電感儲存能量為:
(A)0.6焦耳
(B)0.5焦耳
(C)0.4焦耳
(D)0.3焦耳。
13. 三部單相變壓器連接成下圖的電路,試問此種連接方法為何?
(A)Δ-Δ接法
(B)Y-Δ接法
(C)V-V接法
(D)Y-Y接法。
14. 下列何者不是改善直流電機「電樞反應」的方法?
(A)適當的移動電刷位置
(B)使用中間極
(C)使用補償繞組
(D)使用半導體整流器。
15. 在直流電機中,電刷的作用為:
(A)導磁
(B)與換向片接觸以引導電流
(C)潤滑轉子軸承
(D)增加絕緣耐力。
16. 直流發電機的外部特性曲線為:
(A)磁場電流與感應電勢的關係
(B)磁場電流與輸出電流的關係
(C)輸出電流與感應電勢的關係
(D)輸出電流與輸出電壓的關係。
17. 某永磁式直流電動機的電樞電阻為0.4Ω,若直流電源電壓為12V,則啟動時的電樞電流為:
(A)30A
(B)20A
(C)10A
(D)5A。
18. 他激式(separately excited)直流電動機的激磁場磁通量維持固定,其電磁轉矩與電樞電流的關係為:
(A)電磁轉矩與電樞電流成平方正比
(B)電磁轉矩與電樞電流成平方反比
(C)電磁轉矩與電樞電流成反比
(D)電磁轉矩與電樞電流成正比。
19. 他激式(separately excited)直流電動機的電樞電阻為0.25Ω,當直流電源電壓為100V時,電樞電流為20A,則此電動機的電磁轉換功率為:
(A)3100W
(B)2100W
(C)1900W
(D)1100W。
20. 某永磁式直流電動機的電樞電阻為1Ω(換向片與碳刷的接觸電阻忽略不計),電源電壓為12V,轉速為1200轉/分,電樞電流為2A;當機械負載轉矩增加,電源電壓維持固定,電樞電流增加為4A,則轉速為:
(A)1300轉/分
(B)1200轉/分
(C)1100轉/分
(D)960轉/分。
21. 有關同步發電機的開路試驗,下列敘述何者正確?
(A)在無載及額定轉速下,量測電樞端電壓與激磁電流的關係
(B)在滿載及額定轉速下,量測電樞電流與激磁電流的關係
(C)在無載及額定轉速下,量測電樞電流與激磁電流的關係
(D)在滿載及額定轉速下,量測電樞端電壓與激磁電流的關係。
22. 三相同步電動機的轉子磁極數為30極,若輸入電源頻率為50Hz,則轉速為:
(A)1800轉/分
(B)1500轉/分
(C)240轉/分
(D)200轉/分。
23. 直流激磁型的同步發電機,若忽略磁飽和,且轉速固定,則激磁場電流與無載時端電壓的關係為:
(A)成正比
(B)成反比
(C)成平方正比
(D)平方反比。
24. 有關水力發電廠與火力發電廠的比較,下列何者正確?
(A)水力發電廠的水輪機轉速低,因此發電機的極數較多
(B)火力發電廠的蒸汽渦輪機轉速高,因此發電機的極數較多
(C)水力發電廠的水輪機轉速高,因此發電機的極數較多
(D)火力發電廠的蒸汽渦輪機轉速低,因此發電機的極數較多。
25. 一部三相同步電動機工作於單位功因,其端電壓及磁場電流保持不變,當機械負載增加時,下列敘述何項為正確?
(A)電樞電流增加,相位超前
(B)電樞電流減少,相位落後
(C)電樞電流增加,相位落後
(D)電樞電流減少,相位超前。
26. 一部三相同步電動機工作於定電壓下並輸出固定的機械功率,調整其激磁電流,當電樞電流達到最小值時,此電動機的功率因數為:
(A)落後
(B)1.0
(C)超前
(D)負值。
27. 下列何者不是兩部同步發電機並聯的條件?
(A)兩發電機之極數相同
(B)兩發電機之相位相同
(C)兩發電機之相序相同
(D)兩發電機端電壓之大小相同。
28. 一部三相480V(線電壓),Y接之同步發電機,每相同步電抗1.0Ω,額定電流60A,無載時調整激磁電流使發電機的端壓為480V,當發電機供應單位功率因數的額定電流時,發電機之端壓(線電壓)為:
(A)499V
(B)485V
(C)469V
(D)420V。
29. 凸極式同步電動機的直軸同步電抗X
d
及交軸同步電抗X
q
,兩者之間的關係是何者?
(A)X
d
>X
q
(B)X
d
=X
q
(C)X
d
<X
q
(D)X
d
=
。
30. 一部三相感應電動機的轉差率為0.02時,若其轉子銅損為150W,則該感應機的氣隙功率為:
(A)150W
(B)7.5kW
(C)9kW
(D)10kW。
31. 三相感應電動機在啟動時轉子採用Y接接線,運轉時採用Δ接接線,其主要目的為:
(A)提高啟動轉矩
(B)提高啟動電流
(C)提高轉速
(D)降低啟動電流。
32. 原Δ接、全壓啟動的三相感應電動機,改以Y-Δ啟動時,下列何者正確?
(A)啟動電流變大
(B)啟動轉矩變小
(C)電動機的極數減半
(D)電動機啟動時的功率因數變為超前。
33. 欲使一部三相鼠籠式感應電動機逆轉,可用下列那一種方法?
(A)將三相電源線任意調換兩條
(B)將三相電源線任意切斷一條
(C)將三相電源線任意切斷兩條
(D)將三相電源線任一條線串接一電容器。
34. 三相四極60Hz的感應電動機運轉於1710rpm,此時之轉差率為:
(A)-0.04
(B)0.3
(C)0.05
(D)1.0。
35. 額定60Hz、5馬力、四極、220V之三相感應電動機,轉速為1746rpm,則其轉子電流的頻率為:
(A)1.8Hz
(B)60Hz
(C)58.2Hz
(D)120Hz。
36. 下列何者不是測定三相感應電動機等效電路參數的試驗?
(A)定子電阻直流測試
(B)堵轉試驗
(C)空轉試驗
(D)短路試驗。
37. 在繞線式感應電動機中,插入電阻於轉子電路的目的是何者?
(A)提升散熱能力
(B)提高啟動轉矩
(C)提高運轉效率
(D)降低振動頻率。
38. 一部三相、四極、60Hz之感應電動機,原運轉於1730rpm,若以外力使其加速運轉至1860rpm,此電動機之運轉模式為何?
(A)運轉於發電機區
(B)運轉於電動機區
(C)運轉於拴鎖煞車區
(D)轉差率為1。
39. 雙電容單相感應電動機之電路如下圖所示,如果要讓電動機逆轉,可用下列何者方式?
(A)將電容器C
1
及C
2
對調
(B)將開關SW開啟
(C)將主繞組及輔助繞組同時反接
(D)僅將輔助繞組反接。
40. 實施三相感應電動機的空轉試驗時,轉差率為:
(A)介於1與2之間
(B)負值
(C)接近零
(D)1。