Toggle navigation
最新消息
線上論壇
考古題
常見問題
帳號申請
忘記密碼
題庫分類
公職考試
鐵路特考
高普考
初等五等
地方特考(三、四等)
一般/警察特考
司法特考
移民特考
關務特考
民航特考
調查局
海巡特考
稅務特考/國稅局約僱人員
身障特考
外交特考
機關就業
經濟部國營事業聯合招考
臺鐵公司
捷運公司
台電新進雇員
自來水公司評價人員
中油公司
中鋼公司
中華郵政
中華電信
臺灣菸酒
臺灣港務
臺鐵營運人員
農會
漁會
農田水利
環保局清潔隊員、稽查員
公路監理
台糖
臺北自來水
經濟部工業局
公幼教保人員
證券類
證券商業務員
證券商高級業務員
期貨商業務員
投信投顧業務員
企業內部控制
股務人員
票券商業務員
證券分析師
金融市場常識與職業道德
債券人員
銀行類
NEW!!! 高齡金融規劃顧問師資格測驗
金融人員基礎學科測驗(FIT)
金融科技力知識證照
理財規劃人員證照
信託業務人員證照
銀行內部控制與內部稽核證照(一般金融)
初階授信人員證照
初階外匯人員證照
銀行內部控制與內部稽核證照(消費金融)
公民銀行招考(一般金融組)
公民銀行招考(共同科目)
公民銀行招考(儲備人員)
公民銀行招考(工員)
證照類
導遊領隊人員
不動產經紀人
地政士
消防設備人員
門市服務丙級技術士
保險類
投資型保險業務員
人身保險代理人
財產保險經紀人
財會類
記帳士
會計事務技術士乙級
中小企財務人員
會計事務技術士丙級
國貿類
國貿業務技術士乙級
國貿大會考
國貿業務技術士丙級
專責報關人員
兩岸暨東協經貿商務人才
升學考試
警專正期班
四技二專
升大分科測驗
模擬考試
警專正期班第36期線上模擬考試(完整版)
警專考試能力測驗分析
軍事考試
軍事考試
台電新進雇員 » ☆考前最後衝刺☆ 歷屆試題隨機成卷,打破備考慣性 » 試題 » 電工機械 » (收錄105年~111年歷屆試題,每次隨機抽取50題)
單選題
每題2分
1. 有一部三相4極、220V、60Hz、10Hp的感應電動機,若採用直接起動,則起動電流為180A,起動轉矩為60N-m。若改為Y-△降壓起動,請問起動電流(I
s(Y)
)與起動轉矩(T
s(Y)
)分別為何? (106年度考題)
(A)I
s(Y)
=120A、T
s(Y)
=20N-m
(B)I
s(Y)
=60A、T
s(Y)
=20N-m
(C)I
s(Y)
=60A、T
s(Y)
=60N-m
(D)I
s(Y)
=180A、T
s(Y)
=60N-m。
2. 某Y接之三相同步發電機供應三相負載,發電機每相之感應電勢為220∠0° V,在忽略電樞電阻情況下,負載端之相電壓為200∠-30° V。已知發電機輸出之三相功率為3kW,則此同步發電機每相之同步電抗值為多少? (108年度考題)
(A)11Ω
(B)22Ω
(C)36Ω
(D)44Ω。
3. 某8極、Y接之三相同步發電機,轉速為1200rpm,電樞繞組每相匝數為50匝,每極磁通量為0.04Wb,若感應電勢為正弦波,則此發電機每相感應電勢有效值約為多少? (108年度考題)
(A)710V
(B)500V
(C)355V
(D)250V。
4. 三相感應電動機之再生制動係利用下列何種方式達成? (110年度考題)
(A)定子輸入直流激磁電流
(B)使轉子轉速大於同步轉速
(C)將電源任二相反接
(D)定子接三相可變電阻。
5. 有二台三相繞線式感應電動機之極數各為20及4,今欲接成串聯制速,若電源頻率為60Hz,請問此二部機做相差串激時(二部機之定子磁場方向相反),其同步轉速為多少rpm? (105年度考題)
(A)300
(B)360
(C)450
(D)1800。
6. 有一台100kVA電源電壓15kV,頻率50Hz之變壓器,其磁滯損為200W、渦流損為100W,若改接在18kV,頻率60Hz之電源,則磁滯損與渦流損之總和為多少W? (106年度考題)
(A)320
(B)384
(C)408
(D)489.6。
7. 直流分激式電動機起動時,加起動電阻器之目的為何? (106年度考題)
(A)降低磁場電流
(B)增加起動轉矩
(C)增加電樞轉速
(D)降低電樞電流。
8. 繞線式轉子三相感應電動機,若在轉子串聯電阻起動時,下列何者正確? (106年度考題)
(A)可限制起動電流,但起動轉矩變小
(B)可限制起動電流,並可加大起動轉矩
(C)可限制起動電流,但與轉矩之大小無關
(D)起動電流與起動轉矩均加大。
9. 某一額定輸出100kVA之單相變壓器,供給一功率因數為1.0之負載,於半載時效率最大,今若改為供給功率因數為0.8之負載,欲使其效率亦為最大,試求此時所能提供之負載為多少? (107年度考題)
(A)20kW
(B)40kW
(C)60kW
(D)80kW。
10. 某一電流表配合200/5A之比流器,量測某線路電流,若電流表之讀值為1.25A,則此時之線路電流應為多少? (108年度考題)
(A)5A
(B)30A
(C)50A
(D)120A。
11. 一根帶有15A之導線,其中有80cm置於磁通密度為1Wb/m
2
之磁場中,若導體放置的位置與磁場夾角為30°,則導體所受電磁力為多少牛頓? (109年度考題)
(A)50
(B)20
(C)10
(D)6。
12. 一台120V直流分激電動機,其電樞電阻為0.2Ω,電刷壓降為2V,額定電源電流為75A,場電阻為30Ω,若欲限制啟動電流為額定電流的150%,則應串聯之啟動電阻為何? (110年度考題)
(A)1.09Ω
(B)0.89Ω
(C)0.85Ω
(D)0.95Ω。
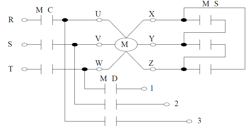
13. 圖為三相感應電動機之Y-△起動之主電路,未完成部分之正確接線應為下列何者?
(106年度考題)
(A)1接X、2接Y、3接Z
(B)1接Z、2接X、3接Y
(C)1接Y、2接X、3接Z
(D)1接Y、2接Z、3接X。
14. 單相變壓器的高壓側線圈有800匝,低壓側線圈有20匝,若高壓側額定電壓為22kV,低壓側額定電流為10A,則變壓器的額定容量為多少? (107年度考題)
(A)4.0kVA
(B)4.5kVA
(C)5.0kVA
(D)5.5kVA。
15. 一台交流發電機使用
節距繞組時,其節距因數K
p
為多少? (107年度考題)
(A)cos 10°
(B)cos 20°
(C)sin 10°
(D)sin 20°。
16. 某交流同步發電機,若頻率為60Hz,轉速為30rps,則該機極數為多少? (106年度考題)
(A)2
(B)4
(C)6
(D)240。
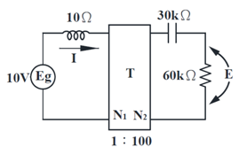
17. 有一台4400/110V、100kVA三相變壓器,銘牌上註明其阻抗百分比為5%,試求變壓器高壓側阻抗為多少Ω?(計算至小數點第二位,以下四捨五入) (105年度考題)
(A)1.21
(B)2.42
(C)4.84
(D)9.68。
18. 有一4極直流發電機100kW、250V單式疊繞,則導體中之電流為多少安培(A)? (109年度考題)
(A)200
(B)100
(C)50
(D)25。
19. 為改善直流發電機電樞內部各疊繞線圈因材質不均勻或匝數差異,造成各並聯路徑感應電勢不同而引起環流,通常在繞組中加裝? (106年度考題)
(A)補償繞組
(B)均壓線
(C)虛設線圈
(D)中間極繞組。
20. 三相感應電動機無載運轉時,若欲提升其轉速,可以提升下列何者? (111年度考題)
(A)減少電源頻率
(B)增加電源頻率
(C)減少電源電壓
(D)增加電源電壓。
21. 有一8極直流發電機,電樞導體有1500根,並聯電流路徑為4,磁通有2✕10
-3
Wb,則當電樞轉速為1800rpm時,試求所產生感應電勢為多少V? (106年度考題)
(A)150
(B)180
(C)210
(D)240。
22. 一台4極三相感應電動機以變頻器驅動,轉速為950rpm,此時電動機之轉差率為5%,則變頻器輸出之電源頻率約為多少? (107年度考題)
(A)90.5Hz
(B)60.3Hz
(C)33.3Hz
(D)11.5Hz。
23. 有一同步發電機絕緣材料使用等級H,則等級H最高耐溫為幾度C? (111年度考題)
(A)90
(B)130
(C)180
(D)155。
24. 一台直流串激式發電機,無載感應電動勢為115V,電樞電阻為0.2Ω,串激場電阻為0.1Ω,當電樞電流為50A時,若忽略電刷壓降,則此發電機輸出功率為何? (110年度考題)
(A)8000W
(B)7000W
(C)6000W
(D)5000W。
25. 有關交流同步發電機之敘述,下列何者有誤? (108年度考題)
(A)電樞電壓為交流電
(B)負載端電壓為交流電
(C)旋轉磁場切割靜止導體產生感應電勢
(D)需要換向片。
26. 三相感應電動機之轉部(Rotor)中,若加一電阻,則其最大轉矩會產生何種改變? (111年度考題)
(A)增大
(B)不變
(C)變小
(D)先變大後變小。
27. 某同步發電機在無載時輸出端電壓為300V,當滿載時其輸出端電壓降為250V,則此同步發電機之電壓調整率約為多少? (106年度考題)
(A)12%
(B)16%
(C)20%
(D)24%。
28. 某25kVA,3300/110V,60Hz之單相變壓器,在額定電壓及電流下運轉時,其渦流損為30W,磁滯損為50W,銅損為200W。試求在一次側電壓仍為3300V時,改變電源頻率為50Hz,則此變壓器之渦流損、磁滯損及銅損各為多少? (108年度考題)
(A)30W、60W、200W
(B)36W、60W、200W
(C)30W、60W、240W
(D)30W、50W、200W。
29. 一台2400V、2500kVA的發電機提供2500kVA,PF=0.8的負載,其風損為25kW,鐵損45kW,銅損為30kW,則此發電機效率約為多少? (107年度考題)
(A)95.2%
(B)94.2%
(C)93.2%
(D)92.2%。
30. 兩極直流發電機採單分疊繞,每極磁通量0.8韋伯,電樞共有12根導體,其轉速為600rpm,試問其兩電刷間產生之電壓為何? (110年度考題)
(A)96V
(B)120V
(C)192V
(D)384V。
31. 下列何者不是同步發電機並聯運轉之條件? (108年度考題)
(A)感應電勢大小相同
(B)發電機極數相同
(C)感應電勢頻率相同
(D)感應電勢相位角相同。
32. 一台分激式直流發電機,若滿載電壓為120V,電壓調整率為5%,則無載電壓為多少? (107年度考題)
(A)132V
(B)126V
(C)120V
(D)114V。
33. 同步電動機每相所產生之轉矩,與機械功率之關係為何? (111年度考題)
(A)成平方反比
(B)成平方正比
(C)成反比
(D)成正比。
34. 有一台六極50Hz、950rpm之單相感應電動機,依雙旋轉磁場論,正轉磁場轉差率與反轉磁場轉差率各為多少? (105年度考題)
(A)0.05、1.95
(B)0.05、0.9
(C)0.1、0.9
(D)0.1、1.95。
35. 某變壓器之一次側繞組匝數為N1,二次側繞組匝數為N2,則二次側電阻R2換算至一次側之等效電阻值為何? (111年度考題)
(A)(N2/N1)
2
×R2
(B)(N1/N2)
2
×R2
(C)(N1/N2)
4
×R2
(D)(N2/N1)
4
×R2。
36. 下列何者為三相感應電動機之理想啟動狀況? (109年度考題)
(A)啟動轉矩大、啟動電流大
(B)啟動轉矩小、啟動電流小
(C)啟動轉矩小、啟動電流大
(D)啟動轉矩大、啟動電流小。
37. 有一台6極,頻率60Hz三相同步發電機,定子共有36槽,其分佈因數K
d
,下列敘述何者正確? (109年度考題)
(A)K
d
=
(B)K
d
=
(C)K
d
=sin45°
(D)K
d
=sin150°。
38. 同步發電機的負載角定義,下列何者正確? (106年度考題)
(A)應電勢與端電壓之夾角
(B)同步阻抗與電樞阻抗之夾角
(C)端電壓與同步阻抗之夾角
(D)端電壓與負載電流之夾角。
39. 有一台四極、400V、三相感應電動機,滿載電流為10A及滿載功率因數為0.8,請問滿載運轉時,從系統吸收多少虛功(VAR)?(
=1.73計算) (105年度考題)
(A)4000
(B)4152
(C)4304
(D)4456。
40. 一台三相11.4kV/220V,500kVA轉速電抗為6%之變壓器,與功率因數為0.8落後之500kVA三相電力負載,欲將功率因素提高為1,試求所需並聯電容器之三相總容量約為多少kVAR? (109年度考題)
(A)200
(B)240
(C)260
(D)330。
41. 一台4極200V,60Hz,1800W之三相感應電動機,若半載時轉速為1710rpm,機械損失為100W,請問半載時的氣隙功率為多少? (107年度考題)
(A)2100W
(B)2000W
(C)1900W
(D)1800W。
42. 下列何種試驗可測量出三相感應電動機之全部銅損? (111年度考題)
(A)滿載試驗
(B)溫度試驗
(C)無載試驗
(D)堵住試驗。
43. 變壓器矽鋼片鐵心含矽主要目的為何? (109年度考題)
(A)提高導磁係數
(B)提高鐵心延伸度
(C)提升絕緣
(D)減少銅損。
44. 當串激直流電動機電樞電流為30A時,產生的轉矩為40牛頓‧公尺,若電樞電流降為15A時,則轉矩變為多少? (110年度考題)
(A)10牛頓‧公尺
(B)20牛頓‧公尺
(C)30牛頓‧公尺
(D)40牛頓‧公尺。(A)(B)
45. 將額定為60Hz之變壓器接於50Hz電源,則其對鐵心內磁通密度的影響為何? (109年度考題)
(A)減少約20%
(B)增加約20%
(C)減少約10%
(D)增加約10%。
46. 一台220V,4極60Hz之三相感應電動機,改接在電壓為220V,頻率為50Hz使用,請問磁通量變為原來的幾倍? (107年度考題)
(A)0.83倍
(B)1倍
(C)1.2倍
(D)1.5倍。
47. 一台6極三相感應電動機,其定子為36槽,繞組採雙層繞,每相每極之串聯線圈數(即每組線圈數)為多少? (107年度考題)
(A)2個
(B)3個
(C)6個
(D)12個。
48. 某直流分激電動機,若其電源為200V、50A,總損失為2000W,則其效率為多少? (108年度考題)
(A)95%
(B)90%
(C)85%
(D)80%。
49. 某6極、440V、60Hz之三相Y接同步電動機,每相輸出功率為24kW,試求其總轉矩約為多少N-m? (106年度考題)
(A)600/π
(B)1200/π
(C)1800/π
(D)3600/π。
50. 有一台110V之直流分激電動機,其電樞電阻為0.3Ω,請問其產生最大機械功率時之電樞電流為多少安培?(計算至整數,以下四捨五入) (105年度考題)
(A)46
(B)92
(C)183
(D)367。