Toggle navigation
最新消息
線上論壇
考古題
常見問題
帳號申請
忘記密碼
題庫分類
公職考試
鐵路特考
高普考
初等五等
地方特考(三、四等)
一般/警察特考
司法特考
移民特考
關務特考
民航特考
調查局
海巡特考
稅務特考/國稅局約僱人員
身障特考
外交特考
機關就業
經濟部國營事業聯合招考
國營臺鐵公司
捷運公司
台電新進雇員
自來水公司評價人員
中油公司
中鋼公司
中華郵政
中華電信
臺灣菸酒
臺灣港務
臺鐵營運人員
農會
漁會
農田水利
環保局清潔隊員、稽查員
公路監理
台糖
臺北自來水
經濟部工業局
公幼教保人員
證券類
證券商業務員
證券商高級業務員
期貨商業務員
投信投顧業務員
企業內部控制
股務人員
票券商業務員
證券分析師
金融市場常識與職業道德
債券人員
銀行類
NEW!!! 高齡金融規劃顧問師資格測驗
金融人員基礎學科測驗(FIT)
金融科技力知識證照
理財規劃人員證照
信託業務人員證照
銀行內部控制與內部稽核證照(一般金融)
初階授信人員證照
初階外匯人員證照
銀行內部控制與內部稽核證照(消費金融)
公民銀行招考(一般金融組)
公民銀行招考(共同科目)
公民銀行招考(儲備人員)
公民銀行招考(工員)
證照類
導遊領隊人員
不動產經紀人
地政士
消防設備人員
門市服務丙級技術士
保險類
投資型保險業務員
人身保險代理人
財產保險經紀人
財會類
記帳士
會計事務技術士乙級
中小企財務人員
會計事務技術士丙級
國貿類
國貿業務技術士乙級
國貿大會考
國貿業務技術士丙級
專責報關人員
兩岸暨東協經貿商務人才
升學考試
警專正期班
四技二專
升大分科測驗
模擬考試
警專正期班第36期線上模擬考試(完整版)
警專考試能力測驗分析
軍事考試
軍事考試
台電新進雇員 » 專業科目 » 歷屆題庫 » 107年 » 輸配電學
單選題
每題2分
1. 下列變壓器中性點接地方式,於電力系統發生單相接地故障時,何者故障電流最大?
(A)不接地
(B)直接接地
(C)電抗接地
(D)電阻接地。
2. 所謂圓密爾是以直徑為1密爾(
吋)所決定之圓面積,其1圓密爾等於多少?(π=3.14159)
(A)506.7×10
-6
平方公分
(B)50.67×10
-6
平方公分
(C)506.7×10
-6
平方公厘
(D)50.67×10
-6
平方公厘。
3. 下列何者不是電力系統中採用的保護設備?
(A)避雷器
(B)斷路器
(C)架空地線
(D)電壓調整器。
4. 下列名詞之說明何者正確?
(A)GCB:真空斷路器
(B)XLPE:充油電纜
(C)LBS:負載啟斷開關
(D)PT:比流器。
5. 共架鐵塔線路為避免雷擊時致二回線同時跳脫,通常採用下列何種設計方式?
(A)高低絕緣方式
(B)不同接地方式
(C)不同材質導線
(D)不同線徑導線。
6. 當161kV輸電線路正常運轉,每相載流量為1790A時,其每回線送電容量約可達多少MVA?
(A)288
(B)407
(C)432
(D)499。
7. 161kV地下電纜輸電線路長10km,頻率60Hz,靜電容量為0.2μF/km,試求其無載充電電流約為多少A?
(A)121
(B)70
(C)60
(D)11。
8. 有一RLC串聯諧振電路,若電感抗(X
L
)<電容抗(X
C
)時,其電路會呈現何種特性?
(A)電容性
(B)電感性
(C)電阻性
(D)純電感性。
9. 地下電纜輸電線路用的輔助接地電纜與變電所接地網連接時,採下列何種方式接續?
(A)接地夾板固定
(B)鋁焊
(C)銅熔焊
(D)鉛焊。
10. 有關比流器二次側回路,下列敘述何者有誤?
(A)不可開路
(B)備用者須予短路,不須接地
(C)不可與AC回路混接在一起
(D)不可與DC回路混接在一起。
11. 油浸式變壓器內之絕緣油最主要功能為下列何者?
(A)升溫
(B)降溫
(C)提升效率
(D)散熱與絕緣。
12. 測距電驛之動作是利用下列何種原理?
(A)電壓與電阻之比
(B)電流與電阻之比
(C)電壓與電流之比
(D)電壓與電阻平方之比。
13. 有一純電阻性負載,若受電端視在功率不變,當電壓加倍時,其負載之無效功率變化為下列何者?
(A)不變
(B)減半
(C)加倍
(D)增加3倍。
14. 有關輸電線路降低鐵塔塔腳接地電阻,於遭受雷擊時,可抑制鐵塔電位上升,減少下列何種現象發生機會?
(A)正閃絡
(B)逆閃絡
(C)乾閃絡
(D)濕閃絡。
15. 如圖所示,為下列何種匯流排?
(A)單匯流排
(B)雙匯流排
(C)主副匯流排
(D)環狀匯流排。
16. 有關69kV級以上電力變壓器之本體保護裝置,下列何者不屬於機械接點方式跳脫?
(A)釋壓電驛
(B)突壓電驛
(C)撲氣電驛
(D)差動電驛。
17. 如圖所示,為一電力系統π型電路,其一般線路常數為A、B、C和D,請問線路常數C為下列何者?
(A)1+Y
1
Z
(B)Y
1
+Y
2
+Y
1
Y
2
Z
(C)Z
(D)1+Y
2
Z。
18. 承上(17)題,Z=1.5+j2(Ω),Y
1
=j1(?),Y
2
=j1.2(?),請問線路常數B為下列何者?
(A)1.5+j2
(B)3-j5
(C)2.4-j4
(D)3.4-j1.8。
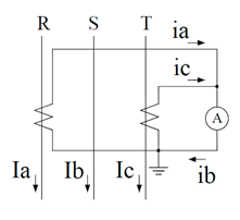
19. 如圖所示,為一平衡三相電路,利用200/5A比流器量測線路電流,若一次側電流均為
,則電流表?之讀值應為多少A?
(A)
(B)3
(C)2
(D)
。
20. 如右圖所示,為短程輸電線之向量圖,請問此圖為下列何種負載?
(A)功因落後負載
(B)單位功因負載
(C)功因超前負載
(D)純電抗性負載。
21. 下列何者為電感性負載?
(A)
(B)
(C)
(D)
22. 在電力系統中裝設避雷器之主要功用為下列何者?
(A)切斷故障電流
(B)防止設備接地
(C)防止雷擊
(D)洩放雷擊電流。
23. 三相Y-Y變壓器161kV/23kV,其二次側負載電流為800A,則一次側電流約多少A?
(A)57
(B)114
(C)228
(D)342。
24. 三台100kVA單相變壓器連接成Δ-Δ接線供應三相平衡負載,若其中一台變壓器故障後改接成V-V接線繼續供電,則可供應之負載約為多少kVA?
(A)200
(B)
(C)
(D)100。
25. 下列何種線路長度屬中程輸電線?
(A)40哩
(B)180哩
(C)240哩
(D)70哩。
26. 有一300kW,功率因數0.6的負載,欲將功率因數改善為1時,應加裝多少容量之電容器?
(A)300KVAR
(B)400KVAR
(C)500KVAR
(D)600KVAR。
27. 某工廠於功率因數為0.5落後時,其線路電力損失為36kW,若將功率因數改善為0.75落後,則改善後之線路電力損失為多少kW?
(A)16
(B)24
(C)54
(D)81。
28. 三台2400/240V之單相變壓器,其連接方式為Y-Δ接,若一次側線電流為50A,則二次側線電流為多少A?
(A)
(B)
(C)500
(D)866。
29. 為減少電力系統輸電損失,可採取下列何種措施?
(A)降低輸電電壓
(B)增加輸電線長度
(C)併用電抗器
(D)提高受電端功率因數。
30. 下列何者不是決定電力系統中輸電能力好壞的因素?
(A)導線的安全電流
(B)導線的顏色
(C)系統的穩定度
(D)線路的電壓降。
31. 有關常用材料之導電率高低,下列何者正確?
(A)銅>銀>金>鋁
(B)鋁>金>銅>銀
(C)銀>銅>金>鋁
(D)金>銅>銀>鋁。
32. 導體通過交流電流時,其截面電流密度分布不均勻,造成表面電流密度較高之現象,且該現象愈接近導體表面者愈大,頻率愈高愈顯著,此為何種效應?
(A)鄰近效應
(B)集膚效應
(C)傅倫第效應
(D)電暈效應。
33. 下列何者不是良好絕緣礙子必須具備之特性?
(A)絕緣力高
(B)質料堅固
(C)膨脹係數大
(D)洩漏電流小。
34. 下列何者不是架空導線應具備之條件?
(A)導電率高
(B)抗張力強
(C)不易彎曲
(D)經久耐用。
35. 有效功率與視在功率之比值為功率因數,其值小於或等於多少?
(A)1
(B)2
(C)3
(D)4。
36. 輸電線路裝設弧角或弧環的作用,下列何者正確?
(A)保護絕緣礙子
(B)減少線路損失
(C)增加輸電容量
(D)避免導線弧度過大。
37. 下列何者不是電力系統併聯時主要考慮因素?
(A)頻率
(B)容量
(C)相序
(D)相角。
38. 設三相輸電線路負載為120kW,功率因數為0.6落後,今欲以相同視在功率將功率因數提高到0.85落後,則能增加多少有效功率輸出?
(A)50kW
(B)60kW
(C)80kW
(D)100kW。
39. 某甲用戶之最大負載為68kW,乙用戶之最大負載為112kW,且全系統之負載為130kW,求其參差因數為下列何者?
(A)0.34
(B)0.72
(C)0.86
(D)1.38。
40. 電力系統在重載時可並聯下列何種設備,以補償線路電壓降?
(A)故障指示器
(B)電抗器
(C)電阻器
(D)電容器。
41. 提高輸配電電壓後,下列敘述何者有誤?
(A)可減少線路損失
(B)可增加線路壓降
(C)可增加輸電能力
(D)易產生電暈損失。
42. 有關保護電驛的代號,下列何者正確?
(A)27:欠壓電驛
(B)67:過壓電驛
(C)59:方向性電驛
(D)87:過流電驛。
43. 有關電力系統兩相短路故障電流的特徵,下列敘述何者正確?
(A)故障電流之正序分量、負序分量與零序分量均相同
(B)故障電流之零序分量為0
(C)故障電流為零序分量的3倍
(D)故障電流之正序分量等於負序分量。
44. 下列何者為線路發生並聯共振時之電路特性?
(A)電容性
(B)電感性
(C)電阻性
(D)純電容性。
45. 有一台變壓器12kVA,其鐵損為150W、銅損440W,一日中有10小時全負載,其餘14小時無負載,負載功率因數為1,則此變壓器全日效率約為多少%?
(A)100
(B)95.31
(C)93.75
(D)89.4。
46. 某一架空輸電線路為3層之鋼心鋁絞線,請問第2層由幾條單線所組成?
(A)7
(B)12
(C)18
(D)19。
47. 有關下列敘述何者正確?
(A)負載因數=(用電端最高負載÷用電設備容量)×100%
(B)需量因數=(最高負載÷平均負載)×100%
(C)損失因數=(最大負載電力損失÷平均電力損失)×100%
(D)重合因數=(1÷參差因數)。
48. 有一發電機之電抗(
)以發電機銘牌之額定12kV及480MVA為基準值之標么值為0.27,如將基準值改為18kV及120MVA,則新的
標么值為多少pu?
(A)0.03
(B)0.045
(C)0.1
(D)0.15。
49. 15kW之電熱器,每天使用8小時,為響應政府節能政策,每天減少使用2小時,30天可節省多少電費(假設電費每度3元)?
(A)1500元
(B)1800元
(C)2700元
(D)4500元。
50. 如圖所示,其零相序等值電路為下列何者?
(A)
(B)
(C)
(D)