題庫網logo
  • 最新消息
  • 線上論壇
  • 考古題
  • 常見問題
  • 帳號申請
  • 忘記密碼
  • 題庫分類
  • 公職考試
    • 鐵路特考
    • 高普考
    • 初等五等
    • 地方特考(三、四等)
    • 一般/警察特考
    • 司法特考
    • 移民特考
    • 關務特考
    • 民航特考
    • 調查局
    • 海巡特考
    • 稅務特考/國稅局約僱人員
    • 身障特考
    • 外交特考
  • 機關就業
    • 經濟部國營事業聯合招考
    • 國營臺鐵公司
    • 捷運公司
    • 台電新進雇員
    • 自來水公司評價人員
    • 中油公司
    • 中鋼公司
    • 中華郵政
    • 中華電信
    • 臺灣菸酒
    • 臺灣港務
    • 臺鐵營運人員
    • 農會
    • 漁會
    • 農田水利
    • 環保局清潔隊員、稽查員
    • 公路監理
    • 台糖
    • 臺北自來水
    • 經濟部工業局
    • 公幼教保人員
  • 證券類
    • 證券商業務員
    • 證券商高級業務員
    • 期貨商業務員
    • 投信投顧業務員
    • 企業內部控制
    • 股務人員
    • 票券商業務員
    • 證券分析師
    • 金融市場常識與職業道德
    • 債券人員
  • 銀行類
    • NEW!!! 高齡金融規劃顧問師資格測驗
    • 金融人員基礎學科測驗(FIT)
    • 金融科技力知識證照
    • 理財規劃人員證照
    • 信託業務人員證照
    • 銀行內部控制與內部稽核證照(一般金融)
    • 初階授信人員證照
    • 初階外匯人員證照
    • 銀行內部控制與內部稽核證照(消費金融)
    • 公民銀行招考(一般金融組)
    • 公民銀行招考(共同科目)
    • 公民銀行招考(儲備人員)
    • 公民銀行招考(工員)
  • 證照類
    • 導遊領隊人員
    • 不動產經紀人
    • 地政士
    • 消防設備人員
    • 門市服務丙級技術士
  • 保險類
    • 投資型保險業務員
    • 人身保險代理人
    • 財產保險經紀人
  • 財會類
    • 記帳士
    • 會計事務技術士乙級
    • 中小企財務人員
    • 會計事務技術士丙級
  • 國貿類
    • 國貿業務技術士乙級
    • 國貿大會考
    • 國貿業務技術士丙級
    • 專責報關人員
    • 兩岸暨東協經貿商務人才
  • 升學考試
    • 警專正期班
    • 四技二專
    • 升大分科測驗
  • 模擬考試
    • 警專正期班第36期線上模擬考試(完整版)
    • 警專考試能力測驗分析
  • 軍事考試
    • 軍事考試

台電新進雇員 » 專業科目 » 歷屆題庫 » 103年 » 基本電學

1. 【填充題】若每度電費為3元,1台200瓦特(W)的電視機每天平均使用5小時,1個月以30天計算,則每個月電視機所耗電費為_____元。


2. 【填充題】某一電動機效率為80%,若損失功率為100瓦特(W),試問該電動機輸出功率為_____瓦特(W)。


3. 【填充題】若將某一電線之直徑與長度皆改為原來之兩倍,試問更改後之電阻值為原來電阻值的_____倍。


4. 【填充題】如圖所示,求Rab為_____歐姆(Ω)。


5. 【填充題】如圖所示,求Vc之值為_____伏特(V)。


6. 【填充題】有兩線圈,N1=1000匝、N2=400匝,若線圈N1流經4安培(A)的電流並產生0.1韋伯(Wb)的磁通,交鏈到線圈N2的磁通為0.02韋伯(Wb),試求線圈N2的自感量L2為_____亨利(H)。


7. 【填充題】三條額定電壓各為220伏特(V)之電熱線,以Δ接線同時接於三相220伏特(V)之交流電源,其消耗功率為3仟瓦(kW),若改為Y接線,其消耗功率應為_____仟瓦(kW)。


8. 【填充題】某工廠負載功率為600仟瓦(kW),功率因素為0.6(滯後),想不改工廠負載功率之情況下,欲改善功率因素至0.8(滯後),試求應並聯電容器之虛功率容量為_____仟乏(kVAR)。


9. 【填充題】如圖所示,求諾頓等效電路IN之值為_____安培(A)。


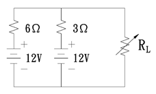
10. 【填充題】如圖所示,試問RL最大消耗功率為_____瓦特(W)。


11. 【填充題】某一訊號源輸出開路時電壓為10伏特(V),接上100歐姆(Ω)電阻後,則電壓下降2伏特(V),成為8伏特(V),試問該訊號源內阻為_____歐姆(Ω)。


12. 【填充題】如圖所示,VX之電壓為_____伏特(V)。


13. 【填充題】如圖所示,當電路進入穩態後,將開關S閉合,求閉合瞬間電感電壓(VL)為_____伏特(V)。


14. 【填充題】某一包含R1、R2、R3、R4四個電阻及直流電壓源VS之串聯電路,已知該四個電阻比為R1:R2:R3:R4=1:2:3:4,若最大的電阻值為8歐姆(Ω),且其消耗之功率為200瓦特(W),則電壓源VS為_____伏特(V)。


15. 【填充題】有一交流電路,v(t)=10sin(100t+10)伏特(V),i(t)=5sin(100t-50)安培(A),試問電路功率因數PF=_____。


16. 【填充題】如圖所示,求該電路之總視在功率STotal=_____伏安(VA)。


17. 【填充題】如圖所示,求R'=_____歐姆(Ω)。


18. 【填充題】A與B兩電感器串聯後的總電感量為36毫亨(mH),若將其中任一電感器的兩端對調連接後,再測得其總電感量為24毫亨(mH),則兩電感器間的互感量應為_____毫亨(mH)。


19. 【填充題】如圖所示,該電路中,電流表A讀數為_____毫安(mA)。


20. 【填充題】某一功率因數為0.866之三相電路,若想利用兩瓦特計法測定功率,其中一瓦特計(WA)之讀數為500瓦特(W),則另一瓦特計(WB)之讀數為_____瓦特(W)。(註:WB>WA)


21. 【計算與問答題】請分別計算下列等效之電阻值:
 (1)如圖所示,每段電阻為22歐姆(Ω),請分別計算Rab及Rao的等效電阻為何?
 
 (2)如圖電路所示,A、B兩端所測得的RAB電阻值為何?
 


22. 【計算與問答題】如圖所示,RLC並聯電路,請分別求、、、及功率因數PF之值。


23. 【計算與問答題】RLC串聯電路,當接於1kHz電源時,R=6歐姆(Ω),XL=30歐姆(Ω),XC=120歐姆(Ω),試問電路:
 (1)諧振頻率fr為何?
 (2)品質因數Q為何?
 (3)諧振頻寬BW為何?


24. 【計算與問答題】如圖所示電路,當t=0時,開關S閉合,試問:
 (1)充電時間常數τ為何?
 (2)t=0時,VL、iL之值為何?
 (3)t=3ms時,VL、iL之值為何?(註:e-1=0.368、e-2=0.135、e-3=0.05)
 「請計算至小數點後第三位,以下四捨五入」


鼎文公職資訊網 鼎文公職網路書店 面授課程 數位學院 公職學習網 愛舉手問答平台 博客來書城 Yahoo商城

Copyrights 2016© 鼎文公職版權所有
http://www.11exam.com