Toggle navigation
最新消息
線上論壇
考古題
常見問題
帳號申請
忘記密碼
題庫分類
公職考試
鐵路特考
高普考
初等五等
地方特考(三、四等)
一般/警察特考
司法特考
移民特考
關務特考
民航特考
調查局
海巡特考
稅務特考/國稅局約僱人員
身障特考
外交特考
機關就業
經濟部國營事業聯合招考
國營臺鐵公司
捷運公司
台電新進雇員
自來水公司評價人員
中油公司
中鋼公司
中華郵政
中華電信
臺灣菸酒
臺灣港務
臺鐵營運人員
農會
漁會
農田水利
環保局清潔隊員、稽查員
公路監理
台糖
臺北自來水
經濟部工業局
公幼教保人員
證券類
證券商業務員
證券商高級業務員
期貨商業務員
投信投顧業務員
企業內部控制
股務人員
票券商業務員
證券分析師
金融市場常識與職業道德
債券人員
銀行類
NEW!!! 高齡金融規劃顧問師資格測驗
金融人員基礎學科測驗(FIT)
金融科技力知識證照
理財規劃人員證照
信託業務人員證照
銀行內部控制與內部稽核證照(一般金融)
初階授信人員證照
初階外匯人員證照
銀行內部控制與內部稽核證照(消費金融)
公民銀行招考(一般金融組)
公民銀行招考(共同科目)
公民銀行招考(儲備人員)
公民銀行招考(工員)
證照類
導遊領隊人員
不動產經紀人
地政士
消防設備人員
門市服務丙級技術士
保險類
投資型保險業務員
人身保險代理人
財產保險經紀人
財會類
記帳士
會計事務技術士乙級
中小企財務人員
會計事務技術士丙級
國貿類
國貿業務技術士乙級
國貿大會考
國貿業務技術士丙級
專責報關人員
兩岸暨東協經貿商務人才
升學考試
警專正期班
四技二專
升大分科測驗
模擬考試
警專正期班第36期線上模擬考試(完整版)
警專考試能力測驗分析
軍事考試
軍事考試
鐵路特考 » 佐級(機械工程) » 歷屆題庫 » 106年 » 機械原理大意
單選題
每題2.5分
1. 公稱號碼E 6205C FI DB之滾動軸承,其內徑為:
(A)20
(B)25
(C)5
(D)62。
2. 一對相等五級塔輪,主動軸之轉速為240rpm,而從動軸的最高轉速為360rpm,則從動軸之最低轉速為多少rpm?
(A)80
(B)120
(C)160
(D)200。
3. 腳踏車的鏈輪,其中前鏈輪45齒、後鏈輪15齒,當前鏈輪轉速120rpm時,則後鏈輪轉速為多少rpm?
(A)360
(B)240
(C)120
(D)40。
4. 下列何者屬於往復式壓縮機?
(A)軸流空壓機
(B)螺旋式壓縮機
(C)膜片式壓縮機
(D)魯式壓縮機。
5. 下列之軸聯結器,何者適用兩軸中心線不在同一直線又可吸收軸的部分扭力與振動?
(A)歐丹聯結器
(B)凸緣聯結器
(C)賽勒氏錐形聯結器
(D)分筒聯結器。
6. 如下圖有一長500mm之槓桿,作用於桿端之力為300N,利用一鍵與半徑30mm之軸連結,若鍵的正方形橫斷面邊長為5mm,其中鍵長20mm,則鍵能承受之許可剪應力為多少MPa?
(A)3
(B)12
(C)50
(D)200。
7. 下列何者不屬於摩擦阻力鎖緊裝置?
(A)螺旋彈性鎖緊墊圈
(B)彈簧線鎖緊
(C)彈性鎖緊螺帽
(D)槽縫螺帽。
8. 下圖之平面運動鏈中,其中N表示連桿數、P表示低對之對偶數,則連桿數及對偶數分別多少?
(A)N=6,P=8
(B)N=6,P=9
(C)N=7,P=8
(D)N=7,P=9。
9. 有一圓盤離合器,若其摩擦係數為0.2,圓盤外徑120mm、內徑40mm,假設均勻磨耗,欲傳動扭矩12N-m時,則所需之軸向推力為多少N?
(A)500
(B)750
(C)1000
(D)1500。
10. 如下圖所示之彈簧系統,K
1
=20N/mm,K
2
=10N/mm,K
3
=10N/mm,則組合後總彈簧常數為多少N/mm?
(A)10
(B)20
(C)25
(D)40。
11. 交叉皮帶傳動,其中C.W.代表順時針,C.C.W.代表逆時針,A輪之直徑為30cm、轉速為1500rpm C.W.,若B輪之直徑為50cm,則B輪之轉速及方向為:
(A)900rpm C.W.
(B)900rpm C.C.W
(C)2500rpm C.W
(D)2500rpm C.C.W.。
12. 下列何者鏈條適用於在較高速度下傳達較大動力且兩軸之轉速比需正確時所用?
(A)合環鏈
(B)塊狀鏈
(C)鈎節鏈
(D)柱環鏈。
13. 如右圖所示滑車組,不考慮摩擦及滑輪重,則此裝置之機械利益為:
(A)5
(B)6
(C)7
(D)8。
14. 兩正齒輪嚙合,若齒數分別為30齒及50齒,其周節為9.42mm,則兩軸之中心距離為多少mm?
(A)60
(B)120
(C)180
(D)240。
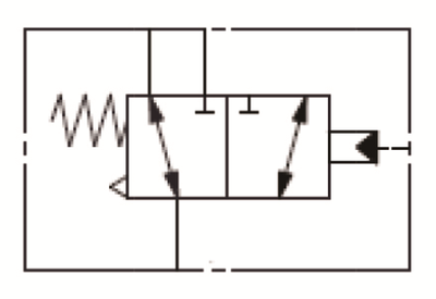
15. 下圖之方向控制閥為:
(A)二口二位
(B)三口二位
(C)三口三位
(D)四口二位。
16. 有關鏈輪鏈條傳動特性,下列敘述何者錯誤?
(A)軸承上受力小,不易磨損
(B)僅在緊邊有張力,鬆邊側幾近於零
(C)無滑動現象
(D)適合高速迴轉。
17. 兩平行軸上之帶輪,其輪徑分別為80mm及100mm,兩中心軸距為240mm,試求開口帶之皮帶長度為多少mm?
(A)449
(B)763
(C)797
(D)1046。
18. 如下圖所示齒輪組,若齒輪A、B、C之齒數分別為36齒、64齒及40齒,各齒模數為4,若齒輪A旋轉一圈,則齒條大約移動多少mm?
(A)251
(B)283
(C)452
(D)502。
19. 造成彈簧發生潛變產生鬆弛現象的因素為:
(A)溫度升高及負荷增加
(B)溫度升高與負荷減少
(C)溫度降低與負荷增加
(D)溫度降低及負荷減少。
20. 有關氣、油壓傳動的敘述,下列何者錯誤?
(A)氣壓不必有迴路系統
(B)油壓傳動之正確性較高
(C)氣壓傳動之速度較快
(D)油壓較容易過負載而損及機件。
21. 若有一複式螺紋機構(Compound Screws),其由右螺旋導程L
1
為8mm及左螺旋導程L
2
為5mm所構成在同一根螺桿上,該螺桿搭配一螺帽機構一起使用,請問當螺桿轉一圈時,套在螺桿上之螺帽移動距離為多少mm?
(A)1.6mm
(B)3mm
(C)13mm
(D)40mm。
22. 有一台柴油動力車之傳動系統由引擎、發電機、傳動機構、變速機、走行機構等共同串聯而成,效率(Efficiency)分別為M
1
、M
2
、M
3
、M
4
、M
5
,請問該系統之總效率為何?
(A)M
1
+M
2
+M
3
+M
4
+M
5
(B)M
1
×M
2
×M
3
×M
4
×M
5
(C)M
1
-M
2
-M
3
-M
4
-M
5
(D)(M
2
+M
3
+M
4
+M
5
)/M
1
。
23. 墊圈(Washer)為組合機件時常搭配螺釘螺帽使用之零件,下列有關墊圈之敘述,何者錯誤?
(A)可當作力量及做功傳遞之運動件
(B)齒鎖緊墊圈可以深入螺栓螺帽,可以防震及具鎖緊功能
(C)提供保護機件表面,免於被刮傷受損
(D)釘孔過大,提供螺釘螺帽應力支撐及美觀。
24. 有關開口銷(Cotter Pin)之主要功能敘述,下列何者正確?
(A)固定螺釘、螺帽或兩機件
(B)防止螺釘或螺帽等機件鬆脫
(C)夾緊確定螺釘、螺帽或兩機件在一起
(D)使一機件圍繞另一機件旋轉。
25. 一位工程師以鍵(Key)型式進行輪與軸安裝配合設計,已知該軸直徑為D,傳遞扭矩為T,鍵規格為寬(W)×高(H)×長(L),試求該鍵所承受之剪應力大小為何?
(A)2T/DWL
(B)2T/DHL
(C)T/DWL
(D)T/DHL。
26. 板片彈簧(Laminated Leaf Spring)常被用在卡車或軌道車輛貨物列車震動緩衝裝置,其應用設計時,為確保彈簧效能,車輛所受之載重壓力應作用在彈簧何處?
(A)集中最長板片彈簧之中間
(B)分散最短板片彈簧之中間
(C)集中最長板片彈簧之兩端
(D)分散最短板片彈簧之兩端。
27. 若有一螺旋型彈簧(Helical Spring),線圈平均直徑D=40mm,線材直徑d=4mm,當彈簧受到500kg軸向負荷時,請問其彈簧指數(Spring Index)為何?
(A)0.1
(B)10
(C)1.6
(D)16。
28. 凸輪(Cams)提供將轉動轉換成往復運動之簡便方法,請問凸輪與從動件接觸之外緣曲線,稱為何?
(A)工作曲線
(B)理論曲線
(C)基準曲線
(D)壓力曲線。
29. 在車輛的車軸設計上,其軸件轉動時須搭配軸承設置同時承受軸方向及直徑方向之負載,請問下列何種軸承最適合?
(A)止推滾珠軸承
(B)錐形滾子軸承
(C)圓柱滾子軸承
(D)深溝滾珠承。
30. 萬向接頭(Universal Coupling)係在主動件與從動件斜交時常用之聯結器,在汽車傳動機構或工廠機械上常見2個接頭成對使用,其原因為何?
(A)確保主動件與從動件具相同轉速
(B)增加主動件與從動件之轉速比
(C)降低主動件與從動件之振動與噪音
(D)可增加主動件與從動件間額外之扭力。
31. 錐面摩擦輪離合器係依尖劈原理藉兩機件摩擦而傳達動力,下列何者無法增加傳輸扭矩?
(A)增加軸向彈簧抵緊正壓力
(B)在接觸面間加裝高摩擦係數材料
(C)增加摩擦輪錐面垂直壓力
(D)增加摩擦輪之轉速。
32. 有一藉由皮帶連接兩輪軸運轉之皮帶輪裝置,為防使運轉中皮帶脫落,工程設計上最常用且最適合採取方法為何?
(A)採用具有凸緣之帶輪
(B)採用中央隆起設計之帶輪
(C)採用平面式帶輪
(D)在帶輪進入側加裝控制裝置。
33. 相等橢圓式摩擦輪要能傳動之基本條件,下列何者正確?
(A)主動輪與從動輪之迴轉速度要相等
(B)兩心軸距離等於短軸距離
(C)兩心軸距離等於長軸距離
(D)長軸等於二倍的短軸。
34. 一對內接觸式摩擦輪組,其大輪半徑R
1
=250mm,小輪半徑R
2
=125mm,大輪轉數N
1
=200rpm,接觸點之正壓力為150kg,兩輪間摩擦係數為0.4,請問大輪輸出扭矩為多少?
(A)10kg-m
(B)15kg-m
(C)30kg-m
(D)45kg-m。
35. 有一傳遞用之正齒輪,其節徑(P
d
)為101.85mm、周節(P
c
)為8mm,請試求該正齒輪之齒數為多少?
(A)40齒
(B)42齒
(C)50齒
(D)52齒。
36. 一周轉齒輪系由A旋臂、齒輪B及齒輪C所構成,如圖所示;其中B齒輪之齒數(T
B
)為96齒,C齒輪之齒數(T
c
)為72齒,若齒輪B固定不轉,A旋臂每分鐘順時針方向轉一圈,試求C齒輪之轉數為何?
(A)
(B)
(C)
(D)
37. 曲柄搖桿機構若發生死點,將導致系統無法運動,其容易發生於下列何種情形?
(A)主動曲柄與連桿共線
(B)從動曲柄與連桿共線
(C)主動曲柄與連桿垂直
(D)主動曲柄與從動曲柄平行。
38. 有一起重滑車裝置,如圖所示;若以繩索連接各輪及於下方吊掛重物W=5600公斤,機械效率80%,試求需施力F為多少?
(A)1750公斤
(B)1950公斤
(C)2150公斤
(D)2250公斤。
39. 一重型油壓起重機,其大活塞面積A為80mm
2
,小活塞面積B為40mm
2
,若小活塞受到一力量F=20kg作用時,總共下降20mm,請問大活塞能舉起多少重量(W)及上升多少?
(A)30kg, 5mm
(B)40kg, 10mm
(C)50kg, 5mm
(D)60kg, 10mm。
40. 軌道車輛及各維修現場非常普遍會使用到氣壓系統,而當系統之壓力超過某一設定值後,閥門會自動打開,以使系統壓力下降,此為下列那一種閥?
(A)止回閥
(B)旋塞閥
(C)停止閥
(D)安全閥。