Toggle navigation
最新消息
線上論壇
考古題
常見問題
帳號申請
忘記密碼
題庫分類
公職考試
鐵路特考
高普考
初等五等
地方特考(三、四等)
一般/警察特考
司法特考
移民特考
關務特考
民航特考
調查局
海巡特考
稅務特考/國稅局約僱人員
身障特考
外交特考
機關就業
經濟部國營事業聯合招考
國營臺鐵公司
捷運公司
台電新進雇員
自來水公司評價人員
中油公司
中鋼公司
中華郵政
中華電信
臺灣菸酒
臺灣港務
臺鐵營運人員
農會
漁會
農田水利
環保局清潔隊員、稽查員
公路監理
台糖
臺北自來水
經濟部工業局
公幼教保人員
證券類
證券商業務員
證券商高級業務員
期貨商業務員
投信投顧業務員
企業內部控制
股務人員
票券商業務員
證券分析師
金融市場常識與職業道德
債券人員
銀行類
NEW!!! 高齡金融規劃顧問師資格測驗
金融人員基礎學科測驗(FIT)
金融科技力知識證照
理財規劃人員證照
信託業務人員證照
銀行內部控制與內部稽核證照(一般金融)
初階授信人員證照
初階外匯人員證照
銀行內部控制與內部稽核證照(消費金融)
公民銀行招考(一般金融組)
公民銀行招考(共同科目)
公民銀行招考(儲備人員)
公民銀行招考(工員)
證照類
導遊領隊人員
不動產經紀人
地政士
消防設備人員
門市服務丙級技術士
保險類
投資型保險業務員
人身保險代理人
財產保險經紀人
財會類
記帳士
會計事務技術士乙級
中小企財務人員
會計事務技術士丙級
國貿類
國貿業務技術士乙級
國貿大會考
國貿業務技術士丙級
專責報關人員
兩岸暨東協經貿商務人才
升學考試
警專正期班
四技二專
升大分科測驗
模擬考試
警專正期班第36期線上模擬考試(完整版)
警專考試能力測驗分析
軍事考試
軍事考試
專業科目 » 歷屆題庫 » 儀電類 » 104年 » 電路、電子學(儀電)
單選題
每題2.04分
1. 下列有關理想的R、L、C三元件串聯電路之敘述,何者有誤?
(A)發生諧振現象時,電路的阻抗值最小
(B)發生諧振現象之頻率與電阻R無關
(C)電阻R越大,品質因數越高
(D)不一定為低通濾波器。
2. 下列有關對稱函數的傅立葉級數展開之敘述,何者有誤?
(A)偶對稱函數不存在正弦波成分
(B)四分之一波對稱函數僅存在偶次諧波成分
(C)奇對稱函數不存在餘弦波成分
(D)半波對稱函數僅存在奇次諧波成分。
3. 請求出電壓v(t)=10cos(10t+30°)的振盪週期T,及與電流i(t)=-5sin(10t-70°)間的相位關係為何?
(A)π/5,電壓領先電流10°
(B)π/5,電流領先電壓10°
(C)π/10,電壓領先電流100°
(D)π/10,電流領先電壓100°
4. 下列有關平衡三相系統之敘述,何者正確?
(A)Δ型接法,相電壓是線電壓的
倍
(B)Δ型接法,相電流是線電流的
倍
(C)Y型接法,相電壓與線電壓相等
(D)Y型接法,相電流與線電流相等。
5. 有一單埠電路,其諾頓等效電流源為4安培,戴維寧等效電壓源為16伏特,請問其諾頓與戴維寧等效電阻各為何?
(A)同為
(B)同為4Ω
(C)
與4Ω
(D)4Ω與
6. 有一正相序平衡三相電壓源,線電壓V
ab
=
∠30°V,經由每相線路阻抗為1+j0.5Ω的傳輸線,傳送電力到單相阻抗值為9+j7.5Ω的平衡Δ接負載,請問a相的線電流I
a
為何?
(A)10∠-6.87°A
(B)10∠-36.87°A
(C)
∠-36.87°A
(D)
∠-6.87°A
7. 求F(s)=
的逆拉普拉斯轉換為何?
(A)-3e
-
3t
+2e
-
4t
(B)-2e
-
3t
+3e
-
4t
(C)2e
-
3t
-3e
-
4t
(D)3e
-
3t
-2e
-
4t
。
8. 有一個RL串聯低通濾波器的截止頻率為4kHz,假設電阻R=10kΩ,求電感L及24kHz時的︱H(jω)︱為何?
(A)0.40H,0.164
(B)0.40H,0.707
(C)2.50H,0.164
(D)2.50H,0.707。
9. 設平衡三相Y形電路的相電壓V
BN
為220∠-150(V,而且為正相序,求線電壓V
BC
值為何?
(A)311.13∠-120°V
(B)311.13∠-180°V
(C)381.05∠-120°V
(D)381.05∠-180°V
10. 如右圖所示電路,節點電壓V
c
為何?
(A)14V
(B)28V
(C)56V
(D)112V。
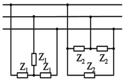
11. 兩組平衡三相負載接成如右圖所示電路,其中平衡Y接負載之各個單相阻抗Z
1
=3+j4Ω,而平衡Δ接負載之各個單相阻抗Z
2
=9-j12Ω,則此兩組負載等效成一組三相Y接負載之各單相阻抗值為何?
(A)
(B)
(C)
(D)5Ω。
12. 如下圖所示為米勒積分器(Miller Integrator),其中R=100kΩ、C=10μF、V=5V,設電容器初始電壓為0V,t=0時S接通,當t=1秒時,V
o
電壓為多少?
(A)-5V
(B)-2V
(C)+1V
(D)+2V。
13. 下列有關BJT與MOSFET之比較,何者有誤?
(A)相同直流偏壓電源下,BJT有較高的互導值(gm)
(B)MOSFET有較大的輸入阻抗
(C)BJT比MOSFET更適合作為開關使用
(D)BJT有較大的頻寬。
14. 關於p-n接面二極體(p-n junction diode)之敘述,下列何者有誤?
(A)開路狀態下空乏區的寬度會比較深入摻雜濃度低的一邊
(B)順向偏壓時,電流與電壓呈指數關係
(C)逆向偏壓時,空乏區所形成的電容變大
(D)多數載子之移動形成擴散電流。
15. 一個齊納二極體(Zener Diode)於25℃時,V
Z
=6.8V,其正溫度係數為0.05%/℃,求80℃時V
Z
?
(A)6.855V
(B)6.987V
(C)6.834V
(D)7.252V。
16. 使用橋式整流器來實現全波整流電路,其輸入電壓為V
peak
=100V、60Hz,輸出電容為100μF,負載為10kΩ,假設二極體為理想二極體,試求漣波電壓V
r, peak to peak
?
(A)0.833V
(B)0.417V
(C)1.667V
(D)0.967V。
17. 對於共基極放大器,下列何者有誤?
(A)不會受米勒效應(Miller Effect)的影響
(B)電流增益約為1
(C)輸入阻抗很小
(D)輸出阻抗很小。
18. 如右圖MOSFET電路,|V
t
|=1V、μ
n
Cox=20μA/V
2
、μ
p
Cox=10μA/V
2
,若V
1
=6V、V
2
=2V,則
:
:
為何?(忽略通道長度調變效應)
(A)2:1:9
(B)1:1:9
(C)2:1:4
(D)1:1:2。
19. 右圖使用齊納二極體(Zener Diode)製作穩壓電路,齊納二極體在20mA時,V
z
=12V、r
z
=10Ω,V
S
在20V和25V之間變動,I
L
在0mA和30mA之間變動,且I
z, min
=5mA、I
z, max
=80mA,下列敘述何者正確?
(A)R值越小,穩壓越好
(B)R最大值為245Ω
(C)R最小值為155Ω
(D)若R=160Ω,I
L
最大變化可導致V
O
有0.287V之變化。
20. 有一放大器電路其轉移函數為
,此為何種濾波器?
(A)帶通濾波器
(B)帶拒濾波器
(C)低通濾波器
(D)高通濾波器。
21. 下列關於負回授電路之敘述,何者有誤?
(A)電壓取樣、電流回授可降低輸入阻抗
(B)迴路增益(Loop Gain)在相位移180(下,增益小於1,電路才會穩定
(C)對於單一極點之開迴路放大器,加入電阻性負載後,電路一定穩定
(D)電流取樣、電壓回授可降低輸出阻抗。
22. 一增強型NMOS電晶體,V
t0
=2V、
=0.6V、γ=
,求V
SB
=3.5V時,V
t
為多少?
(A)2.5V
(B)2V
(C)3V
(D)2.3V。
23. 如右圖,A、B、C為邏輯輸入,Y輸出為何?
(A)
(B)
(C)
(D)
24. 設計一個哈特萊振盪器(Hartley Oscillator),振盪頻率為100kHz,電感L
1
=L
2
=0.1mH,則電容C為何?
(A)25.33nF
(B)50.66nF
(C)500nF
(D)12.67nF。
25. 在積體電路設計中,盡量避免使用何種元件?
(A)電晶體
(B)電阻
(C)電感
(D)電容。
26. 一並聯RL電路在頻率為f
1
時阻抗為2.5+j2.5Ω,在頻率為f
2
時阻抗為4+j2Ω,求其頻率比
為何?
(A)
(B)
(C)
(D)
27. 如下圖所示的兩電路,互為等效電路,以a、b端為第1埠,以c、d端為第2埠,此雙埠網路之Z參數
中的Z
22
為何?
(A)5.6Ω
(B)7.0Ω
(C)8.4Ω
(D)11.2Ω。
28. 如右圖所示電路,有兩個正弦電源,若v
1
(t)=24cos3t V、v
2
(t)=8cos4t V,則電阻器的平均吸收功率為何?
(A)4.48W
(B)8.48W
(C)12.96W
(D)17.44W。
29. 有一平衡三相、Y形連接發電機的每相阻抗為0.1+j0.6Ω,發電機的內部相電壓為240V,供電給三相Y形的平衡負載,每相的負載阻抗為39+j28Ω,發電機與負載之間的線路阻抗為0.9+j1.4Ω,求損耗在線路中的總平均功率為何?
(A)13.824W
(B)31.104W
(C)62.208W
(D)88.432W。
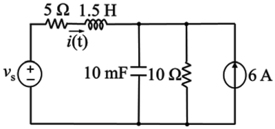
30. 如右圖所示,求在ω=4000rad/s時,使流過電阻器的電流i
R
會比電源電流i
S
落後45°,圖中的R值為何?(利用相量圖求解)
(A)1/4Ω
(B)1/3Ω
(C)3Ω
(D)4Ω。
31. 如右圖所示之電路,求V
o
電壓為何?
(A)113V
(B)133V
(C)153V
(D)173V。
32. 如右圖所示之電路,求電壓v
1
為何?
(A)21.4-j42.8V
(B)21.4+j42.8V
(C)42.8-j21.4V
(D)42.8+j21.4V。
33. 如右圖所示之電路,負載L
1
以0.6的落後功率因數吸收12kW平均功率,負載L
2
以0.8的領先功率因數吸收10kVA,求電流i
s
為何?
(A)20-j10A
(B)20+j10A
(C)80-j40A
(D)80+j40A。
34. 如右圖所示之電路,v
s
(t)=10cos10t V,求電流i(t)為何?
(A)-4-0.707cos(10t-45°)A
(B)-4-0.707cos(10t+45°)A
(C)-4+0.707cos(10t-45°)A
(D)-4+0.707cos(10t+45°)A。
35. 如右圖所示電路,電路中的開關已經打開很久,電容器的初始電荷為零,當t=0的瞬間開關閉合,求t≥0
+
時的i(t)為何?
(A)12e
-
200t
mA
(B)12e
-
20t
mA
(C)48e
-
200t
mA
(D)48e
-
20t
mA。
36. 如右圖所示電路,使得R
L
的吸收功率最大的R
L
值為何?
(A)7.5Ω
(B)10Ω
(C)15Ω
(D)17.5Ω。
37. 如右圖所示電路中,開關已打開一段很長的時間,在t=0開關閉合前已達到穩態狀況,求開關閉合後的電感器電流i(t)為何?
(A)1-0.5e
-
4t
A
(B)1-0.5e
-
2t
A
(C)2-e
-
4t
A
(D)2-e
-
2t
A。
38. 一個放大器其增益為40∠-35°,若要使此電路振盪,其回授增益為何?
(A)0.025∠35°
(B)0.025∠-55°
(C)0.02∠35°
(D)0.02∠-55°
39. 對於一個放大器,其電壓增益A=-100,輸入阻抗為10kΩ,使用一電阻R=100kΩ,跨接在輸入和輸出端,其輸入阻抗變為多少?
(A)9.1kΩ
(B)900.9Ω
(C)990Ω
(D)101kΩ。
40. 如右圖電晶體在25℃時,V
BE
=0.7V,β=50,V
BE
對其溫度的變化為-2mV/℃,在125℃時,β=200,忽略爾利效應(Early Effect),試算125℃時V
o
直流偏壓為多少?
(A)4.17V
(B)0.83V
(C)1.08V
(D)3.92V。
41. 設計一B類放大器,輸入為正弦波信號,提供10W平均功率給10Ω負載,則電源±V
CC
應選用何者較佳?
(A)±5V
(B)±12V
(C)±20V
(D)±10V。
42. 關於右圖電路,R
S
=R
1
=R
2
=R
B
、R
A
=2R
B
、二極體導通電壓為0.7V,假設A為理想運算放大器,下列何者有誤?
(A)V
S
=1V、V
O
=2V
(B)二極體導通條件為V
S
≥2.8V
(C)V
S
=4V、V
O
=6.73V
(D)V
S
=3V、V
O
=5.4V。
43. 有一個一階運算放大器,其直流增益為10
6
,且有一極點於10rad/s,零點為無窮大,使用電阻將其組成非反向放大器,直流增益為10,求非反向放大器之極點為何?
(A)10rad/s
(B)10
5
rad/s
(C)10
6
rad/s
(D)10
2
rad/s。
44. 設計一個低通濾波器如右圖,頻寬為10kHz,R
1
=10kΩ、C
1
=C
2
=1nF,A為理想運算放大器,R
2
應為多少?
(A)1MΩ
(B)50.66kΩ
(C)25.33kΩ
(D)20.64kΩ。
45. 右圖為一串串(Series-Series)回授電路A
f
=
,R
E
=100Ω、r
π
=2kΩ、gm=0.04A/V、R
1
=R
2
=10kΩ,忽略爾利效應(Early Effect),下列何者正確?
(A)R
inf
=5kΩ
(B)β=0.01
(C)A
f
=0.12
(D)A=0.038。
46. 下列關於開關電容濾波器(The Switched-Capacitor Filter)的敘述,何者有誤?
(A)需使用不重疊(non-overlapping)的脈波來切換開關
(B)在積體電路中可以掌握更精確的時間常數
(C)利用快速切換的電容所等效的電阻,切換頻率越高,電阻越小
(D)切換脈波頻率需小於輸入信號頻率。
47. 有一差動放大器,當差動輸入電壓變動0.1V,差動輸出電壓變動2V,若共模電壓增益為2×10
-
4
,共模拒斥比(CMRR)為多少?
(A)100dB
(B)5dB
(C)50dB
(D)10dB。
48. 如下圖,A
1
、A
2
為理想運算放大器,輸出正飽和電壓為V
DD
,負飽和電壓為0V,其中V
DD
=10V、R=1kΩ,發光二極體(LED)導通電壓為2V,試問當V
S
=6V時,發光二極體L
1
、L
2
狀態為何?
(A)L
1
滅、L
2
滅
(B)L
1
滅、L
2
亮
(C)L
1
亮、L
2
滅
(D)L
1
亮、L
2
亮。
49. 下圖為一電流轉換器電路,所有電晶體β=100,假設二極體與電晶體飽和電流I
S
相同,V
T
=25mV、n=1、V
S
=1V、R=1kΩ,I
O
為何?
(A)1.1mA
(B)1mA
(C)0.99mA
(D)0.98mA。