Toggle navigation
最新消息
線上論壇
考古題
常見問題
帳號申請
忘記密碼
題庫分類
公職考試
鐵路特考
高普考
初等五等
地方特考(三、四等)
一般/警察特考
司法特考
移民特考
關務特考
民航特考
調查局
海巡特考
稅務特考/國稅局約僱人員
身障特考
外交特考
機關就業
經濟部國營事業聯合招考
國營臺鐵公司
捷運公司
台電新進雇員
自來水公司評價人員
中油公司
中鋼公司
中華郵政
中華電信
臺灣菸酒
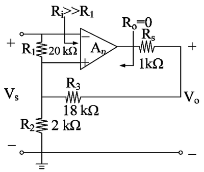
臺灣港務
臺鐵營運人員
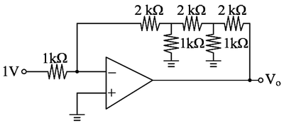
農會
漁會
農田水利
環保局清潔隊員、稽查員
公路監理
台糖
臺北自來水
經濟部工業局
公幼教保人員
證券類
證券商業務員
證券商高級業務員
期貨商業務員
投信投顧業務員
企業內部控制
股務人員
票券商業務員
證券分析師
金融市場常識與職業道德
債券人員
銀行類
NEW!!! 高齡金融規劃顧問師資格測驗
金融人員基礎學科測驗(FIT)
金融科技力知識證照
理財規劃人員證照
信託業務人員證照
銀行內部控制與內部稽核證照(一般金融)
初階授信人員證照
初階外匯人員證照
銀行內部控制與內部稽核證照(消費金融)
公民銀行招考(一般金融組)
公民銀行招考(共同科目)
公民銀行招考(儲備人員)
公民銀行招考(工員)
證照類
導遊領隊人員
不動產經紀人
地政士
消防設備人員
門市服務丙級技術士
保險類
投資型保險業務員
人身保險代理人
財產保險經紀人
財會類
記帳士
會計事務技術士乙級
中小企財務人員
會計事務技術士丙級
國貿類
國貿業務技術士乙級
國貿大會考
國貿業務技術士丙級
專責報關人員
兩岸暨東協經貿商務人才
升學考試
警專正期班
四技二專
升大分科測驗
模擬考試
警專正期班第36期線上模擬考試(完整版)
警專考試能力測驗分析
軍事考試
軍事考試
專業科目 » 歷屆題庫 » 儀電類 » 103年 » 電路、電子學(儀電)
單選題
每題2.5分
1. 有一電容器C=5μF,其兩端電壓Vc=30cos(2000t+25()V,求電容器之電抗值?
(A)-40Ω
(B)-60Ω
(C)-80Ω
(D)-100Ω。
2. 有一電壓源V(t)=20cos100tV供電給某負載,負載吸收之複功率S=12+j16VA。欲將其功率因數提升至0.8落後,則需並聯多大之電容?
(A)125μF
(B)250μF
(C)350μF
(D)550μF。
3. 在右圖電路中,負載Z
L
在特定值時可得到最大功率轉移,求Z
L
可吸收之最大功率為?
(A)125W
(B)280W
(C)300W
(D)600W。
4. 求右圖電路中之i
a
=?
(A)0.1A
(B)0.2A
(C)0.3A
(D)0.4A。
5. 有一電壓源V(t)=30+10sin2tV,與R、L串聯,R=3Ω、L=2H。求電路所消耗之平均功率?
(A)128W
(B)306W
(C)345W
(D)410W。
6. 右圖電路之電壓響應呈現臨界阻尼情況,則R值為?
(A)25Ω
(B)50Ω
(C)75Ω
(D)100Ω。
7. 函數f(t)=e
-
at
sinωt,經Laplace轉換後之F(s)=?
(A)
(B)
(C)
(D)
8. 有一電壓源V
rms
=500∠0°V,供電給一阻抗Z,其吸收之複功率S=3000-j4000VA,則Z=?
(A)10∠37°Ω
(B)10∠53°Ω
(C)50∠37°Ω
(D)50∠53°Ω。
9. 在右圖電路中,求端點a-b看入之戴維寧等效電壓V
th
=?
(A)6V
(B)12V
(C)24V
(D)36。
10. 在下圖電路中,V
c˚
(0
-
)=0V,t=0時,開關閉合。若t>0時,電源電壓V
i
=2V,電流i(t)=4e
-
2t
A,則電容C值為?
(A)0.5F
(B)1F
(C)2F
(D)4F。
11. 以奇數個反相器串接,再將最後一個反相器的輸出端接至第一個反相器的輸入端,可形成環型振盪器,該振盪器可產生何種穩定的波形信號?
(A)三角鋸齒波
(B)波形震盪最後發散
(C)正弦波
(D)方波信號。
12. 如右圖方波波峰電壓為10V,於二極體端加上V
R
=5V時,當輸出方波在負半週時,V
o
峰值電壓應為?
(A)-25V
(B)-15V
(C)5V
(D)15V。
13. 零點與極點概念中,發生極點之處,增益X,移相Y且極點之後每十倍頻增益Z,請依前述X,Y,Z依序填入正確敘述?
(A)增加3dB,+45度,增加10dB
(B)衰減-6dB,-45度,增加20dB
(C)衰減-3dB,-45度,下降20dB
(D)增加3dB,+45度,增加20dB。
14. 比較晶體基本偏壓組態,下列敘述何者正確?
(A)共閘極:輸入阻抗大,輸出阻抗小,輸入與輸出信號同相
(B)共射極:電壓增益大,輸入與輸出信號反相
(C)共汲極或稱源極隨耦器:輸入阻抗小,輸出阻抗大,輸入與輸出信號反相
(D)達靈頓晶體:輸入阻抗大,輸出阻抗小,輸入與輸出信號反相。
15. 如右圖限流保護電路,若Q
1
、Q
2
的β=200,V
in
=12V,V
BE
,
active
=0.6V,輸出端至接續後級線路間可接上短路保護保險絲安培數為何?
(A)1A
(B)1.5A
(C)2A
(D)3A。
16. 如右圖為何種回授放大器?
(A)電流串聯負回授
(B)電流並聯負回授
(C)電壓並聯負回授
(D)電壓串聯負回授。
17. 如下圖精密半波整流電路,若R
1
=100kΩ,V
i
(t)=10sinωtV,若輸出電壓V
0
平均值要達6.36V,則R
2
=?
(A)180kΩ
(B)200kΩ
(C)220kΩ
(D)320kΩ。
18. 右圖CMOS FET之邏輯電路是何種邏輯閘?
(A)NAND
(B)XOR
(C)OR
(D)AND。
19. 設若右圖電流鏡V
T1
=V
T2
=V
T3
=2V,β
1
=β
2
=β
3
=
=2mA/V
2
,且I
1
=1mA,試求V
2
電壓=?
(A)3V
(B)4V
(C)6V
(D)12V。
20. 右圖達靈頓電路中若每個晶體β=150,R
E
=680Ω,則R
in
輸入電阻為?
(A)680Ω
(B)7.24MΩ
(C)15.3MΩ
(D)26.5MΩ。
21. 有一RLC串聯電路如右圖,求電流相量I=?
(A)10∠30(A
(B)10∠45(A
(C)20∠30(A
(D)20∠45(A。
22. 有一電路如下圖,求端點a-b看入之戴維寧等效電阻R
th
=?
(A)8Ω
(B)16Ω
(C)25Ω
(D)36Ω。
23. 有一電路如右圖,L
1
=4H,L
2
=2H,M=1H。求端點a-b看入之等效電感?
(A)4H
(B)6H
(C)8H
(D)10H。
24. 有一電路如右圖,求V
b
=?
(A)-2V
(B)-1V
(C)2V
(D)4V。
25. 有一電壓源V(t)=80+40sin3tV,與R、L串聯,R=8Ω、L=2H。求此電路之功率因數?
(A)0.82
(B)0.88
(C)0.92
(D)0.98。
26. 有一平衡三相負載之線電壓為600V,功率因數為0.6落後,消耗功率為360kW。送電端經輸電線送電至負載,輸電線每相之阻抗值為0.015+j0.025Ω,求送電端之線電壓?
(A)611V
(B)620V
(C)629V
(D)638V。
27. 有一電路如右圖,開關已閉合很久,然後在t=0時打開。求i
0
(t)=?
(A)-5e
-
2t
A
(B)-8e
-
2t
A
(C)-5e
-
4t
A
(D)-8e
-
4t
A。
28. 有一R、L、C相互並聯而成之電路,未加任何電源,L=1H,R、C皆為常數。已知t>0時,電感之電流為i
L
(t)=e
-
2t
sin4tA,求此電路之R=?
(A)2Ω
(B)3Ω
(C)4Ω
(D)5Ω。
29. 有一電路如右圖,電流源為δ(t),C=0.5F,R=2Ω。求V
c
(t)=?
(A)-e
-
t
V
(B)-2e
-
t
V
(C)e
-
t
V
(D)2e
-
t
V。
30. 有一電路如下圖,i(0)=10A。求t>0時,i
x
(t)=?
(A)3.5e
-
2t
A
(B)5.5e
-
2t
A
(C)7.5e
-
2t
A
(D)9.5e
-
2t
A。
31. 如右圖三級串級回授放大器圖,各電晶體Q
1
、Q
2
、Q
3
,β=120,V
BE(on)
=0.7V,V
T
=26mV,求得Q
3
,g
m
≒?
(A)19mA/V
(B)33mA/V
(C)50mA/V
(D)78mA/V。
32. 三級串級放大器,若每一級截止頻率都相同,即f
L
=300Hz,f
H
=50kHz,則該三級串級放大器之頻寬B應為何?
(A)19.8kHz
(B)24.9kHz
(C)49.7kHz
(D)50.3kHz。
33. 如右圖FET偏壓電路,給定V
T
=1V,
=1mA/V
2
在忽略通道長度調變效應(Channel-length Modulation effect)下,求I
D
電流?
(A)0.23mA
(B)0.36mA
(C)0.5mA
(D)0.89mA。
34. 右圖非反相放大器線路,OP運算放大器開回路增益A
υ
=10
4
,依負回授理論,A
Vf
=A
V
/(1+βA
V
),試求該放大器開回路增益AV為何?
(A)7865
(B)8071
(C)8254
(D)8737。
35. 如右圖T型放大器,求V
0
=?
(A)-2.7V
(B)-18V
(C)-30V
(D)-36V。
36. 右圖儀表放大器,若V
id
=V
2
-V
1
,求V
0
=?
(A)-
(B)
(C)-
(D)
37. 如右圖為簡單音頻放大器的電路圖,若要得到較低的轉角頻率f
L
=20Hz,求C耦合電容值?
(A)0.0289μF
(B)0.0477μF
(C)0.289μF
(D)0.477μF。
38. 右圖假若要設計一個帶通濾波器線路,給定V
in
=10kHz,伴隨1kHz低頻與100kHz高頻雜訊,在濾波器頻帶寬B為1kHz,電壓增益A
v
=1,C=0.001μF,試求R
2
≒?
(A)800Ω
(B)64kΩ
(C)160kΩ
(D)320kΩ。
39. 考慮如右圖N-通道MOSFET等效電路,若忽略r
s
、r
d
、r
o
、C
ds
及汲極連結到訊號地,
=0.4mA/V
2
,V
T
=1V,λ=0,C
gd
=0.04pF,C
gs
=0.2pF,給定偏壓V
GS
=3V,求單位電流增益的頻率(unity-gain frequency)f
T
?
(A)155MHz
(B)290MHz
(C)530MHz
(D)663MHz。
40. 假設N通道JFET其I
DSS
=10mA,V
GS(off)
=-5V,當JFET工作在定電流區時,求V
GS
=-1V,其g
m
值為多少姆歐?
(A)2.7m℧
(B)3.2m℧
(C)4m℧
(D)6m℧