Toggle navigation
最新消息
線上論壇
考古題
常見問題
帳號申請
忘記密碼
題庫分類
公職考試
鐵路特考
高普考
初等五等
地方特考(三、四等)
一般/警察特考
司法特考
移民特考
關務特考
民航特考
調查局
海巡特考
稅務特考/國稅局約僱人員
身障特考
外交特考
機關就業
經濟部國營事業聯合招考
國營臺鐵公司
捷運公司
台電新進雇員
自來水公司評價人員
中油公司
中鋼公司
中華郵政
中華電信
臺灣菸酒
臺灣港務
臺鐵營運人員
農會
漁會
農田水利
環保局清潔隊員、稽查員
公路監理
台糖
臺北自來水
經濟部工業局
公幼教保人員
證券類
證券商業務員
證券商高級業務員
期貨商業務員
投信投顧業務員
企業內部控制
股務人員
票券商業務員
證券分析師
金融市場常識與職業道德
債券人員
銀行類
NEW!!! 高齡金融規劃顧問師資格測驗
金融人員基礎學科測驗(FIT)
金融科技力知識證照
理財規劃人員證照
信託業務人員證照
銀行內部控制與內部稽核證照(一般金融)
初階授信人員證照
初階外匯人員證照
銀行內部控制與內部稽核證照(消費金融)
公民銀行招考(一般金融組)
公民銀行招考(共同科目)
公民銀行招考(儲備人員)
公民銀行招考(工員)
證照類
導遊領隊人員
不動產經紀人
地政士
消防設備人員
門市服務丙級技術士
保險類
投資型保險業務員
人身保險代理人
財產保險經紀人
財會類
記帳士
會計事務技術士乙級
中小企財務人員
會計事務技術士丙級
國貿類
國貿業務技術士乙級
國貿大會考
國貿業務技術士丙級
專責報關人員
兩岸暨東協經貿商務人才
升學考試
警專正期班
四技二專
升大分科測驗
模擬考試
警專正期班第36期線上模擬考試(完整版)
警專考試能力測驗分析
軍事考試
軍事考試
臺灣菸酒 » 電氣 » 歷屆題庫 » 104年 » 電工原理
單選題
每題2分
1. 某導體每秒通過2.5×10
19
個電子,則此導體的電流為多少安培?
(A)1
(B)2
(C)3
(D)4。
2. 某台1.5kW的電熱器每天使用1.5小時,若每度電費4元,則電熱器每天所耗電費為多少元?
(A)6
(B)8
(C)9
(D)12。
3. 某電熱器之電阻為10歐姆,若電熱器通有5安培電流,則需要多少時間可產生75000焦耳的熱能?
(A)2分鐘
(B)5分鐘
(C)20分鐘
(D)50分鐘。
4. 某電動機之輸出為6000瓦特,若其效率為75%,則電動機的損失為多少瓦特?
(A)1500
(B)1750
(C)2000
(D)2500。
5. 某電阻器的色碼為綠、棕、橙、金,當電阻器的端電壓為153伏特,其電流為多少安培?
(A)0.001
(B)0.003
(C)1
(D)3。
6. 某電熱水器加熱10分鐘,可使1.8公升的水之溫度上升48℃,若電熱水器之電流為5安培,則其電阻為多少歐姆?
(A)12
(B)24
(C)36
(D)48。
7. 將一個10Ω/90W的電阻器與一個40Ω/40W的電阻器串聯,則串聯後所能承受的最大電流為多少安培?
(A)1
(B)2
(C)3
(D)4。
8. 某二個電阻串接於直流電源,其中電阻R
1
的端電壓為V
1
、電流為I
1
,電阻R
2
的端電壓為V
2
、電流為I
2
,若R
1
>R
2
,則下列何者正確?
(A)I
1
=I
2
,V
1
>V
2
(B)I
1
=I
2
,V
1
<V
2
(C)I
1
>I
2
,V
1
=V
2
(D)I
1
<I
2
,V
1
=V
2
。
9. 將40Ω電阻與120Ω電阻並聯後接於電源,若40Ω電阻所消耗的功率為360瓦特,則120Ω電阻所消耗的功率為多少瓦特?
(A)40
(B)120
(C)1080
(D)3240。
10. 如【圖10】所示電路,3Ω電阻所消耗的功率為多少瓦特?
(A)3
(B)12
(C)27
(D)48。
11. 如【圖11】所示,Y型電阻網路為Δ型電阻網路的等效電路,試求電阻R
B
為多少Ω?
(A)15
(B)18
(C)30
(D)45。
12. 某10伏特之直流電壓表的內阻為50kΩ,欲使測量範圍擴大到100伏特,則至少需串聯幾歐姆的電阻?
(A)50kΩ
(B)100kΩ
(C)250kΩ
(D)450kΩ。
13. 如【圖13】所示電路,請問3Ω電阻所消耗之功率為多少瓦特?
(A)350
(B)530
(C)675
(D)765。
14. 如【圖14】所示電路,a、b兩端之戴維寧等效電阻為多少歐姆?
(A)7
(B)10
(C)15
(D)18。
15. 承第14題,a、b兩端之戴維寧等效電壓為多少伏特?
(A)25
(B)30
(C)40
(D)55。
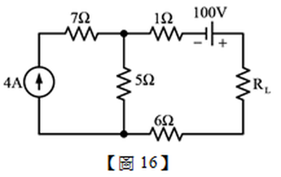
16. 如【圖16】所示電路,R
L
為可變電阻,則R
L
為多少歐姆時可使R
L
獲得最大功率?
(A)8
(B)10
(C)12
(D)19。
17. 欲使15庫侖的電荷於3秒內從電位20伏特處移至電位56伏特處,其所需的平均功率為多少瓦特?
(A)180
(B)360
(C)540
(D)1620。
18. 真空中有一帶有2×10
-
6
庫侖的點電荷,則距該點電荷6公尺處之電場強度為多少牛頓/庫侖?
(A)50
(B)100
(C)500
(D)750。
19. 某一電感器之電感值為L亨利,在通過I安培電流時,其儲存的能量為多少焦耳?
(A)LI
(B)LI
2
(C)
(D)
20. 某電容器跨接於200伏特之直流電源,其儲存的電荷為0.04庫侖,則此電容器的電容值為多少微法拉?
(A)5
(B)20
(C)50
(D)200。
21. 某電容值為100微法拉之電容器跨接於100伏特之直流電源,則電容器所儲存之能量為多少焦耳?
(A)0.5
(B)1.0
(C)2.0
(D)10。
22. 如【圖22】所示,試求a、b兩端之總電容為多少μF?
(A)1.9
(B)5.0
(C)12.4
(D)20.0。
23. 有一組600匝的線圈置於磁場中,當線圈之感應電動勢為120伏特,則每秒鐘的磁通變化量為多少韋伯?
(A)0.2
(B)0.5
(C)2
(D)5。
24. 某一鐵心繞有一組線圈,當線圈為600匝時電感為3亨利,則電感為12亨利時線圈為多少匝?
(A)150
(B)300
(C)1200
(D)2400。
25. 在【圖25】中,L
1
=8亨利,L
2
=5亨利,M=1亨利,則a、b兩端之等效電感為多少亨利?
(A)11
(B)12
(C)14
(D)15。
26. 如【圖26】所示電路,電容器之初始電壓為0伏特,在t=0秒時開關S閉合,則電容器之端電壓v
C
為何?
(A)60(1+e
-
200t
)V
(B)60(1-e
-
2000t
)V
(C)20(1+e
-
200t
)V
(D)20(1-e
-
2000t
)V。
27. 某交流電壓源為v(t)=340sin(314t)伏特,其電壓有效值為多少伏特?
(A)196
(B)220
(C)240
(D)340。
28. 某負載兩端之電壓為v(t)=120sin(ωt+10()伏特時,其負載電流為i(t)=15sin(ωt-20()安培,則此負載之阻抗為多少歐姆?
(A)8∠30(
(B)8∠-30(
(C)16∠30(
(D)16∠-30(。
29. 如【圖29】所示電路,此電路之時間常數為多少微秒?
(A)10
(B)25
(C)50
(D)100。
30. 有效值為110伏特之正弦波電壓跨接於阻抗Z=12+j5歐姆之負載,其負載電流有效值約為幾安培?
(A)6.47
(B)8.46
(C)10
(D)14。
31. 將110伏特、60瓦特之燈泡接於90伏特電源時,則其消耗之功率約為多少瓦特?
(A)40
(B)49
(C)73
(D)90。
32. 某負載的視在功率為6000VA、功率因數為0.8,則此負載消耗的實功率為多少W?
(A)1200
(B)2400
(C)3600
(D)4800。
33. 有一RLC串聯電路由v(t)=50sin(1000t)V的電源供電,若此電路之電阻R=5Ω、電感L=0.01H與電容C=200μF,則電路之功率因數為何?
(A)0.5
(B)0.707
(C)0.866
(D)0.922。
34. 如【圖34】所示電路,若電壓源V
S
=300∠0°伏特,則電流I
1
為多少安培?
(A)9+j12
(B)9-j12
(C)12+j9
(D)12-j9。
35. 某用戶之負載為8400W、功率因數為0.6落後,如欲將功率因數提高至0.8落後,則用戶需加裝多少VAR的電容器?
(A)3600
(B)4900
(C)6300
(D)11200。
36. 在R-L-C串聯諧振電路中,若電阻R愈大,則其品質因數與頻寬之變化為何?
(A)品質因數愈小、頻寬不變
(B)品質因數愈小、頻寬愈寬
(C)品質因數愈大、頻寬不變
(D)品質因數愈大、頻寬愈窄。
37. 某三相平衡負載由三相220V平衡電源供電,若負載消耗功率為2000W、功率因數為0.525落後,則負載之線電流約為多少安培?
(A)4
(B)6
(C)8
(D)10。
38. 下列敘述何者錯誤?
(A)電壓的單位為伏特(volt)
(B)電功率的單位為焦耳(joule)
(C)感的單位為亨利(henry)
(D)電容的單位為法拉(farad)。
39. 下列何者非屬串並聯電路的特性?
(A)串聯電路中,流經各元件的電流相等
(B)串聯電路中,電阻越大,其電阻電壓也越大
(C)並聯電路中,端電壓皆相等
(D)並聯電路中,總電阻值會大於任一電阻。
40. 如【圖40】所示電路,I=?
(A)5A
(B)4A
(C)3A
(D)2A。
41. 如【圖41】所示電路,試求總電壓E=?
(A)40V
(B)30V
(C)20V
(D)10V。
42. 如【圖42】所示電路,假設開關SW未閉合前,電容器與電感器皆無儲存能量,則開關SW閉合瞬間,其總電流I為多少安培?
(A)2.4A
(B)2A
(C)1A
(D)0A。
43. 如【圖43】所示電路,試求I=?
(A)3A
(B)4A
(C)5A
(D)6A。
44. 電容器的電容量標示為103K時,代表電容量為多少法拉?
(A)0.01μF
(B)0.1μF
(C)0.013μF
(D)0.13μF。
45. 空氣中兩電荷之帶電量分別為40μC及30μC,且兩電荷相距3公尺,則兩電荷之間的作用力為何?
(A)1.2牛頓,吸引力
(B)1.2牛頓,排斥力
(C)0.4牛頓,吸引力
(D)0.4牛頓,排斥力。
46. 如【圖46】所示電路,則總電壓E=?
(A)40V
(B)50V
(C)60V
(D)70V。
47. 下列何者非磁通密度的單位?
(A)韋伯/平方公尺
(B)特斯拉(Tesla)
(C)高斯(Gauss)
(D)牛頓/平方公尺。
48. 如【圖48】所示電路,導體長10公尺,在磁通密度為0.5韋伯/平方公尺之磁場中,以每秒10公尺速度順著磁場的移動方向移動,則其生成之感應電動勢應為多少伏特?
(A)50V
(B)25V
(C)10V
(D)0V。
49. 如【圖49】所示電路,假設電容器無任何儲能,試問開關SW閉合之後,電容器至少需要花多少時間才會達到穩態?
(A)1.2mS
(B)4mS
(C)8mS
(D)10mS。
50. 如【圖50】所示電路,試求此電路之總實功率為多少瓦特?
(A)1200W
(B)1800W
(C)2200W
(D)3000W。