Toggle navigation
最新消息
線上論壇
考古題
常見問題
帳號申請
忘記密碼
題庫分類
公職考試
鐵路特考
高普考
初等五等
地方特考(三、四等)
一般/警察特考
司法特考
移民特考
關務特考
民航特考
調查局
海巡特考
稅務特考/國稅局約僱人員
身障特考
外交特考
機關就業
經濟部國營事業聯合招考
國營臺鐵公司
捷運公司
台電新進雇員
自來水公司評價人員
中油公司
中鋼公司
中華郵政
中華電信
臺灣菸酒
臺灣港務
臺鐵營運人員
農會
漁會
農田水利
環保局清潔隊員、稽查員
公路監理
台糖
臺北自來水
經濟部工業局
公幼教保人員
證券類
證券商業務員
證券商高級業務員
期貨商業務員
投信投顧業務員
企業內部控制
股務人員
票券商業務員
證券分析師
金融市場常識與職業道德
債券人員
銀行類
NEW!!! 高齡金融規劃顧問師資格測驗
金融人員基礎學科測驗(FIT)
金融科技力知識證照
理財規劃人員證照
信託業務人員證照
銀行內部控制與內部稽核證照(一般金融)
初階授信人員證照
初階外匯人員證照
銀行內部控制與內部稽核證照(消費金融)
公民銀行招考(一般金融組)
公民銀行招考(共同科目)
公民銀行招考(儲備人員)
公民銀行招考(工員)
證照類
導遊領隊人員
不動產經紀人
地政士
消防設備人員
門市服務丙級技術士
保險類
投資型保險業務員
人身保險代理人
財產保險經紀人
財會類
記帳士
會計事務技術士乙級
中小企財務人員
會計事務技術士丙級
國貿類
國貿業務技術士乙級
國貿大會考
國貿業務技術士丙級
專責報關人員
兩岸暨東協經貿商務人才
升學考試
警專正期班
四技二專
升大分科測驗
模擬考試
警專正期班第36期線上模擬考試(完整版)
警專考試能力測驗分析
軍事考試
軍事考試
中油公司 » 專業科目 » 歷屆題庫 » 105年 » 電工原理
單選題
每題1.54分
1. 設電費每度為5元,一台每小時平均耗電1800瓦特的舊式冷氣機,若改裝為變頻式冷氣機平均省電1/3,每天使用10小時,一個月以30天計,則每月此台冷氣機改裝後所節省的電費為多少?
(A)750元
(B)900元
(C)1200元
(D)1800元。
2. 家用AC110V電源插座中,其兩平行銅片插孔依規定較小銅片插孔應該為電源系統中的何種線源?
(A)火線
(B)地線
(C)接地線
(D)信號線。
3. 若以毫米(mini meter)為長度計算單位,則20奈米(nano meter)為多少?
(A)20G毫米
(B)20M毫米
(C)20μ毫米
(D)20P毫米。
4. 1個原子內若強加入1個電子後,則此原子將:
(A)帶正電
(B)帶負電
(C)帶交流電
(D)不帶電。
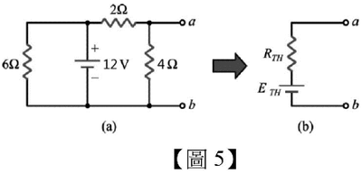
5. 如【圖5】所示,圖(b)為圖(a)的等效電路,則其R
TH
與E
TH
分別為多少?
(A)R
TH
=12/11Ω、E
TH
=2.4V
(B)R
TH
=4/3Ω、E
TH
=8V
(C)R
TH
=4Ω、E
TH
=6V
(D)R
TH
=8/3Ω、E
TH
=4V。
6. 有一蓄電池額定為12V50AH,設以定電壓12V輸出效能0.8計算,此電池所輸出之最大電能量為多少?
(A)0.24度
(B)0.48度
(C)2.4度
(D)6度。
7. 下列電路符號何者為熱敏電阻?
(A)
(B)
(C)
(D)
8. 紫藍黑金棕的五色環色碼電阻讀值為多少?
(A)76Ω±1%
(B)96Ω±5%
(C)7.6Ω±10%
(D)780Ω±10%。
9. 將三個額定功率分別為10W、50W、100W的10Ω的負載電阻串聯在一起,則串聯後所能承受的最大額定功率為多少?
(A)10W
(B)30W
(C)60W
(D)160W。
10. 額定110V、100W和220V、100W的兩個電燈泡,串接在110V的電源上,則此兩個電燈泡消耗之總功率為多少?
(A)12.5W
(B)20W
(C)50W
(D)100W。
11. 有一電池電動勢為12.5V,內部電阻為0.5Ω,若接一負載2Ω,求負載之端電壓約為多少?
(A)8.74V
(B)10V
(C)9.11V
(D)11V。
12. 滿刻度10mA之電流計,其內阻為分流器電阻之249倍,則該電流計能測定之最大電流為多少?
(A)0.4A
(B)250mA
(C)2.5A
(D)10.25mA。
13. 有一電流源,其電流值為3A,內阻為4Ω,請問轉換為等效電壓源後,其電壓值為多少?
(A)0.75V
(B)5V
(C)9V
(D)12V。
14. 節點電壓法的運算是依據下列何者?
(A)電流分配定則
(B)電壓分配定則
(C)克希荷夫電流定律
(D)克希荷夫電壓定律。
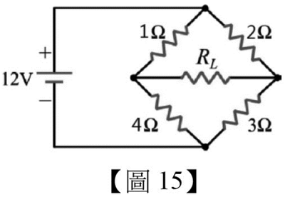
15. 如【圖15】所示電路,求電阻R
L
可獲得最大功率時的電阻值為多少?
(A)1Ω
(B)1.5Ω
(C)2Ω
(D)10Ω。
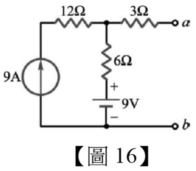
16. 如【圖16】所示,求a、b兩點之諾頓等效電阻R
N
及諾頓等效電流I
N
各為多少?
(A)R
N
=12Ω,I
N
=3A
(B)R
N
=9Ω,I
N
=3A
(C)R
N
=9Ω,I
N
=7A
(D)R
N
=12Ω,I
N
=7A。
17. 有一標示為474J的電容器,其電容量為多少?
(A)47pF
(B)0.047μF
(C)0.47μF
(D)4.70μF。
18. C
1
=4μF,C
2
=6μF,C
3
=12μF流入12V電壓源時,若將三電容器接為串聯電路,則C
1
兩端電壓為多少?
(A)2V
(B)4V
(C)6V
(D)8V。
19. 如【圖19】所示,L
1
=5H,L
2
=4H,M=2H,則L
ab
為多少?
(A)5亨利
(B)7亨利
(C)11亨利
(D)13亨利。
20. 交流正弦波的波形因數(form factor)為多少?
(A)0.637
(B)0.707
(C)1.11
(D)1.414。
21. 有一脈波,其脈波寬度為200μS,若頻率為1kHz,峰值電壓為5V,則其工作週期(duty cycle)為若干?
(A)40%
(B)20%
(C)10%
(D)5%。
22. 有關半導體之敘述,下列何者錯誤?
(A)半導體為負溫度係數
(B)半導體溫度愈高,導電率愈差
(C)矽為半導體材料之一
(D)半導體內之自由電子多寡與溫度成正比。
23. 某矽二極體在溫度20(C時的逆向飽和電流為2nA,若溫度上升至50(C時,則逆向飽和電流變為多少?
(A)16nA
(B)32nA
(C)48nA
(D)64nA。
24. 如【圖24】所示,若LED順向電壓為2V,內阻為100Ω,則流過LED的電流為多少?
(A)15mA
(B)20mA
(C)25mA
(D)40mA。
25. 如【圖25】所示,欲使稽納(Zener)二極體正常工作,其R
L
最小值為:
(A)0Ω
(B)10Ω
(C)30Ω
(D)50Ω。
26. 可變電容二極體當逆向偏壓增加時,其電容量是如何變化?
(A)增加
(B)減少
(C)不變
(D)可變電容二極體不可操作在逆向偏壓。
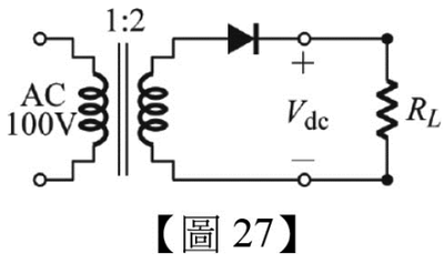
27. 如【圖27】之電路,二極體為理想,則輸出平均值電壓V
dc
為多少?
(A)V
dc
=31.8V
(B)V
dc
=63.6V
(C)V
dc
=141.4V
(D)V
dc
=90V。
28. 在一共射極電晶體電路中,射極電流為5mA,基極電流為0.1mA,求電晶體之β電流增益為何?
(A)39
(B)49
(C)59
(D)69。
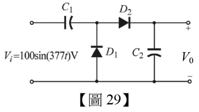
29. 如【圖29】所示為倍壓器電路,若D
1
、D
2
為理想二極體,則輸出電壓V
o
為多少?
(A)141V
(B)-141V
(C)200V
(D)-200V。
30. 如【圖30】所示電路中,若V
i
=10sinωt(伏特),二極體為理想的,則下列敘述何者正確?
(A)當ωt=π/2時;V
o
=15V
(B)當ωt=-π/2時;V
o
=-5V
(C)當ωt=π/6時;V
o
=0V
(D)當ωt=π-π/6時;V
o
=0V。
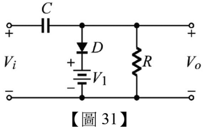
31. 如【圖31】所示電路,V
1
=2V,V
i
為+5V~-5V的方波,則V
o
為何?
(A)+5V~-5V的方波
(B)+2V~-8V的方波
(C)+12V~+2V的方波
(D)0V~-10V的方波。
32. 下列何者為射極隨耦器的特性?
(A)輸入阻抗非常低
(B)輸出阻抗非常高
(C)電壓增益略小於1
(D)輸入信號與輸出信號相位相反。
33. 如【圖33】為電晶體偏壓電路,其中R
B
及R
C
為可調電阻,在實驗一中,若固定R
B
,則欲使電晶體進入飽和區工作,則R
C
應變大或變小?在實驗二中,若電晶體為順向主動區動作且固定R
C
,欲得到較大I
C
電流,則R
B
應變大或變小?
(A)實驗一的R
C
變大,實驗二的R
B
變小
(B)實驗一的R
C
變大,實驗二的R
B
變大
(C)實驗一的R
C
變小,實驗二的R
B
變大
(D)實驗一的R
C
變小,實驗二的R
B
變小。
34. 如【圖34】之電晶體β=200,順偏時V
BE
=0.7V,求集極對地的電壓V
C
≒?
(A)3.2V
(B)5V
(C)8.2V
(D)10.7V。
35. 如【圖35】所示之電路,若β=100,則I
B
與V
E
約為多少?
(A)I
B
=20μA,V
E
=0V
(B)I
B
=20μA,V
E
=2V
(C)I
B
=10μA,V
E
=-1V
(D)I
B
=10μA,V
E
=1V。
36. 如【圖36】所示電路,電晶體α=0.995且V
BE
=0.7V,求其直流偏壓電壓V
CB
為多少?
(A)26V
(B)14V
(C)6.8V
(D)0.7V。
37. 已知電晶體輸出直流I
CQ
=0.99mA,α=0.99及V
T
=25mV,求電晶體交流等效電阻r
e
為多少?
(A)50Ω
(B)25Ω
(C)30Ω
(D)15Ω。
38. 如【圖38】所示,若電晶體r
π
=2kΩ,β=100,則Av=
約為多少?
(A)50
(B)1
(C)0.9
(D)0.5。
39. 有關電晶體放大電路的三種基本組態(CE、CB、CC)之敘述,下列何者錯誤?
(A)共基極(CB)電路具有最低的輸入阻抗及最高的輸出阻抗
(B)共集極(CC)電路的電壓增益略小於1
(C)共射極(CE)電路具有最高的輸入阻抗及最低的輸出阻抗
(D)共基極(CB)電路的電流增益略小於1。
40. 有一三級串接放大器,各級電壓增益分別為40、125、200,求其總增益為多少分貝?
(A)60dB
(B)120dB
(C)235dB
(D)365dB。
41. 交流電路中電容器之電抗用X
C
表示,其電抗值之敘述,下列何者錯誤?
(A)與電容值成反比
(B)與頻率值成反比
(C)與電壓值成正比
(D)與電流值無關。
42. R-L-C串聯電路,如【圖42】所示電路之總阻抗為多少?
(A)6Ω
(B)10Ω
(C)14Ω
(D)22Ω。
43. 如【圖43】所示電路,若以一理想交流伏特表測得V
R
=80V,V
L
=20V,V
C
=80V,則電源
為多少?
(A)20V
(B)80V
(C)100V
(D)200V。
44. 有一RL串聯電路,已知功率因數0.6、有效功率P=12kW,求電路虛功率為多少?
(A)0kVAR
(B)8kVAR
(C)16kVAR
(D)20kVAR。
45. 如【圖45】所示,電路之消耗功率為多少?
(A)900W
(B)1000W
(C)1200W
(D)
×10
4
W。
46. 四色碼電阻,規格為8.3kΩ±5%,則其色碼應為何色組?
(A)藍紅橙金
(B)灰橙紅金
(C)白紅橙金
(D)黑橙紅金。
47. 將12伏特的電壓加在一個色碼電阻上,若此色碼電阻之色碼依序為藍黑黃金,則此電阻流過電流為:
(A)20μA
(B)60μA
(C)200μA
(D)12mA。
48. 有一純銅線在溫度25度C時期電阻為10Ω,當溫度上升至75度C時,其電阻約為多少?
(A)5.8Ω
(B)8.2Ω
(C)11.9Ω
(D)16.1Ω。
49. 有一交流負載阻抗為6+j6Ω,則其通交流電後產生之功率因素為多少?
(A)0.5
(B)0.64
(C)0.71
(D)0.8。
50. 如【圖50】所示電路,若L
1
=6H,L
2
=10H,兩線圈的互感M=2H,求並聯總電感為多少?
(A)2.3H
(B)2.8H
(C)12H
(D)20H。
51. 有一60Hz交流正弦波,啟始值為0(在經過
秒瞬間,此時的電工角為多少?
(A)30°
(B)45°
(C)60°
(D)90°
52. 有一交流電壓源其內阻為6+j8Ω,若欲獲得最大功率輸出,其負載阻抗應為多少?
(A)6-j8Ω
(B)6+j8Ω
(C)6Ω
(D)10Ω。
53. 有一電熱器之電阻值為5Ω,當通以10安培之電流時損失不計,則該電熱器每秒產生的熱量為多少?
(A)240卡
(B)500卡
(C)120卡
(D)50卡。
54. P通道接面場效電晶體(JFET)之電荷載子為何?
(A)電子
(B)主載子為電洞、副載子為電子
(C)主載子為電子、副載子為電洞
(D)電洞。
55. 有一JFET動作於夾止區,若夾止電壓Vp=-4V,I
DSS
=8mA,求V
GS
=-2V時的I
D
值為多少?
(A)2mA
(B)4mA
(C)8mA
(D)10mA。
56. 有關場效電晶體的敘述,下列何者錯誤?
(A)場效電晶體的輸入阻抗大於雙接面電晶體
(B)場效電晶體的主要型式有JFET,空乏型MOSFET,增強型MOSFET
(C)場效電晶體以控制通道之寬度而達到控制I
D
大小之目的
(D)在JFET中,若V
GS
順向偏壓可使JFET夾止動作。
57. 空乏型N通道MOSFET中,下列哪一項可使元件不導通?
(A)V
DS
>0
(B)V
GS
=0
(C)V
GS
≫0
(D)V
GS
≪0。
58. 欲使增強式N通道MOSFET工作於飽和區,其偏壓條件為何?
(A)V
GS
>V
T
,V
DS
>V
GS
-V
T
(B)V
GS
>V
T
,V
DS
<V
GS
-V
T
(C)V
GS
<V
T
,V
DS
>V
GS
-V
T
(D)V
GS
<V
T
,V
DS
<V
GS
-V
T
。
59. 如【圖59】所示電路,工作點設置於V
GS
=-2V,V
DS
=2V,I
D
=2mA,則Rs與R
D
分別為多少?
(A)Rs=1.5kΩ,R
D
=3.5kΩ
(B)Rs=1.5kΩ,R
D
=5kΩ
(C)Rs=0.5kΩ,R
D
=4.5kΩ
(D)Rs=0.5kΩ,R
D
=6kΩ。
60. 如【圖60】所示電路為N通道空乏型MOSFET的偏壓電路,設V
DD
=+24V,R
D
=2kΩ,R
G
=10MΩ,MOSFET的I
DSS
=9mA,Vp=-4.5V,則直流偏壓值I
D
與V
DS
為何?
(A)I
D
=9mA,V
DS
=6V
(B)I
D
=2mA,V
DS
=20V
(C)I
D
=9mA,V
DS
=18V
(D)I
D
=0A,V
DS
=24V。
61. 如【圖61】所示電路,忽略r
d
,若g
m
=4mA/V,Rs=1kΩ,則Av=Vo/Vi為多少?
(A)0.5
(B)0.8
(C)0.9
(D)1。
62. 有一個OPA的迴轉率SR為2V/μs,當輸入信號在10μs內變動0.5V,則在不失真的情況下,該放大器之Av=?
(A)10
(B)20
(C)30
(D)40。
63. 如【圖63】所示,若Vi=10sinωt伏特,且OPA之正、負飽和輸出電壓為±10V,則輸出電壓Vo範圍為何?
(A)0V
(B)-10V~+10V
(C)0~+10V
(D)-10V~0V。
64. 如【圖64】所示電路,Vi為一對稱三角波,則Vo的波形為何?
(A)方波
(B)三角波
(C)脈波
(D)正弦波。
65. 有關振盪器之敘述,下列何者錯誤?
(A)低頻振盪器一般採用RC電路
(B)射頻振盪器一般採用LC電路
(C)石英晶體振盪器是利用晶體本身之壓電效應
(D)振盪器是一種將交流電變為直流電的裝置。