Toggle navigation
最新消息
線上論壇
考古題
常見問題
帳號申請
忘記密碼
題庫分類
公職考試
鐵路特考
高普考
初等五等
地方特考(三、四等)
一般/警察特考
司法特考
移民特考
關務特考
民航特考
調查局
海巡特考
稅務特考/國稅局約僱人員
身障特考
外交特考
機關就業
經濟部國營事業聯合招考
國營臺鐵公司
捷運公司
台電新進雇員
自來水公司評價人員
中油公司
中鋼公司
中華郵政
中華電信
臺灣菸酒
臺灣港務
臺鐵營運人員
農會
漁會
農田水利
環保局清潔隊員、稽查員
公路監理
台糖
臺北自來水
經濟部工業局
公幼教保人員
證券類
證券商業務員
證券商高級業務員
期貨商業務員
投信投顧業務員
企業內部控制
股務人員
票券商業務員
證券分析師
金融市場常識與職業道德
債券人員
銀行類
NEW!!! 高齡金融規劃顧問師資格測驗
金融人員基礎學科測驗(FIT)
金融科技力知識證照
理財規劃人員證照
信託業務人員證照
銀行內部控制與內部稽核證照(一般金融)
初階授信人員證照
初階外匯人員證照
銀行內部控制與內部稽核證照(消費金融)
公民銀行招考(一般金融組)
公民銀行招考(共同科目)
公民銀行招考(儲備人員)
公民銀行招考(工員)
證照類
導遊領隊人員
不動產經紀人
地政士
消防設備人員
門市服務丙級技術士
保險類
投資型保險業務員
人身保險代理人
財產保險經紀人
財會類
記帳士
會計事務技術士乙級
中小企財務人員
會計事務技術士丙級
國貿類
國貿業務技術士乙級
國貿大會考
國貿業務技術士丙級
專責報關人員
兩岸暨東協經貿商務人才
升學考試
警專正期班
四技二專
升大分科測驗
模擬考試
警專正期班第36期線上模擬考試(完整版)
警專考試能力測驗分析
軍事考試
軍事考試
初等基本電學大意
單選題
每題2.5分
1. 某一導線在0℃時之電阻溫度係數為0.0045℃
-
1
,則在111℃時之電阻溫度係數約為何?
(A)0.0040℃
-
1
(B)0.0035℃
-
1
(C)0.0030℃
-
1
(D)0.0020℃
-
1
。
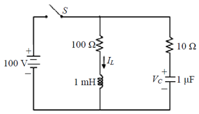
2. 如圖所示電路,求開關S閉合後,到達穩態時之I
L
及V
C
值各為何?
(A)I
L
=0A,V
C
=0V
(B)I
L
=0A,V
C
=10V
(C)I
L
=1A,V
C
=10V
(D)I
L
=1A,V
C
=100V。
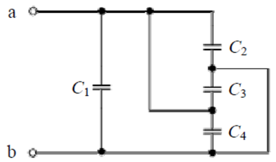
3. 如圖所示電路,四個電容器的電容量皆為2法拉,試問電路a-b間的總電容量為多少法拉?
(A)4法拉
(B)6法拉
(C)8法拉
(D)12法拉。
4. 某電流源在斷路時可量得電壓為5V,短路時可量得電流為1A。若接上10Ω的負載,試問流過負載的電流為多少?
(A)1/3A
(B)1/2A
(C)1A
(D)3/2A。
5. 某兩金屬導線A及B在某一溫度之電阻溫度係數分別為a
1
及a
2
,此時A導線電阻為B導線電阻之2倍,當溫度上升到某一溫度時,A導線電阻變為B導線電阻之1.8倍,下列何者正確?
(A)a
1
<a
2
(B)a
1
>a
2
(C)a
1
=a
2
(D)無法判斷。
6. 弦波電壓源v
S
=5sin(4×3.14×10
3
t+30()V驅動之RLC串聯電路,電感器L與電容器C的電抗比值大小為100,該電路之諧振頻率應為多少Hz?
(A)20Hz
(B)25Hz
(C)100Hz
(D)200Hz。
7. 圖一為RC並聯電路,圖二為同電路再並聯一電阻R
2
之RC並聯電路。令交流導納各為Y
1
=1/Z
T1
=|?Y
1
?|∠θ
1
與Y
2
=1/Z
T2
=|?Y
2
?|∠θ
2
,且電流各為I
1
=|?I
1
?|∠θ
I1
與I
2
=|?I
2
?|∠θ
I2
,則下列何者正確?
(A)|?I
1
?|<|?I
2
?|
(B)|?Y
1
?|>|?Y
2
?|
(C)θ
1
<θ
2
(D)θ
I1
<θ
I2
。
8. 如圖所示電路,若交流電源為10sin 1000t伏特,試求交流阻抗Z
T
為多少Ω?
(A)2+j2
(B)3+j2
(C)2+j3
(D)3+j3。
9. 如圖所示,求取a-b端之戴維寧電壓為何?
(A)(1/2)IR
(B)IR
(C)(2/5)IR
(D)(1/3)IR。
10. 如圖所示電路,C
1
=3法拉,C
2
=2法拉,已知電容器C
3
兩端的電壓V
3
為2伏特,試問C
3
等於多少法拉?
(A)5法拉
(B)3.75法拉
(C)2.5法拉
(D)1法拉。
11. 若在一個很純的矽(Si)晶體中加入一種週期表中第五族的元素,則此矽晶體會呈現下列何種導電性?
(A)p型
(B)n型
(C)不導電
(D)不影響原導電性。
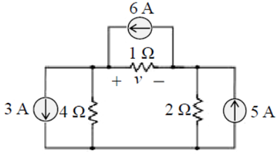
12. 如圖所示電路,試求流過電壓源之電流I
2
為何?
(A)0.1A
(B)-0.3A
(C)-0.4A
(D)0.45A。
13. 如圖所示,設V
X
=3V,I
X
=-2A,試問這個電路元件會獲得能量或是消耗能量?
(A)獲得能量
(B)消耗能量
(C)既不獲得也不消耗能量
(D)會自我產生能量。
14. 圖二為圖一所示電路之等效T型電路,則圖二中之三個等效電阻R
1
、R
2
及R
3
各為多少Ω?
(A)R
1
=0.3Ω,R
2
=0.6Ω,R
3
=1.8Ω
(B)R
1
=0.6Ω,R
2
=0.3Ω,R
3
=1.8Ω
(C)R
1
=2Ω,R
2
=10Ω,R
3
=8Ω
(D)R
1
=3Ω,R
2
=18Ω,R
3
=6Ω。
15. 如圖所示電路,其等效交流阻抗Z
T
若以相量表示,則其相位角之數值為:
(A)tan
-
1
2
(B)tan
-
1
1
(C)tan
-
1
0.5
(D)tan
-
1
1.5。
16. 設真空之比例常數k為9×10
9
N-m
2
/coul
2
,若有1×10
-
3
coul之正電荷與5×10
-
5
coul之負電荷,相距5m,試求其間之靜電力?
(A)9N,斥力
(B)9N,吸力
(C)18N,斥力
(D)18N,吸力。
17. 如圖所示電路,求電壓v之值約為何?
(A)3.6V
(B)3.9V
(C)4.0V
(D)4.2V。
18. 如圖所示電路,已知R
1
、R
2
、R
3
三個電阻的電阻值皆相同,試問電阻R
1
所消耗的功率為電阻R
3
消耗功率的多少倍?
(A)
(B)
(C)2
(D)4。
19. 如圖所示RL並聯電路,在時間t=0時,開關SW閉合,若外加直流電流源I=2安培,當t=4毫秒時,試求跨於電感上之電壓約為多少伏特?
(A)7.38伏特
(B)13.5伏特
(C)0.10伏特
(D)0.04伏特。
20. 以i
S
=800sin(10
4
t+30()mA驅動的RLC並聯諧振電路中,L=1mH、C=0.01mF,已知其品質因數Q
0
=20,則該電路之3分貝頻寬(BW)應為多少rad/s?
(A)500rad/s
(B)800rad/s
(C)1600rad/s
(D)2000rad/s。
21. 如圖所示電路,求電阻R之最大功率值約為何?
(A)44.44W
(B)33.33W
(C)30W
(D)22.22W。
22. 材質相同之兩燈泡,A燈泡為110V、50W,B燈泡為220V、50W,若兩燈泡串聯後接110V電源使用,則下列敘述何者正確?
(A)B燈泡較A燈泡亮
(B)B燈泡電阻較A燈泡電阻小
(C)A燈泡功率較B燈泡功率大
(D)兩者亮度相同。
23. 一具馬達在120V/60Hz之下,輸入的電流為80A,而輸出為10馬力(1馬力=746W)。若馬達的機械功率轉換效率為90%,試求其虛功率(reactive power)?
(A)1.32kvar
(B)4.85kvar
(C)7.46kvar
(D)9.6kvar。
24. 如圖所示,V=30伏特,R
1
=10Ω,R
2
=5Ω,R
3
=10Ω,C=20mF,電容器初始電壓為5V,當開關S閉合後0.4秒時,電容器上之電壓為何?
(A)11.32V
(B)12.97V
(C)13.65V
(D)15V。
25. 試求圖中6Ω電阻兩端a-b點間之戴維寧等效電壓為何?
(A)12伏特
(B)18伏特
(C)24伏特
(D)36伏特。
26. 如圖所示電路,求電壓v之值為何?
(A)3V
(B)2.5V
(C)2V
(D)1.5V。
27. 將三個相同電量的正電荷分別放在邊長為2公分的正三角形頂點,此時在三角形中心點的電位設為V
1
;而將四個與前述相同電量的正電荷分別放在邊長為4公分的正四邊形頂點,在四邊形中心點的電位設為V
2
。試問
為何?
(A)
(B)
(C)
(D)
。
28. 某駕駛於關閉汽車引擎時忘了同時關掉車上一盞40W的大燈,設此汽車之電池為12V,額定為50安培-小時,且引擎關閉時為飽滿狀態,但當電池容量低於原來的20%時,汽車引擎即無法啟動,此駕駛最遲應於多少時間內趕回來,免得大燈因耗電過多導致汽車引擎無法啟動?
(A)6小時
(B)12小時
(C)18小時
(D)24小時。
29. 如圖所示,週期性電壓波形之波形因數為何?
(A)
(B)
(C)
(D)
。
30. 如圖所示,電路之v
S
=0.4sin(ωt)V及品質因數Q=10,則當頻率ω=52.5krad/s時,電流i之振幅約為多少mA?
(A)4
(B)14.1
(C)28.3
(D)40。
31. 如圖所示,R
1
=6Ω,R
2
=3Ω,C=2F,開關閉合前,電容器電壓為6V,則開關閉合瞬間電流i為多少?
(A)1A
(B)3A
(C)6A
(D)12A。
32. 以圖一電壓源v
1
及v
2
供給至圖二電路,若其負載之功率相同時,則電壓源v
2
之A值約為何?
(A)147伏特
(B)132伏特
(C)120伏特
(D)98伏特。
33. 一個10kW的負載在120V/60Hz之下測得的電流為100A。試問虛功率(reactive power)為多少?
(A)2kvar
(B)6.63kvar
(C)8.33kvar
(D)12kvar。
34. 2H電感器通以週期性電流i(t),如圖所示為i(t)的一個週期且其單位為安培,該電感器之自感應電壓為v(t),則v(t)的平均值為多少伏特?
(A)0
(B)3
(C)6
(D)12。
35. 一電池,設a表正極端,b表負極端,則電池內部電流方向應為下列何者?
(A)a到b
(B)b到a
(C)不一定
(D)不流動。
36. 如圖所示,R
L
為何值可獲取最大功率?
(A)1Ω
(B)2Ω
(C)3Ω
(D)4Ω。
37. 如圖所示電路,若電流V
ab
=0,求交流阻抗Z為多少Ω?
(A)3
(B)j3
(C)-j3
(D)5。
38. 如圖所示,在x=d及x=-d處分別放置+Q及-Q之電荷,A、B兩點位於y軸,其座標分別為y=d及y=2d。若A點的電場強度為E,則B點電場強度為何?
(A)
(B)
(C)
(D)0。
39. 有一負載為6Ω電阻與38mH電感並聯,試問在120V/60Hz之下的功率因數為多少?
(A)0.419
(B)0.633
(C)0.804
(D)0.922。
40. 如圖所示,螺線管線圈中已知磁阻為5×10
6
安培/韋伯、匝數為500匝,則該線圈之電感量為多少亨利?
(A)0.001亨利
(B)0.01亨利
(C)0.025亨利
(D)0.05亨利。