Toggle navigation
最新消息
線上論壇
考古題
常見問題
帳號申請
忘記密碼
題庫分類
公職考試
鐵路特考
高普考
初等五等
地方特考(三、四等)
一般/警察特考
司法特考
移民特考
關務特考
民航特考
調查局
海巡特考
稅務特考/國稅局約僱人員
身障特考
外交特考
機關就業
經濟部國營事業聯合招考
國營臺鐵公司
捷運公司
台電新進雇員
自來水公司評價人員
中油公司
中鋼公司
中華郵政
中華電信
臺灣菸酒
臺灣港務
臺鐵營運人員
農會
漁會
農田水利
環保局清潔隊員、稽查員
公路監理
台糖
臺北自來水
經濟部工業局
公幼教保人員
證券類
證券商業務員
證券商高級業務員
期貨商業務員
投信投顧業務員
企業內部控制
股務人員
票券商業務員
證券分析師
金融市場常識與職業道德
債券人員
銀行類
NEW!!! 高齡金融規劃顧問師資格測驗
金融人員基礎學科測驗(FIT)
金融科技力知識證照
理財規劃人員證照
信託業務人員證照
銀行內部控制與內部稽核證照(一般金融)
初階授信人員證照
初階外匯人員證照
銀行內部控制與內部稽核證照(消費金融)
公民銀行招考(一般金融組)
公民銀行招考(共同科目)
公民銀行招考(儲備人員)
公民銀行招考(工員)
證照類
導遊領隊人員
不動產經紀人
地政士
消防設備人員
門市服務丙級技術士
保險類
投資型保險業務員
人身保險代理人
財產保險經紀人
財會類
記帳士
會計事務技術士乙級
中小企財務人員
會計事務技術士丙級
國貿類
國貿業務技術士乙級
國貿大會考
國貿業務技術士丙級
專責報關人員
兩岸暨東協經貿商務人才
升學考試
警專正期班
四技二專
升大分科測驗
模擬考試
警專正期班第36期線上模擬考試(完整版)
警專考試能力測驗分析
軍事考試
軍事考試
鐵路特考 » 佐級(機械工程) » 歷屆題庫 » 104年 » 機械原理大意
單選題
每題2.63分
1. 牛頭刨床的自動進給機構是一種:
(A)直線運動機構(straight line motion mechanism)
(B)可逆棘輪機構(reversible ratchet)
(C)曲柄搖桿機構(crank and rocker mechanism)
(D)平行等曲柄機構(parallel equal crank mechanism)。
2. 日內瓦機構之從動件具有6個徑向溝槽,若主動件轉速為120rpm,則從動件旋轉一圈需要多少秒?
(A)2
(B)3
(C)12
(D)20。
3. 某鐵捲門手動滑車採用惠斯頓差動滑車(Weston differential pulley block)形式,兩定滑輪的直徑分別為DA=300mm及DB=240mm,動滑輪的直徑為DC=280mm,若不計摩擦損失,則其機械利益為何?
(A)10
(B)15
(C)20
(D)30。
4. 下列有關於凸輪之敘述,何者正確?
(A)滾子從動件的跡點所經過的軌跡為凸輪的工作曲線
(B)從動件的運動方向與凸輪接觸點的公法線的夾角,稱為「作用角」(angle of action)
(C)壓力角(pressure angle)越大,則從動件與導路之間的側壓力越大
(D)若凸輪的總升程不變,則基圓越小者,其壓力角越小。
5. 回歸齒輪系中,模數為5mm,若輸入軸齒輪的齒數為N1=12齒,接著依傳動順序,齒輪的齒數分別為N2=72齒、N3=21齒,其中齒輪2與3在同一軸上,試求輸出齒輪的節圓直徑為何?
(A)300mm
(B)405mm
(C)315mm
(D)270mm。
6. 下列有關輪系值(train value)的敘述,何者錯誤?
(A)輪系值是末輪轉速與首輪轉速的比值
(B)若輪系值為正,代表首末兩輪的迴轉方向相同
(C)用於增速的輪系,其輪系值的絕對值大於1
(D)複式輪系的中間軸齒輪不影響輪系值的大小。
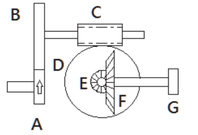
7. 如下圖所示之複式輪系,A、B為正齒輪,C為三線右旋蝸桿,D為蝸輪,E、F為斜齒輪,齒輪G與齒輪F固定於同一轉軸。設齒數TA=26、TB=45、TD=52、TE=16、TF=48,若A輪轉動方向如箭頭所示,則齒輪A的轉速nA與齒輪G的轉速nG的關係為:
(A)nA:nG=90:1,轉向相同
(B)nA:nG=90:1,轉向相反
(C)nA:nG=270:1,轉向相同
(D)nA:nG=270:1,轉向相反。
8. 下列有關齒輪傳動之敘述,何者正確?
(A)互相嚙合的兩螺旋齒輪,螺旋角相同,螺旋方向亦相同
(B)螺旋齒輪因為以漸進方式嚙合,運轉平滑安靜,不會產生軸向推力
(C)冠狀齒輪(crown gear)兩軸中心線夾角大於90°
(D)蝸輪與蝸桿嚙合時,由於輪面內凹成弧形,具有提高機械效率之優點。
9. 下列有關摩擦輪傳動功率之敘述,何者錯誤?
(A)摩擦輪傳動之功率與接觸面之正壓力成正比
(B)為提高摩擦輪之傳動功率,應設法提高接觸面之摩擦係數
(C)摩擦輪之傳動功率與摩擦輪之直徑大小無關
(D)摩擦輪之轉速越高,其傳動功率越大。
10. 下列有關鏈輪傳動之敘述,何者正確?
(A)鉤接鏈(hook joint chain)的鏈環,環環相鉤連接,是一種動力傳達鏈
(B)為使磨損均勻,滾子鏈(roller chain)的鏈輪採用奇數齒數,鏈條的鏈節數為偶數
(C)倒齒鏈(inverted tooth chain)的鏈片兩側為斜直邊齒形,節距因磨損而增長時,易生噪音及脫離鏈輪
(D)降低滾子鏈輪的齒數,可以減低鏈輪傳動時,因為弦線作用(chordal action)造成的震動現象。
11. 電扇擺頭屬於下列那種機構之應用?
(A)雙曲柄機構(double crank mechanism)
(B)雙搖桿機構(double rocker mechanism)
(C)相等曲柄機構(equal crank mechanism)
(D)曲柄搖桿機構(crank and rocker mechanism)。
12. 一對五級的相等塔輪,若主動軸之轉速為n0,從動軸之轉速,由低至高,依次為n1、n2、n3、n4、n5,則下列敘述,何者正確?
(A)n1.n2=2/0 n
(B)n4.n5=2/3 n
(C)n1.n4=n2.n3
(D)n1.n5=n2.n4。
13. 下列有關撓性傳動(flexible transmission)之敘述,何者正確?
(A)皮帶傳動透過拉力方式傳動,僅適用於平行兩軸之間的傳動場合
(B)V型皮帶具有高速傳動與鏈條傳送動力的特性,適用於汽車引擎之正時傳動
(C)V型皮帶的規格有M、A、B、C、D、E等六種,其中,M級的抗張強度最大
(D)皮帶輪傳動時,緊邊張力(tight side tension)與鬆邊張力(loose side tension)之比值,以7:3為最佳。
14. 下列有關軸承之敘述,何者錯誤?
(A)多孔軸承以粉末冶金方法製造,使用時不需再加潤滑油,亦稱無油軸承
(B)空氣軸承利用外壓將空氣注入軸承與軸頸之間隙,以減少摩擦,屬於滑動軸承
(C)滾動軸承的規格以軸承內徑、外徑及寬度表示其主要尺度
(D)球面滾子軸承(spherical roller bearing)可以使軸承在微小位置偏差時,具有自動對正中心的作用。
15. 下列有關彈簧之敘述,何者錯誤?
(A)彈簧指數(spring index)越大,彈簧越容易變形
(B)彈簧常數(spring constant)越小,彈簧越容易變形
(C)將彈簧並聯使用時,整體的變形量等於個別彈簧的變形量
(D)將彈簧串聯使用時,整體的受力等於個別彈簧受力的總和。
16. 下列何者不適合用於傳遞重負荷?
(A)甘迺迪鍵(Kennedy key)
(B)路易氏鍵(Lewis key)
(C)栓槽鍵(spline key)
(D)鞍鍵(saddle key)。
17. 某複式螺旋(compound screw)由兩支螺桿組合而成,其螺紋規格分別為M14×2.0及L-2N M10×1.5,試問其導程應為多少mm?
(A)0.5
(B)1.0
(C)3.5
(D)5.0。
18. 一螺旋起重機之螺紋為2N M36×4.0,手柄長度為20cm,以15N的施力,舉升2000N的重物,試問:下列敘述何者正確?
(A)機械利益≈133;機械效率≈85%
(B)機械利益≈133;機械效率≈42%
(C)機械利益≈314;機械效率≈42%
(D)機械利益≈157;機械效率≈85%。
19. 下列有關四連桿機構之敘述,何者錯誤?
(A)四連桿機構之任意三件連桿長度之和,必大於第四桿長度
(B)四連桿機構中,繞固定軸作360°迴轉之連桿,稱為「搖桿」(rocker)
(C)雙曲柄機構的固定桿為四連桿機構之最短桿
(D)雙搖桿機構的固定桿為四連桿機構之最短桿的對邊桿。
20. 機構學中有關高對與低對的定義,下列敘述何者正確?
(A)滑動對為高對
(B)凸輪對為低對
(C)螺旋對為高對
(D)齒輪對為高對。
21. 有關四連桿機構中傳動角的敘述,何者正確?
(A)傳動角通常指的是驅動桿與浮桿間的夾角
(B)傳動角通常大於135°時,傳動較容易
(C)傳動角通常非定值,會隨四連桿的運動而變化
(D)傳動角的最佳值為0°。
22. 一般而言,有關滾動與滑動軸承的比較,何者敘述錯誤?
(A)滑動軸承構造較簡單,拆卸較容易
(B)滾動軸承啟動阻力較小,潤滑較容易
(C)滑動軸承動力損失較少
(D)滑動軸承可承受較大的衝擊負荷。
23. 在複式輪系中,首輪與末輪在同一軸線上旋轉,常用於減速機構之場合者為何種齒輪系?
(A)差速齒輪系
(B)回歸齒輪系
(C)周轉齒輪系
(D)普通輪系。
24. 下列有關撓性聯結器(flexible coupling)之敘述,何者錯誤?
(A)使用歐丹聯結器(Oldham's coupling)之兩軸,互相平行,但不在同一中心線上
(B)當歐丹聯結器之主動軸以等角速度旋轉時,從動軸亦以相同等角速度旋轉
(C)萬向接頭(universal joint)是球面四連桿組(conic four-bar linkage)之應用
(D)使用萬向接頭的兩軸中心線交於一點,若兩軸夾角越小,則角速度變化越大。
25. 有關螺絲墊圈(washer)之敘述,何者錯誤?
(A)梅花墊圈具有鎖緊及防震功用
(B)墊圈可增加摩擦面及減少鬆動
(C)墊圈為傳達運動的機件
(D)平墊圈以圓形最常見。
26. 公制螺紋表示法LN 2N M20×2.5-6g5g,下列何者敘述錯誤?
(A)公制螺紋大小,以螺距(P)的大小表示
(B)螺距P=20,單位為mm
(C)螺紋屬左螺紋
(D)外徑公差為5g。
27. 一彈簧組是由兩彈簧k1與k2串聯後,再與第3根彈簧k3並聯所組成,此彈簧組受W的軸向負荷,則總變形量為?
(A)w/(k1k2+k1k3+k2k3)
(B)w(k1+k2)/(k1k2+k1k3+k2k3)
(C)w(k1k2+k1k3+k2k3)/(k1+k2)
(D)w/(k1+k2+k3)。
28. 防止平皮帶脫落情況發生可採用的方法,何者錯誤?
(A)在平皮帶進輪處設置帶叉
(B)帶輪兩側製成凸緣狀
(C)在帶輪輪面中央部分做成隆起狀
(D)增加皮帶與輪面間的潤滑。
29. 車輛用鼓式和碟式煞車制動器比較的敘述,何者正確?
(A)碟式煞車制動器較適合為卡車等需要高煞車能力的場合使用
(B)鼓式煞車排水性較好,不致因泥土與水等影響剎車效果
(C)一般而言,碟式煞車具有較佳之散熱效果與穩定性
(D)鼓式煞車制動器利用摩擦片抵住鼓輪產生制動作用,又稱卡鉗圓盤式制動器。
30. 兩個互相嚙合的外接正齒輪,模數為2mm,兩軸中心距為100mm,兩齒輪的齒數若相差50齒時,其大小齒輪的轉數比(大 n :小 n )為何?
(A)2:1
(B)1:3
(C)2:3
(D)4:1。
31. 模數為2,齒 數 為26,則齒輪之節圓直徑為何?
(A)13mm
(B)26mm
(C)52mm
(D)6.28mm。
32. 在油壓千斤頂中,其施力端的活塞直徑較抗力端的活塞直徑為小,而達到省力效果,是應用何種原理而設計?
(A)柏努力(Bernoulli)定律
(B)巴斯卡(Pascal)原理
(C)質量不滅定律
(D)能量守恆。
33. 兩圓錐形摩擦輪A與B,若不計打滑現象,其切線速度比為VA:VB=2:1,兩輪直徑比為DA:DB=2:3,則兩輪軸的轉速比為何?
(A)3:1
(B)4:1
(C)1:2
(D)1:4。
34. 對於四連桿機構,假設最短桿為a,最長桿為b,其餘兩桿長為c與d,在何種情況至少有一桿能做360°的旋轉?
(A)a+b>c+d
(B)a+b<c+d
(C)a+c>b+d
(D)a+c=b+d。
35. 四連桿機構的瞬心共有幾個?
(A)15
(B)10
(C)4
(D)6。
36. 下列何者為肘節機構(toggle mechanism)的應用?
(A)腳踏車
(B)模具衝壓機
(C)汽車轉向機構
(D)萬能繪圖機。
37. 四連桿組ABCD中,桿件長AB=20cm,BC=30cm,CD=40cm,AD=40cm,若AB為固定桿,則此四連桿形成何種機構?
(A)曲柄搖桿機構
(B)雙曲柄機構
(C)雙搖桿機構
(D)三搖桿機構。
38. 起重滑車由三個單槽輪組成,即由1個定滑輪與2個動滑輪所組成,如附圖所示,其機械利益為何?
(A)2
(B)3
(C)4
(D)0.5。