Toggle navigation
最新消息
線上論壇
考古題
常見問題
帳號申請
忘記密碼
題庫分類
公職考試
鐵路特考
高普考
初等五等
地方特考(三、四等)
一般/警察特考
司法特考
移民特考
關務特考
民航特考
調查局
海巡特考
稅務特考/國稅局約僱人員
身障特考
外交特考
機關就業
經濟部國營事業聯合招考
國營臺鐵公司
捷運公司
台電新進雇員
自來水公司評價人員
中油公司
中鋼公司
中華郵政
中華電信
臺灣菸酒
臺灣港務
臺鐵營運人員
農會
漁會
農田水利
環保局清潔隊員、稽查員
公路監理
台糖
臺北自來水
經濟部工業局
公幼教保人員
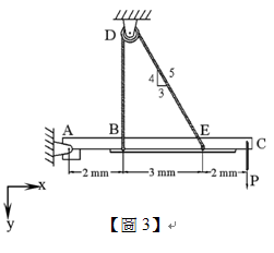
證券類
證券商業務員
證券商高級業務員
期貨商業務員
投信投顧業務員
企業內部控制
股務人員
票券商業務員
證券分析師
金融市場常識與職業道德
債券人員
銀行類
NEW!!! 高齡金融規劃顧問師資格測驗
金融人員基礎學科測驗(FIT)
金融科技力知識證照
理財規劃人員證照
信託業務人員證照
銀行內部控制與內部稽核證照(一般金融)
初階授信人員證照
初階外匯人員證照
銀行內部控制與內部稽核證照(消費金融)
公民銀行招考(一般金融組)
公民銀行招考(共同科目)
公民銀行招考(儲備人員)
公民銀行招考(工員)
證照類
導遊領隊人員
不動產經紀人
地政士
消防設備人員
門市服務丙級技術士
保險類
投資型保險業務員
人身保險代理人
財產保險經紀人
財會類
記帳士
會計事務技術士乙級
中小企財務人員
會計事務技術士丙級
國貿類
國貿業務技術士乙級
國貿大會考
國貿業務技術士丙級
專責報關人員
兩岸暨東協經貿商務人才
升學考試
警專正期班
四技二專
升大分科測驗
模擬考試
警專正期班第36期線上模擬考試(完整版)
警專考試能力測驗分析
軍事考試
軍事考試
臺灣菸酒 » 機械 » 模擬題庫 » 工程力學
單選題
每題2分
1. 如【圖18】所示之簡支梁,剛度為EI,C點位於梁中央處,於C點剖面內之D點,其撓曲應力為多少?
【圖18】
(A)0
(B)WhL
2
/I
(C)WhL
2
/4I
(D)WhL
2
/8I。
2. 一物體之質量為10kg,以5 m/sec之等速在一水平表面上移動,物體與表面之間摩擦係數為0.20,如果停止施力,則多久時間該物體將停止移動?
(A)0 sec
(B)2.55 sec
(C)1 sec
(D)2.17 sec。
3. 如圖所示,受外力作用之鋼架,則B點之垂直反力為多少?
(A)1 KN
(B)3 KN
(C)8 KN
(D)10 KN。
4. 力平行移動到與作用線平行的直線上時,下列敘述何者正確?
(A)對移動效應與原力系的轉動效應皆無影響
(B)對移動效應與原力系的轉動效應皆有影響
(C)對移動效應有影響,對原力系的轉動效應無影響
(D)對移動效應無影響,對原力系的轉動效應有影響。
5. 任何一力必須具備三要素為何?
(A)大小、方向、時間
(B)大小、方向、空間
(C)大小、時間、空間
(D)大小、方向、作用點。
6. 一等向性材料的彈性模數為2(10
7
)N/cm
2
,蒲松比為0.25,則剪力彈性模數(Shear elasticity modulus)為若干N/cm
2
?
(A)4(10
6
)
(B)8(10
6
)
(C)16(10
6
)
(D)25(10
6
)。
7. 有一梁如【圖7】所示,Ax為多少?(最接近值)
【圖7】
(A)4.75t
(B)5.25t
(C)6t
(D)7.5t。
8. 在沒有空氣阻力之情形下,一球自10m高之屋頂自由落下,若球與地面間之恢復係數(coefficient of restitution)為0.9,則其最大之反跳高度為:
(A)10m
(B)9m
(C)8.1m
(D)4.5m。
9.
(A)
(B)
(C)
(D)
。
10. 一細長均質桿斜靠在光滑牆面上,與地面夾角為θ,桿與地面間之靜摩擦係數為μ,若想保持靜止平衡,試問μ至少要大於多少才夠?
(A)tan(θ/2)
(B)tanθ
(C)0.5
(D)1/(2tanθ)。
11. 甲、乙兩衛星分別環繞地球做等速率圓週運動,已知兩者的週期比值為T
1
/T
2
=8,則兩者的速率比值V
1
/V
2
為:
(A)4
(B)2
(C)1
(D)1/2。
12. 如下圖所示之均質物體重W=100Kg,假設物體在滑動前先發生傾倒,在此假設條件下,此物體與地面間之靜摩擦係數μ
s
必須大於多少?
(A)0.1
(B)0.15
(C)0.2
(D)0.25。
13. 在無摩擦的桌面上有相接觸的2木塊,施予一水平力於其中一塊,若m
1
=2kg、m
2
=3kg、F=20N,下列敘述何者正確?
(A)2木塊有相同之加速度5 m/s
2
(B)m
1
受12N的淨作用力
(C)m
1
對m
2
施力8N
(D)m
2
對m
1
施力12N。
14. 有關理想結構單元之力學特性,下列敘述何者有誤?
(A)梁是以承受彎曲力矩、剪力為主的結構單元
(B)桁架是以承受軸向力為主的結構單元
(C)剛架是以承受彎曲力矩、剪力及軸向力為主的結構單元
(D)剛架構造結點為剛結點,不可抵抗彎曲力矩。
15. 通過空間一點的兩個外力分別為4i+j-2k與-2i+2j+8k(單位為N),其合力為:
(A)7N
(B)8N
(C)9N
(D)10N。
16. 由荷重、剪力與彎曲力矩之關係可知,當一簡支梁承受一均變荷重時,如圖二十四所示,其彎矩圖應為何種型式?
圖二十四
(A)水平直線
(B)傾斜直線
(C)二次拋物線
(D)三次拋物線。
17. 假設某材料之彈性係數E=210GPa,蒲松比(Poisson ratio)υ=0.25,則體積彈性係數K為多少GPa?
(A)84
(B)120
(C)140
(D)150。
18. 某人重80kg站在船之右端如下圖,鉛重240kg,不計船與水互制關係,如此人由船之右端走到左端,試求船離岸多遠?
(A)9m
(B)9.3m
(C)9.5m
(D)7m。
19.
(A)
(B)
(C)
(D)
。
20. 如【圖23】所示,柱之軸向負載P為將發生挫曲(buckling)之臨界負載,長度為L,此柱之有效長度因數(effective-length factor)係數K為何?
(A)0.5
(B)0.7
(C)1
(D)2。
21. 英制質量單位1 slug相當於SI單位之:
(A)14.5938kg
(B)4.448N(牛頓)
(C)32.2 lb
(D)9.8 1N。
22. 【圖19】有一桁架承受平行垂直外力,假設在O點及A點之反作用力均受限於5000?b,則W之最大值為:
【圖19】
(A)800ℓb
(B)900ℓb
(C)1000ℓb
(D)1100ℓb。
23. 相同質量、相等直徑的圓球與圓柱,若在不產生打滑之情狀下,由一斜坡滾下,假設無空氣阻力與滾動摩擦,則何者會先抵達斜坡下方?
(A)圓柱先抵達
(B)圓球先抵達
(C)兩者同時抵達
(D)無法判斷。
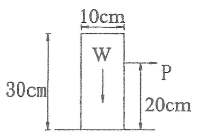
24. 如下圖之木塊置於水平地面上。若P=100N,α=60度,木塊質量100kg,且木塊靜止不動,請問木塊與地面之靜摩擦係數μ至少需要多少?
(A)0.44
(B)0.96
(C)0.53
(D)0.093。
25. 一梁如下圖所示,B點為鉸接,求A點所受力矩為多少KN-m?
(A)150
(B)100
(C)75
(D)50。
26. 【圖23】A方塊和B方塊在一斜面上向下滑動,W
A
=15?b、W
B
=20?b,B方塊和滑動面摩擦係數為0.3,假設A方塊和滑動面間很平滑,則在滑動中A作用於B方塊作用力為:
【圖23】
(A)1.82 ℓb
(B)1.52ℓb
(C)1.42ℓb
(D)1.32ℓb。
27. 如下圖所示之懸臂樑,樑所受之V
max
=?
(A)14kN
(B)12kN
(C)10kN
(D)9kN。
28. 已知重力加速度為g=32.2 ft/sec
2
,且1英磅力量作用於質量1 slug的物體會產生1 ft/sec
2
加速度,則1 slug最接近下列何質量?
(A)1公斤
(B)6.6英磅
(C)6.6公斤
(D)14.6公斤。
29.
(A)
(B)
(C)
+
+
(D)
+
+
。
30.
(A)
(B)
(C)μ
g
(D)μ
g
gR。
31. 有一水平放置之簡支樑(simply-supported beam),長度為0.5m,於樑中間跨距處承受一向下之集中負載100N,則樑中所產生之最大彎曲力矩為多少?
(A)12.5N-m
(B)25N-m
(C)50N-m
(D)200N-m。
32. 對空間共點非平行力系而言,有幾條獨立之平衡方程式?
(A)2條
(B)3條
(C)5條
(D)6條。
33. 以下何種結構類型之桿件在一般情況下皆為二力桿件?
(A)梁結構
(B)剛架結構
(C)複合結構
(D)桁架結構。
34. 試求下圖十三所示,該桁架中共有幾根零桿?
圖十三
(A)4
(B)5
(C)6
(D)7。
35. 圓桿ABC是由2種材料所組成,直徑均為50mm,如圖。其中AB部分為鋼(Es=210GPa),長度為750mm,BC部分為鋁(Ea=70GPa),長度為250mm。若圓桿承受一軸向拉力150kN,則圓桿ABC之總伸長量為何?
(A)0.273mm
(B)0.409mm
(C)0.546mm
(D)0.679mm。
36. 一個質點其速度為V=10e
x
+5e
y
+2e
z
m/sec,若r=3e
x
+2e
y
+6e
z
m。請問外積r×V在y方向之分量為:
(A)-26 m
2
/sec
(B)5 m
2
/sec
(C)54 m
2
/sec
(D)30 m
2
/sec。
37. 應力單位中“Kpa”相當於:
(A)kg/cm
2
(B)t/m
2
(C)ℓb/in
2
(D)kN/m
2
。
38. 如下圖直角三角形,形心C之
,
分別為
(A)b/3及h/3
(B)b/2及h/3
(C)b/3及h/2
(D)b/2及h/2。
39. 如下圖,試問P力對A點所造成之力矩大小為何?
(A)0N-m
(B)10N-m
(C)20N-m
(D)30N-m。
40. 依據「動量守恆」,3公斤的甲物體以20 m/s速度在光滑地板上運動,並與靜止的乙物體碰撞後,兩者合而為一繼續前進運動,且其速度為6 m/s,求乙物體的質量?(假設碰撞過程無能量損失,且忽略地板上之摩擦力)
(A)6公斤
(B)7公斤
(C)8公斤
(D)9公斤。
41. 如下圖所示之菱形斷面,中間挖空,對y軸之慣性矩I
y
為多少cm
4
?
(A)126
(B)139.5
(C)414
(D)427.5。
42. 如圖所示之二次曲線分布力量,求合力之大小為多少N?
(A)80 N
(B)120 N
(C)160 N
(D)200 N。
43. 在平面內之力系,若其力多邊形(Force Polygon)不閉合,則此力系:
(A)穩定
(B)平衡
(C)不穩定
(D)不平衡。
44. 如下圖二十一所示,桿件兩端皆為固定,於距離底部1/3高度之截面mm上,作向下作用力600kg,則底部支承反力為何?
圖二十一
(A)300kg
(B)200kg
(C)400kg
(D)250kg。
45. 4.如【圖3】所示,AC梁由A銷及繞過D滑輪之繩索支撐,外力P大小為60N,繩索張力為何?
(A)35N
(B)56N
(C)70N
(D)140N。
46. 如下圖的滑輪組中,A物塊的速度為1m/s向下,加速度為3m/s
2
向上。B物塊的速度為1m/s向下,加速度為1m/s
2
向下。請問C物塊的加速度為何?
(A)5m/s
2
,向下
(B)4m/s
2
,向下
(C)1m/s
2
,向下
(D)2m/s
2
,向上。
47. 如下圖所示之桁架,OB桿的內力為多少牛頓?
(A)200
(B)1000
(C)10
(D)0。
48. 某甲推車施力100 lb,施力方向與車前進方向夾角為30°,車一共前進100ft後停止施力,車子再前進1ft即停止。此人作功為W,則:
(A)W=10,000 ft-lb
(B)W=8,660 ft-lb
(C)W=5,000 ft-lb
(D)W=100 ft-lb。
49. 板件正應力及剪應力為σ
X
=6000psi、σ
Y
=0、τ
XY
=-4000psi,其最大剪應力τ
max
為何?
(A)3000psi
(B)3500psi
(C)4000psi
(D)5000psi。
50. 圓桿件的應變能為:
(A)圓桿中的應變能為U
1
=P
2
L/(2EA),那麼儲存於圖
(B)圓桿件的應變能為:
(C)5U
1
/4
(D)2U
1
/9